dz̸¿ª¹ØµçÔ´EMIÓÅ»¯Éè¼Æ-´«µ¼Æª
±¾ÎÄÉîÈë̽ÌÖÁË¿ª¹ØµçÔ´Öд«µ¼µç´Å×ÌÈÅ£¨EMI£©ÎÊÌâµÄ³ÉÒò¼°Æä¶ÔϵͳÐÔÄܵÄÓ°Ïì¡£¡£¡£Í¨¹ýºÏÀíµÄÓÅ»¯Éè¼ÆÒªÁ죬£¬£¬£¬ÈçʹÓòîÄ£ºÍ¹²Ä£Â˲¨Æ÷¡¢ÓÅ»¯PCB½á¹¹µÈÊÖ¶ÎÀ´ÓÐÓÃïÔÌ×ÌÈÅ£¬£¬£¬£¬×ÊÖú¹¤³ÌʦÃǹ¹½¨¸ü¸ßЧ¡¢¸ü¿É¿¿µÄµçÔ´½â¾ö¼Æ»®¡£¡£¡£
µç´Å×ÌÈÅ£¨EMI£©ÔÚ¸÷¸öÓ¦ÓÃÁìÓòÖж¼×ÌÈÅ×ÅϵͳµÄÎȹÌÐÔºÍÐźŵÄÍêºÃÐÔ£¬£¬£¬£¬¼ÈÈ»ÎÞ·¨×èÖ¹£¬£¬£¬£¬ÄÇÔõÑù¸ü¶àµØ´ÓÉè¼ÆµÄ½Ç¶È½â¾öÎÊÌâÊÇÒªº¦£¬£¬£¬£¬ÏÂÃæÎÒÃÇÀ´ÆÊÎö¿ª¹ØµçÔ´Öг£¼ûµÄ¼¸ÖÖEMIÎÊÌâ¡£¡£¡£

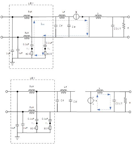
ÈçͼËùʾÔÚ´«µ¼·¢Éä²âÊÔÖÐ×ÌÈÅÐźÅÓÉLISN¸ÐÓ¦£¬£¬£¬£¬ÓÉ´ËÎÒÃÇ¿ÉÒÔÆ¾Ö¤LISN¾ÙÐвîÄ££¨DM£©ºÍ¹²Ä££¨CM£©×ÌÈÅÄ£×ӵĽ¨Éè¡£¡£¡£ÒÔBUCKµç·ΪÀý¡£¡£¡£

¹ØÓÚͼ2ʹÓõçÁ÷Ô´Ìæ»»¿ª¹Ø¹Ü£¬£¬£¬£¬Ê¹ÓõçÑ¹Ô´Ìæ»»SWµçѹ¡£¡£¡£ÆäÖÐIS²¨ÐÎÓëHIS Ïàͬ£¬£¬£¬£¬VS²¨ÐÎÓëVSWÏàͬ¡£¡£¡£

ʹÓõþ¼ÓÔÀí¾ÙÐл¯¼ò£¬£¬£¬£¬»®·Ö½«µçѹԴ¶Ì·ºÍµçÁ÷Ô´¶Ï·¡£¡£¡£

ͼ4 µþ¼ÓÔÀíÆÊÎöºó²îÄ£µÈЧµç·
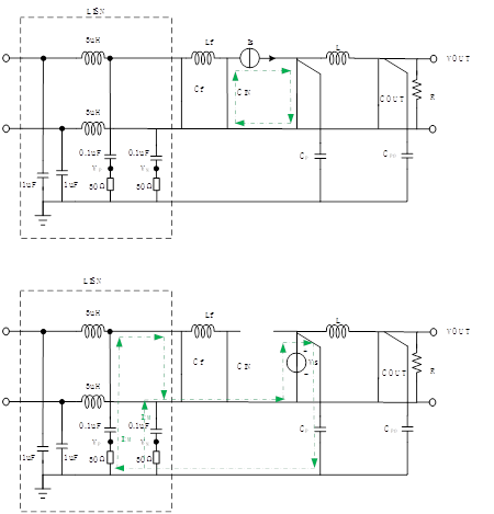
ÓÉͼ4¿ÉÖª²îÄ£×ÌÈÅÄܱ»LISN¸ÐÖªµÄÖ÷Òª¼¯ÖÐÔÚISͨ·ÖÐͬʱÔÚ¸ßÆµ½»Á÷×ÌÈÅ£¬£¬£¬£¬0.1uF¿ÉÒÔµÈЧΪ¶Ì·£¬£¬£¬£¬ÔòBUCKµç·²îģģ×ӿɼò»¯ÎªÏÂͼ¡£¡£¡£

ÓÉ´Ë¿ÉÖª²îÄ£×ÌÈÅÖ÷ÒªÓÉISÒýÆð¡£¡£¡£IS Ó뿪¹Ø¹ÜµçÁ÷²¨ÐÎÏàͬ¡£¡£¡£²îÄ£×ÌÈÅÖ÷ÒªÓÉÊäÈë»ØÂ·ÖеçÁ÷ת±ä£¨di/dt£©Ëù±¬·¢¡£¡£¡£
ͬÀí¾ÙÐй²Ä£Ä£×ӵļò»¯£¬£¬£¬£¬¹²Ä£×ÌÈÅÖ÷ÒªÓɼÄÉúµçÈݺͻú¿Ç¡¢ÍƤ×é³ÉµÄ»ØÂ·¾ÙÐÐת´ï¡£¡£¡£ÒÔÊÇÒýÈëSWµ½´óµØµÄ¼ÄÉúµçÈÝCP£¬£¬£¬£¬Êä³öµ½´óµØ¼ÄÉúµçÈÝCPO¡£¡£¡£Í¬Ê±¹²Ä£×ÌÈÅΪÊäÈëÏß¾¶ÖÐÏàͬ·ÖÁ¿£¬£¬£¬£¬ÒÔÊǽ«CfºÍCINµÈЧΪ¶Ì·£¬£¬£¬£¬×îÖÕÈçÏÂͼËùʾ¡£¡£¡£

ͬÑù¾ÙÐеþ¼ÓÔÀí

¼ÌÐø¼ò»¯¿ÉµÃÏÂͼ

ÓÉ´Ë¿ÉÖª¹²Ä£×ÌÈÅÖ÷ÒªÓÉVSÒýÆð£¬£¬£¬£¬VS ÓëSW²¨ÐÎÏàͬ£¬£¬£¬£¬Ôò¹²Ä£×ÌÈÅÖ÷ÒªÓÉSW´¦µçѹת±ä£¨dv/dt£©Ëù±¬·¢¡£¡£¡£
µã»÷ÔĶÁÈ«ÎÄ£ºÊÖÒÕÎÄÕ | µÚÊ®°Ëƪ£ºÇ³Ì¸¿ª¹ØµçÔ´EMIÓÅ»¯Éè¼Æ-´«µ¼Æª