½ðʨ¹ó±ö»á

¹¦ÂÊ¿ØÖÆ ¹¦ÂÊ¿ØÖÆ
SCT52246DTBR ÕýÔÚ¹©»õ
24V,4A ˫ͨµÀ¸ßËٵͲàÇý¶¯Æ÷
¼ÓÈ빺Îï³µ
SCT52246DTBR
  • ²úÆ·ÏÈÈÝ
  • ÊÖÒÕ×ÊÁÏ
  • ²ÎÊý±ÈÕÕ

²úÆ·ÌØÕ÷

ÌØÕ÷£º
 
  • ¿í¹©µç¹æÄ££º4.5V-24V
  • ·åÖµÔ´µçÁ÷ºÍ¹àµçÁ÷£º4A
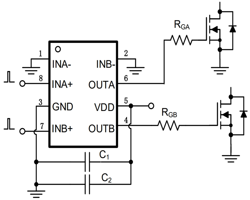
  • ÊäÈëÂß¼­¿ÉÎÞаÉèÖÃΪͬÏà»ò·´Ïà
  • ÊäÈë¼æÈÝTTLµçƽ
  • ÊäÈë´«ÊäÑÓ³Ù£º13ns
  • µä·¶ÉÏÉýºÍϽµÊ±¼ä£º8ns
  • µä·¶ÑÓ³ÙÆ¥Åäʱ¼ä£º1ns
  • µÍ¾²Ì¬µçÁ÷£º65uA
  • ÊäÈ븡¿ÕʱÊä³öΪµÍ
  • ˫ͨµÀ×ÔÁ¦µÄʹÄÜÂß¼­
  • ¹ýα£» £»£»£»£»¤£º170°C
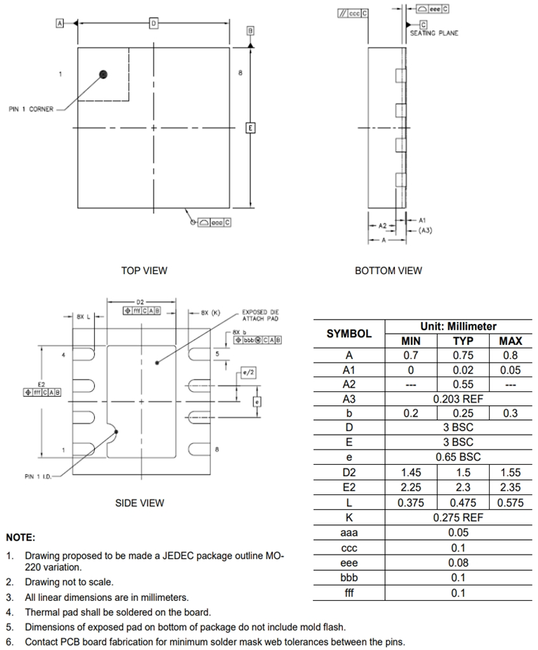
  • ½ÓÄÉDFN-8L·â×°
 
ÐÎò£º
 
SCT52246ÊÇÒ»¿î¿í¹©µç¹æÄ£ £¬£¬£¬ £¬£¬£¬Ë«Í¨µÀ £¬£¬£¬ £¬£¬£¬¸ßËٵĵͲàÕ¤¼«Çý¶¯Æ÷ £¬£¬£¬ £¬£¬£¬ÊÊÓÃÓÚÇý¶¯¹¦ÂÊMOSFET»òIGBT¡£¡£SCT52246½ÓÄÉÁËË«ÊäÈëÉè¼Æ £¬£¬£¬ £¬£¬£¬¿ÉÎÞаµØÉèÖø÷ͨµÀÊäÈëÂß¼­Îª·´ÏࣨIN-Òý½Å£©»òͬÏࣨIN+Òý½Å£©¡£¡£IN+»òIN-Òý½Å¶¼ÄÜÖ±½Ó¿ØÖÆÇý¶¯Êä³ö״̬¡£¡£Æäÿ¸öͨµÀ¶¼ÄÜÌṩ¸ß´ï4AµÄ·åÖµÔ´µçÁ÷ºÍ¹àµçÁ÷ÄÜÁ¦ £¬£¬£¬ £¬£¬£¬¿ÉʵÏֹ쵽¹ìµÄÊä³öÇý¶¯¡£¡£Æä24VµÄ¹©µçÄÍѹÔöÇ¿ÁËÓ¦¶Ô¹¦ÂÊÆ÷¼þ¿ª¹ØË²Ì¬ÕñÁåµÄÔâÊÜÄÜÁ¦¡£¡£
SCT52246ÓµÓеÍÖÁ13nsµÄÊäÈëµ½Êä³ö´«ÊäÑÓ³Ù £¬£¬£¬ £¬£¬£¬Ê¹µÃÆäºÜÊÇÊÊºÏ¸ßÆµ¹¦Âʱ任Æ÷Ó¦Óᣡ£
SCT52246¾ßÓпíÊäÈë³ÙÖÍ £¬£¬£¬ £¬£¬£¬¼æÈÝTTLµçƽ¡£¡£
SCT52246¼«µÍµÄ¾²Ì¬µçÁ÷¿É½µµÍ¹¦Âʱ任Æ÷µÄ´ý»ú¹¦ºÄ¡£¡£SCT52246µÄ¸÷ͨµÀÇý¶¯µç·½ÓÄÉÁËÎÞ½»µþÉè¼Æ £¬£¬£¬ £¬£¬£¬×èÖ¹ÁËÊä³ö¼¶¹²Í¨µÄΣº¦¡£¡£
SCT52246¾ßÓÐ170°CµÄ¹ýα£» £»£»£»£»¤¡£¡£SCT52246½ÓÄÉDFN 3×3-8L·â×°¡£¡£
 
 
Ó¦Óãº
 
  • IGBT/MOSFETÕ¤¼«Çý¶¯
  • ±äƵÆ÷
  • ¿ª¹ØµçÔ´
  • µç»ú¿ØÖÆ
  • ¹â·üÄæ±äÆ÷

·â×°ÐÅÏ¢

SCT52246DTBR
+ -

ÊÖÒÕ×ÊÁÏ

ÎÊÌâ ʱ¼ä ÏÂÔØ
SCT52246 Datasheet Rev 1.1 2024-12-16 ÏÂÔØ

²ÎÊý±ÈÕÕ

¼ÓÈë±ÈÕÕ
µÍ±ßÇý¶¯ Õ¤¼«Çý¶¯Æ÷
±ÈÕÕ²ÎÊý
{{ goods }}
µÍ±ßÇý¶¯ Õ¤¼«Çý¶¯Æ÷
{{ item.attr_name }} {{ vo }}
¡¾ÍøÕ¾µØÍ¼¡¿¡¾sitemap¡¿