½ðʨ¹ó±ö»á

ÏßÐÔµçÔ´ ÏßÐÔµçÔ´
SCT71402A00DTBR ÕýÔÚ¹©»õ
3V-40V Vin,200mA,³¬µÍ¾²Ì¬µçÁ÷µÍѹ²îÏßÐÔÎÈѹÆ÷
¼ÓÈ빺Îï³µ
SCT71402A00DTBR
  • ²úÆ·ÏÈÈÝ
  • ÊÖÒÕ×ÊÁÏ
  • ²ÎÊý±ÈÕÕ

²úÆ·ÌØÕ÷

ÌØÕ÷£º
 
  • ¿íÊäÈëµçѹ£º3V-40V
  • Ö§³Ö¸ß´ï45VµÄ˲̬ÊäÈëµçѹ
  • ×î´óÊä³öµçÁ÷£º200mA
  • Êä³öµçѹ£º1.215V~25V
  • ·´Ïìµçѹ¾«¶È£º
  • TJ= 25¡æ : ±1%£»£»£»TJ= -40¡æ~ 125¡æ :±2%
  • ³¬µÍµÍ¾²Ì¬µçÁ÷£º2.6uA
  • µÍ©ʧµçѹ£º
  • ´øÔØ200mAʱ270mV
  • Ö§³ÖÊä³öµçÈݹæÄ££º
  • 3.3uF~220uF
  • µÍESR£º0.001Ω~5Ω
  • 1.6msÄÚ²¿ÈíÆð¶¯Ê±¼ä
  • ¼¯³É¹ýα£»£»£»¤¹¦Ð§ÒÔ¼°´øÓÐVIN_HIGH¿ØÖƵĹýÁ÷±£»£»£»¤¹¦Ð§
  • ¿É±à³ÌÊäÈëµçÑ¹Ç·Ñ¹Ëø¶¨±£»£»£»¤£¨UVLO£©¼°×¼È·µÄENÆô¶¯/¹Ø¶Ïµçƽ
  • TDFN3X3-8·â×°
 
ÐÎò£º
 
SCT71402A00ϵÁвúÆ·ÊÇÒ»¿îµÍѹ²îÏßÐÔÎÈѹÆ÷£¬£¬£¬£¬Éè¼Æ´øÓÐEN¹¦Ð§£¬£¬£¬£¬ÓµÓÐ3VÖÁ40VµÄ¿íÊäÈëµçѹ¹æÄ££¬£¬£¬£¬¿ÉÖ§³Ö×î´ó200mAµÄÊä³öµçÁ÷Ó¦Óᣡ£¡£¡£¡£¡£Êä³öµçÈÝÔÚ3.3uF~220uF¹æÄ£ÄÚ²úÆ·ÊÂÇéÎȹ̣¬£¬£¬£¬ÍƼöֵΪ10uFµÄÌմɵçÈÝ¡£¡£¡£¡£¡£¡£
SCT71402A00ϵÁвúÆ·ÔÚÇá¸ºÔØÏÂÖ»ÓÐ2.6uAµÄµä·¶¾²Ì¬µçÁ÷£¬£¬£¬£¬ÊÇ´øµç³ØµÄ±ãЯʽװ±¸µÄÀíÏëÑ¡Ôñ£¬£¬£¬£¬Ò²ÊÇΪ³£¿£¿£¿£¿ªÏµÍ³ÖеÄMCUÓëCAN/LINÊÕ·¢Æ÷¹©µçµÄ×î¼Ñ½â¾ö¼Æ»®¡£¡£¡£¡£¡£¡£
SCT71402A00ϵÁвúÆ·¼¯³ÉÁ˶Ì·±£»£»£»¤ºÍ´øÓÐVIN_HIGH¿ØÖƵĹýÁ÷±£»£»£»¤¹¦Ð§£¬£¬£¬£¬Ê¹×°±¸ÔÚ˲¼ä¸ß¸ºÔعÊÕÏ»ò±¬·¢¶Ì·µÄÇéÐÎÏÂÔ½·¢¿É¿¿¡£¡£¡£¡£¡£¡£
SCT71402A00ϵÁвúÆ·Ìṩ¿Éµ÷ÀíµÄÊä³öµçѹ£¬£¬£¬£¬Êä³öµçѹ¿ÉÔÚ1.215VÖÁ25V¹æÄ£ÄÚµ÷Àí¡£¡£¡£¡£¡£¡£
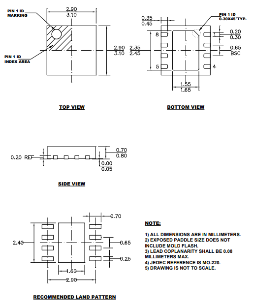
SCT71402A00ϵÁвúƷΪTDFN3X3-8·â×°¡£¡£¡£¡£¡£¡£
 
 
Ó¦Óãº
 
  • ³µÔØÖ÷»ú
  • ǰÕÕµÆ
  • ³µÉí¿ØÖÆÄ£¿£¿£¿£¿é
  • Äæ±äÆ÷ºÍµç»ú¿ØÖÆ

·â×°ÐÅÏ¢

SCT71402A00DTBR
+ -

²ÎÊý±ÈÕÕ

¼ÓÈë±ÈÕÕ
¸ßѹ LDO ÏßÐÔµçÔ´
±ÈÕÕ²ÎÊý
{{ goods }}
¸ßѹ LDO ÏßÐÔµçÔ´
{{ item.attr_name }} {{ vo }}
¡¾ÍøÕ¾µØÍ¼¡¿¡¾sitemap¡¿