½ðʨ¹ó±ö»á

ϵͳ¼¯³É ϵͳ¼¯³É
SCT63042FJBR ÕýÔÚ¹©»õ
7.5W¸ß¼¯³É¶È¡¢¸ßЧÂʵÄÎÞÏß¹¦ÂÊ·¢ÉäPMIC
¼ÓÈ빺Îï³µ
SCT63042FJBR
  • ²úÆ·ÏÈÈÝ
  • ÊÖÒÕ×ÊÁÏ
  • ²ÎÊý±ÈÕÕ

²úÆ·ÌØÕ÷

ÌØÕ÷

  • VINÊäÈëµçѹ¹æÄ££º4V-6V
  • ¸ß´ï 7.5W µÄ¹¦ÂÊ´«Êä
  • ¼¯³É20mΩ Rdson MOSFETµÄ¹¦ÂÊÈ«ÇÅ
  • ¼¯³É 4.85V-65mA LDO
  • ¼¯³É±2%¾«¶ÈµÄÎÞËðÊäÈëµçÁ÷¼ì²âÀ´¾ÙÐÐÒìÎï¼ì²âºÍµçÁ÷½âµ÷
  • ¼¯³ÉµçѹºÍµçÁ÷½âµ÷
  • ¼æÈÝ 3.3V ºÍ 5V PWM ÐźÅÂß¼­
  • ÊäÈëÇ·Ñ¹Ëø¶¨
  • ¹ýÁ÷±£» £» £»¤
  • ¹ýα£» £» £»¤
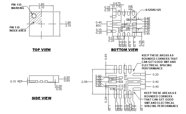
  • 2mm*2mm QFN-18L·â×°
 
ÐÎò

 
SCT63042ÊÇÒ»¿î¸ß¶È¼¯³ÉµÄµçÔ´ÖÎÀíIC £¬£¬£¬£¬¿ÉʵÏÖ¸ßÐÔÄÜ £¬£¬£¬£¬¸ßЧÂʺ͸ßÐԼ۱ȵÄÎÞÏß¹¦ÂÊ´«Êä £¬£¬£¬£¬ÏµÍ³ÇкÏWPC±ê×¼¹æ¸ñ²¢Ö§³Ö¸ß´ï7.5WµÄ¹¦ÂÊ´«Êä £¬£¬£¬£¬ºÍÎÞÏßÓ¦ÓÃרÓÿØÖÆÆ÷»òͨÓÃMCU¿ØÖÆÆ÷ÅäºÏʹÓᣡ£¡£¡£

¸ÃÆ÷¼þ¼¯³ÉÁËÒ»¸ö 4 MOSFET ¹¦ÂÊÈ«ÇÅ¡¢Õ¤¼«Çý¶¯Æ÷¡¢4.85V LDO¡¢Í¨Ñ¶½âµ÷Æ÷ºÍÊäÈëµçÁ÷¼ì²â £¬£¬£¬£¬¼æ¾ß¸ßЧÂʺÍÒ×ÓÃÐÔ¡£¡£¡£¡£

רÓеÄÕ¤¼«Çý¶¯¼Æ»®ÓÅ»¯ÁËEMIÐÔÄÜ £¬£¬£¬£¬½ÚԼϵͳ±¾Ç®ºÍ¼ò»¯Éè¼Æ¡£¡£¡£¡£×¨Óб2% ¾«¶ÈµÄÎÞËðµçÁ÷¼ì²âµç·¼à¿ØÈ«ÇÅÊäÈëµçÁ÷ £¬£¬£¬£¬Ö§³ÖÒìÎï¼ì²âºÍµçÁ÷½âµ÷¡£¡£¡£¡£ÄÚÖà 4.85V µÍѹ²îÎÈѹÆ÷ LDO ¿ÉΪ·¢ÉäÆ÷ºÍÍⲿµç·¹©µç¡£¡£¡£¡£                                                                

SCT63042¾ßÓÐÊäÈëÇ·Ñ¹Ëø¶¨ UVLO¡¢¹ýÁ÷±£» £» £»¤¡¢¶Ì·±£» £» £»¤ºÍ¹ýα£» £» £»¤¡£¡£¡£¡£
SCT63042½ÓÄɽô´ÕµÄ 2mm*2mm QFN·â×°¡£¡£¡£¡£

 

Ó¦ÓÃ


ÇкÏWPC±ê×¼µÄ5W»ò7.5WÎÞÏß³äµçϵͳ £¬£¬£¬£¬ÊÊÓÃÓÚÊÖ±í¡¢ÊÖ»ú»òÆäËû¿ÉÒÂ×Å×°±¸
ͨÓÃÎÞÏß¹¦ÂÊ·¢ÉäÆ÷
ÏûºÄ¡¢¹¤ÒµºÍÒ½ÁÆ×°±¸
רÓÐÎÞÏß³äµçÆ÷ºÍ·¢ÉäÆ÷ 

·â×°ÐÅÏ¢

SCT63042FJBR
+ -

²ÎÊý±ÈÕÕ

¼ÓÈë±ÈÕÕ
ÎÞÏß³äµç·¢Éä¶Ë PMIC ϵͳ¼¯³É
±ÈÕÕ²ÎÊý
{{ goods }}
ÎÞÏß³äµç·¢Éä¶Ë PMIC ϵͳ¼¯³É
{{ item.attr_name }} {{ vo }}
¡¾ÍøÕ¾µØÍ¼¡¿¡¾sitemap¡¿