½ðʨ¹ó±ö»á

¿ª¹ØµçÔ´ ¿ª¹ØµçÔ´

DC-DC ½µÑ¹×ª»»Æ÷

Step-down DCDC converter
SCT9320STDR ÕýÔÚ¹©»õ
3.8-32V Vin£¬£¬£¬ £¬2AµÄEMIÓѺÃͬ²½½µÑ¹DCDCת»»Æ÷
¼ÓÈ빺Îï³µ
SCT9320STDR
  • ²úÆ·ÏÈÈÝ
  • ÊÖÒÕ×ÊÁÏ
  • ²ÎÊý±ÈÕÕ

²úÆ·ÌØÕ÷

ÌØÕ÷£º
 
  • ïÔÌ­EMI£¬£¬£¬ £¬¿ªÊàŦµãÎÞÕñÁå
  • 500kHz¿ª¹ØÆµÂÊ£¬£¬£¬ £¬±6%չƵ£¨FSS£©
  • 20uA¾²Ì¬µçÁ÷£¬£¬£¬ £¬ÇáÔØÌõ¼þÏÂÂö³åÌø¹ýģʽ£¨PSM£©
  • 3.8V-32V¿íÊäÈëµçѹ¹æÄ£
  • ¸ß´ï2AµÄÒ»Á¬Êä³ö¸ºÔصçÁ÷
  • 0.8V±1%·´Ïì²Î¿¼µçѹ
  • ¼¯³É130m?Rdson¸ß±ßMOSFETºÍ70mΩ RdsonµÍ±ßMOSFET
  • 1uA¹Ø»úµçÁ÷
  • ×îСµ¼Í¨Ê±¼ä80ns
  • ¿É±à³ÌÊäÈëµçÑ¹Ç·Ñ¹Ëø¶¨±£»£»£»£»£»£»¤(UVLO)ãÐÖµºÍÖͺóµÄ׼ȷÆôÓÃãÐÖµ
  • µÍѹ½µÄ£Ê½
  • 4msÄÚÖÃÈíÆô¶¯Ê±¼ä
  • Êä³ö¹ýѹ±£»£»£»£»£»£»¤
  • 160°CʱµÄ¹ýα£»£»£»£»£»£»¤
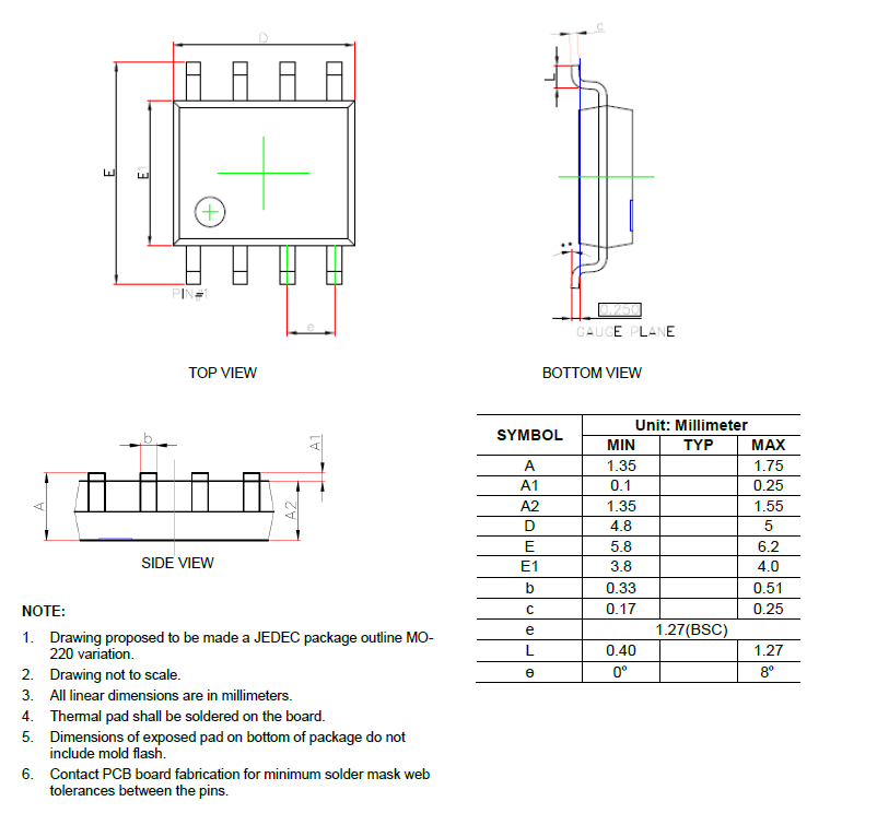
  • ÌṩSOP-8L·â×°
 
ÐÎò£º
 
SCT9320ÊÇ2Aͬ²½½µÑ¹×ª»»Æ÷£¬£¬£¬ £¬¾ßÓиߴï32VµÄ¿íÊäÈëµçѹ¹æÄ££¬£¬£¬ £¬ÍêÈ«¼¯³ÉÁË130m?¸ß±ßMOSFETºÍ80mΩµÍ±ßMOSFET£¬£¬£¬ £¬¿ÉʵÏÖ¸ßЧÂʵĽµÑ¹×ª»»¡£¡£¡£¡£¡£¡£SCT9320½ÓÄɾßÓм¯³ÉÅâ³¥ÍøÂçµÄ·åÖµµçÁ÷ģʽ¿ØÖÆ£¬£¬£¬ £¬×î´óÏ޶ȵØïÔ̭ƬÍâÔª¼þÊýÄ¿£¬£¬£¬ £¬Ê¹SCT9320Ò×ÓÚʹÓᣡ£¡£¡£¡£¡£SCT9320Ö§³Öµä·¶µÄ20uA³¬µÍ¾²Ì¬µçÁ÷µÄÂö³åÌø¹ýģʽ£¨PSM£©£¬£¬£¬ £¬ÔÚ1mAºÍ5mA¸ºÔØÌõ¼þÏÂЧÂÊ»®·ÖÊÇ85%ºÍ89%¡£¡£¡£¡£¡£¡£
SCT9320ÊÇÒ»¿îµç´Å×ÌÈÅ£¨EMI£©ÓѺÃÐͽµÑ¹×ª»»Æ÷£¬£¬£¬ £¬½ÓÄÉÓÅ»¯Éè¼ÆÒÔ½µµÍEMI¡£¡£¡£¡£¡£¡£SCT9320µÄÌØµãÊÇչƵFSS£¬£¬£¬ £¬500kHz¿ª¹ØÆµÂʵIJü¶¶¹æÄ£Îª±6%£¬£¬£¬ £¬¿ª¹ØÆµÂʵĵ÷ÖÆÖÜÆÚΪ512¸ö¿ª¹ØÖÜÆÚ£¬£¬£¬ £¬ÒÔïÔÌ­´«µ¼EMI¡£¡£¡£¡£¡£¡£¸Ãת»»ÓþßÓÐÌØÊâÉè¼ÆµÄÕ¤¼«Çý¶¯Æ÷¼Æ»®£¬£¬£¬ £¬¿ÉÔÚ²»ÎþÉüMOSFETµ¼Í¨ºÍ¹Ø¶Ïʱ¼äµÄÇéÐÎϼõС¿ªÊàŦµãÕñÁ壬£¬£¬ £¬´Ó¶ø½øÒ»²½Ïû³ýMOSFETÓ²¿ª¹ØÒýÆðµÄ¸ßƵ·øÉäEMIÔëÉù¡£¡£¡£¡£¡£¡£
SCT9320ÌṩÊä³ö¹ýѹ±£»£»£»£»£»£»¤¡¢ÖðÖÜÆÚ·åÖµµçÁ÷ÏÞÖÆºÍ¹ýα£»£»£»£»£»£»¤¡£¡£¡£¡£¡£¡£¸Ã×°±¸½ÓÄÉSOP-8L·â×°¡£¡£¡£¡£¡£¡£
 
 
Ó¦Óãº
 
  • °×É«¼Òµç
  • ¼à¿Ø
  • ÒôƵ¡¢WiFiÑïÉùÆ÷
  • ´òÓ¡»ú¡¢³äµçÕ¾
  • Êý×ÖµçÊÓ¡¢»ú¶¥ºÐ¡¢¼àÊÓÆ÷/LCDÏÔʾÆ÷

·â×°ÐÅÏ¢

SCT9320STDR
+ -

ÊÖÒÕ×ÊÁÏ

ÎÊÌâ ʱ¼ä ÏÂÔØ
SCT9320ÆÀ¹À°æÖ¸ÄÏ 2024-10-24 ÏÂÔØ
SCT9320STDR-¿É¿¿ÐÔ±¨¸æ011126 R0.0.pdf 2024-11-07 µÇ¼ÏÂÔØ
SCT9320 Datasheet Rev_1.3 2024-12-16 ÏÂÔØ

²ÎÊý±ÈÕÕ

¼ÓÈë±ÈÕÕ
30V DC-DC½µÑ¹×ª»»Æ÷ DC-DC ½µÑ¹×ª»»Æ÷
±ÈÕÕ²ÎÊý
{{ goods }}
30V DC-DC½µÑ¹×ª»»Æ÷ DC-DC ½µÑ¹×ª»»Æ÷
{{ item.attr_name }} {{ vo }}
¡¾ÍøÕ¾µØÍ¼¡¿¡¾sitemap¡¿