½ðʨ¹ó±ö»á

¿ª¹ØµçÔ´ ¿ª¹ØµçÔ´

DC-DC ½µÑ¹×ª»»Æ÷

Step-down DCDC converter
SCT9325STDR ÕýÔÚ¹©»õ
3.8-32V Vin£¬£¬£¬2AµÄEMIÓѺÃͬ²½½µÑ¹DCDCת»»Æ÷
¼ÓÈ빺Îï³µ
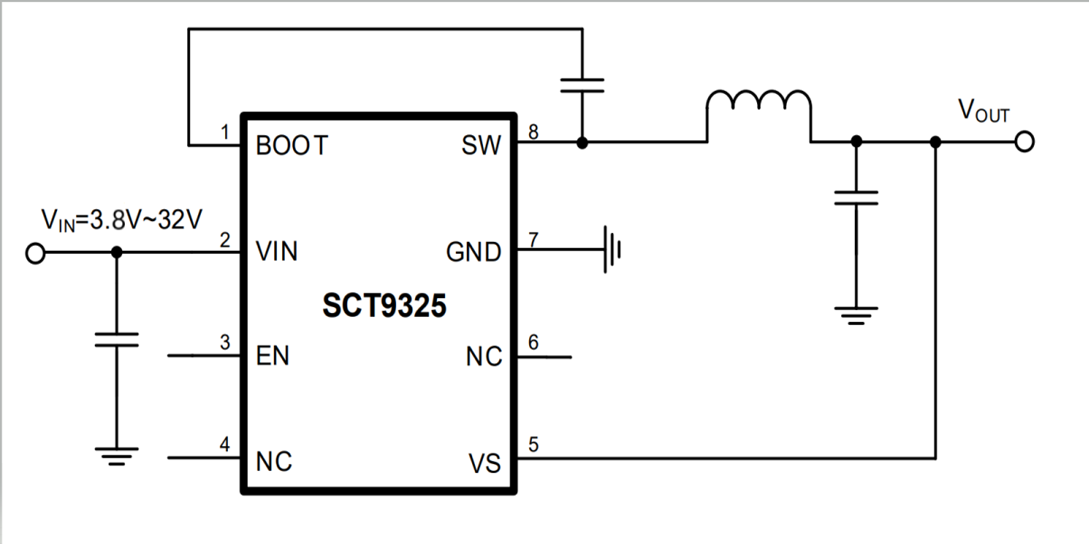
SCT9325STDR
  • ²úÆ·ÏÈÈÝ
  • ÊÖÒÕ×ÊÁÏ
  • ²ÎÊý±ÈÕÕ

²úÆ·ÌØÕ÷

ÌØÕ÷£º
 
  • ïÔÌ­EMI£¬£¬£¬¿ªÊàŦµãÎÞÕñÁå
  • 3.8V-32V¿íÊäÈëµçѹ¹æÄ£
  • ¸ß´ï2AµÄÒ»Á¬Êä³ö¸ºÔصçÁ÷
  • 5V±1%Êä³öµçѹ
  • ¼¯³É130m?Rdson¸ß±ßMOSFETºÍ70mΩ RdsonµÍ±ßMOSFET
  • 1uA¹Ø»úµçÁ÷
  • 20uA¾²Ì¬µçÁ÷
  • 500kHz¿ª¹ØÆµÂÊ£¬£¬£¬±6%չƵ£¨FSS£©
  • ×îСµ¼Í¨Ê±¼ä80ns
  • ¿É±à³ÌÊäÈëµçÑ¹Ç·Ñ¹Ëø¶¨±£»£»£»¤(UVLO)ãÐÖµºÍÖͺóµÄ׼ȷÆôÓÃãÐÖµ
  • µÍѹ½µÄ£Ê½
  • ÇáÔØÌõ¼þϽÓÄÉÂö³åÌø¹ýģʽ£¨PSM£©
  • 4msÄÚÖÃÈíÆô¶¯Ê±¼ä
  • Êä³ö¹ýѹ±£»£»£»¤
  • 160°CʱµÄ¹ýα£»£»£»¤
  • ÌṩSOP-8L·â×°
 
ÐÎò£º
 
SCT9325ÊÇ2Aͬ²½½µÑ¹×ª»»Æ÷£¬£¬£¬¾ßÓиߴï32VµÄ¿íÊäÈëµçѹ¹æÄ££¬£¬£¬ÍêÈ«¼¯³ÉÁË130m?¸ß±ßMOSFETºÍ80mΩµÍ±ßMOSFET£¬£¬£¬¿ÉʵÏÖ¸ßЧÂʵĽµÑ¹×ª»»¡£¡£SCT9325½ÓÄɾßÓм¯³ÉÅâ³¥ÍøÂçµÄ·åÖµµçÁ÷ģʽ¿ØÖÆ£¬£¬£¬×î´óÏ޶ȵØïÔ̭ƬÍâÔª¼þÊýÄ¿£¬£¬£¬Ê¹SCT9325Ò×ÓÚʹÓᣡ£SCT9325Ö§³Öµä·¶µÄ20uA³¬µÍ¾²Ì¬µçÁ÷µÄÂö³åÌø¹ýģʽ£¨PSM£©£¬£¬£¬ÔÚ1mAºÍ5mA¸ºÔØÌõ¼þÏÂЧÂÊ»®·ÖÊÇ80%ºÍ85%¡£¡£
SCT9325ÊÇÒ»¿îµç´Å×ÌÈÅ£¨EMI£©ÓѺÃÐͽµÑ¹×ª»»Æ÷£¬£¬£¬½ÓÄÉÓÅ»¯Éè¼ÆÒÔ½µµÍEMI¡£¡£SCT9325µÄÌØµãÊÇչƵFSS£¬£¬£¬500kHz¿ª¹ØÆµÂʵIJü¶¶¹æÄ£Îª±6%£¬£¬£¬¿ª¹ØÆµÂʵĵ÷ÖÆÖÜÆÚΪ512¸ö¿ª¹ØÖÜÆÚ£¬£¬£¬ÒÔïÔÌ­´«µ¼EMI¡£¡£¸Ãת»»ÓþßÓÐÌØÊâÉè¼ÆµÄÕ¤¼«Çý¶¯Æ÷¼Æ»®£¬£¬£¬¿ÉÔÚ²»ÎþÉüMOSFETµ¼Í¨ºÍ¹Ø¶Ïʱ¼äµÄÇéÐÎϼõС¿ªÊàŦµãÕñÁ壬£¬£¬´Ó¶ø½øÒ»²½Ïû³ýMOSFETÓ²¿ª¹ØÒýÆðµÄ¸ßƵ·øÉäEMIÔëÉù¡£¡£µ±×ª»»Æ÷½øÈëPSMģʽʱ£¬£¬£¬¿¹ÕñÁåµç·ÊÇרÃÅΪ½â¾öÇá¸ºÔØÌõ¼þϵķøÉäEMIÔëÉù¶øÉè¼ÆµÄ¡£¡£
SCT9325ÌṩÊä³ö¹ýѹ±£»£»£»¤¡¢ÖðÖÜÆÚ·åÖµµçÁ÷ÏÞÖÆºÍ¹ýα£»£»£»¤¡£¡£¸Ã×°±¸½ÓÄÉSOP-8L·â×°¡£¡£

 
Ó¦Óãº
 
  • °×É«¼Òµç
  • ¼à¿Ø
  • ÒôƵ¡¢WiFiÑïÉùÆ÷
  • ´òÓ¡»ú¡¢³äµçÕ¾
  • Êý×ÖµçÊÓ¡¢»ú¶¥ºÐ¡¢¼àÊÓÆ÷/LCDÏÔʾÆ÷

·â×°ÐÅÏ¢

SCT9325STDR
+ -

ÊÖÒÕ×ÊÁÏ

ÎÊÌâ ʱ¼ä ÏÂÔØ
EV9325-B-03A Users Guide Rev1.0.pdf 2024-10-30 ÏÂÔØ
SCT9325STDR-¿É¿¿ÐÔ±¨¸æ R0.0.pdf 2024-11-07 µÇ¼ÏÂÔØ
SCT9325 Datasheet Rev_1.3 2024-12-16 ÏÂÔØ

²ÎÊý±ÈÕÕ

¼ÓÈë±ÈÕÕ
30V DC-DC½µÑ¹×ª»»Æ÷ DC-DC ½µÑ¹×ª»»Æ÷
±ÈÕÕ²ÎÊý
{{ goods }}
30V DC-DC½µÑ¹×ª»»Æ÷ DC-DC ½µÑ¹×ª»»Æ÷
{{ item.attr_name }} {{ vo }}
¡¾ÍøÕ¾µØÍ¼¡¿¡¾sitemap¡¿