½ðʨ¹ó±ö»á

¿ª¹ØµçÔ´ ¿ª¹ØµçÔ´

DC-DC ½µÑ¹×ª»»Æ÷

Step-down DCDC converter
SCT2A23STER ÕýÔÚ¹©»õ
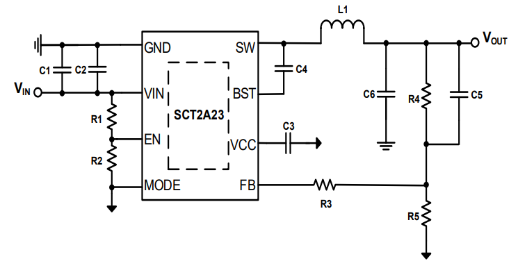
4.5V-100V 1.2A ͬ²½½µÑ¹/¸ôÀ뽵ѹ ת»»Æ÷
¼ÓÈ빺Îï³µ
SCT2A23STER
  • ²úÆ·ÏÈÈÝ
  • ÊÖÒÕ×ÊÁÏ
  • ²ÎÊý±ÈÕÕ

²úÆ·ÌØÕ÷

ÌØÕ÷£º
 
  • ¿íÊäÈëµçѹ£º4.5V-100V
  • 1.2AÒ»Á¬Êä³öµçÁ÷
  • 1.8A·åÖµµçÁ÷ÏÞÖÆ
  • ¼¯³É530mΩ¸ß²àºÍ220mΩµÍ²à¹¦ÂÊMOSFET
  • ʹÓÃVCC¶þ¼«¹Üʱ15uA¾²Ì¬µçÁ÷
  • ²»Ê¹ÓÃVCC¶þ¼«¹Üʱ160uA¾²Ì¬µçÁ÷
  • ¿ÉÑ¡ÔñPFM£¬£¬£¬£¬USM»òFPWMÊÂÇéģʽ
  • ÊÒÎÂÏÂ1.2V±1%·´Ïì²Î¿¼µçѹ
  • 4.3msÄÚ²¿ÈíÆô¶¯Ê±¼ä
  • 300kHzÀο¿¿ª¹ØÆµÂÊ
  • COT¿ØÖÆÄ£Ê½
  • Ç¿ÖÆPWMģʽ֧³Ö¸ôÀë½µÑ¹ÍØÆË½á¹¹
  • ¿Éµ÷ÀíµÄÊäÈëÇ·Ñ¹Ëø¶¨ãÐÖµ¼°ÑÓ³Ù
  • ÖðÖÜÆÚµçÁ÷ÏÞÖÆ
  • ¹ýѹ±£»£»£»£»£»£»¤
  • ¹ýα£»£»£»£»£»£»¤
  • ESOP-8·â×°
 
ÐÎò£º
SCT2A23ÊÇ1.2A½µÑ¹DCDCת»»Æ÷£¬£¬£¬£¬¾ßÓÐ4.5VÖÁ100VµÄ¿íÊäÈëµçѹ£¬£¬£¬£¬¼¯³ÉÁË530m?¸ß²àMOSFETºÍ220m?µÍ²àMOSFET ¡£¡£¡£¡£ ¡£¡£SCT2A23½ÓÄɺ㶨µ¼Í¨Ê±¼ä£¨COT£©Ä£Ê½¿ØÖÆ£¬£¬£¬£¬¾ßÓе䷶160uAµÍ¾²Ì¬µçÁ÷µÄPFMģʽ£¬£¬£¬£¬ÓÐÖúÓÚת»»Æ÷ÔÚÇáÔØ»ò´ý»úÌõ¼þÏÂʵÏÖ¸ßЧÂÊ ¡£¡£¡£¡£ ¡£¡£
SCT2A23ÔÚÇáÔØÊ±¿ÉÑ¡ÔñÊÂÇéģʽ£¬£¬£¬£¬Ñ¡ÔñÂö³åƵÂʵ÷ÖÆ£¨PFM£©ÒÔÔÚÇáÔØÊ±ÊµÏÖ¸ßЧÂÊ£¬£¬£¬£¬³¬Éù²¨Ä£Ê½£¨USM£©ÒÔÔڵ͸ºÔØÌõ¼þϽ«¿ª¹ØÆµÂʼá³ÖÔÚ¿ÉÌýƵÂÊÇøÓòÒÔÉÏ£¬£¬£¬£¬Ç¿ÖÆÂö³å¿í¶Èµ÷ÖÆ£¨FPWM£©ÒÔʵÏÖ½ÏСµÄÊä³öÎÆ²¨²¢Ö§³Ö¸ôÀë½µÑ¹ÍØÆË ¡£¡£¡£¡£ ¡£¡£
SCT2A23ÌṩÖðÖÜÆÚµçÁ÷ÏÞÖÆ±£»£»£»£»£»£»¤¡¢¹ýα£»£»£»£»£»£»¤¡¢Êä³ö¹ýѹ±£»£»£»£»£»£»¤ºÍ¹ýα£»£»£»£»£»£»¤ ¡£¡£¡£¡£ ¡£¡£¸ÃÆ÷¼þ½ÓÄÉESOP-8·â×° ¡£¡£¡£¡£ ¡£¡£
 
 
Ó¦Óãº
 
  • GPS tracker
  • µç¶¯×ÔÐгµ¡¢»¬°å³µ
  • BMS

·â×°ÐÅÏ¢

SCT2A23STER
+ -

²ÎÊý±ÈÕÕ

¼ÓÈë±ÈÕÕ
100V DC-DC½µÑ¹×ª»»Æ÷ DC-DC ½µÑ¹×ª»»Æ÷
±ÈÕÕ²ÎÊý
{{ goods }}
100V DC-DC½µÑ¹×ª»»Æ÷ DC-DC ½µÑ¹×ª»»Æ÷
{{ item.attr_name }} {{ vo }}
¡¾ÍøÕ¾µØÍ¼¡¿¡¾sitemap¡¿