½ðʨ¹ó±ö»á

¿ª¹ØµçÔ´ ¿ª¹ØµçÔ´

DC-DC ½µÑ¹×ª»»Æ÷

Step-down DCDC converter
SCT2651QDRBR ÕýÔÚ¹©»õ
4.5V-60V Vin, 5A, ¿Éµ÷ƵÂʵĸßЧÂʽµÑ¹DCDCת»»Æ÷
¼ÓÈ빺Îï³µ
SCT2651QDRBR
  • ²úÆ·ÏÈÈÝ
  • ÊÖÒÕ×ÊÁÏ
  • ²ÎÊý±ÈÕÕ

²úÆ·ÌØÕ÷

ÌØÕ÷£º
 
  • ¾ß±¸Æû³µÓ¦ÓÃ×ʸñ
  • AEC-Q100¼°¸ñ£¬£¬£¬£¬£¬Ð§¹ûÈçÏ£º
  • -Æ÷¼þÎÂ¶ÈÆ·¼¶1£º-40°CÖÁ125°CÇéÐÎÊÂÇéζȹæÄ£
  • ¿íÊäÈëµçѹ¹æÄ££º4.5V-60V
  • 5AÒ»Á¬Êä³öµçÁ÷
  • 0.8V±1%·´Ïì²Î¿¼µçѹ
  • ¼¯³É80mΩ¸ß²à¹¦ÂÊMOSFET
  • µÍ¾²Ì¬µçÁ÷£º175uA
  • ÇáÔØPSMÊÂÇéģʽ
  • 130ns×îСµ¼Í¨Ê±¼ä
  • ¿Éµ÷ÈíÆô¶¯Ê±¼ä
  • ¿Éµ÷¿ª¹ØÆµÂÊ100kHz-800kHz
  • ÍⲿʱÖÓÐźÅͬ²½
  • ¿Éµ÷ÀíµÄÊäÈëÇ·Ñ¹Ëø¶¨ãÐÖµ¼°ÑÓ³Ù
  • µÍѹ²îģʽ
  • Ö§³Ö¸ºÑ¹Êä³ö
  • ¹ýѹ±£»£»£»£»£»£»¤ºÍ¹ýα£»£»£»£»£»£»¤
  • ½ÓÄÉDFN-10L ·â×°
 
ÐÎò£º
 
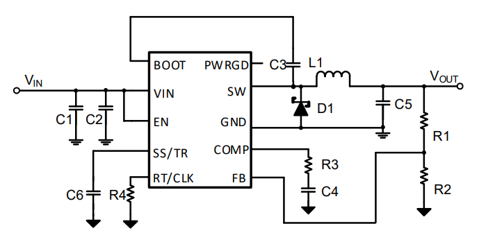
SCT2651QÊÇÒ»¿î5A½µÑ¹×ª»»Æ÷£¬£¬£¬£¬£¬¾ßÓÐ4.5VÖÁ60VµÄ¿íÊäÈëµçѹ¹æÄ££¬£¬£¬£¬£¬¼¯³ÉÁË80m?¸ß²àMOSFET¡£¡£¡£¡£¡£¡£SCT2651Q½ÓÄÉ·åÖµµçÁ÷ģʽ¿ØÖÆ£¬£¬£¬£¬£¬Ö§³ÖPSMÊÂÇéģʽ£¬£¬£¬£¬£¬¿É×ÊÖúת»»Æ÷ÔÚÇáÔØ»ò´ý»úÌõ¼þÏÂʵÏÖ¸ßЧÂÊ¡£¡£¡£¡£¡£¡£
SCT2651Q¾ßÓÐ100kHzÖÁ800KHzµÄ¿Éµ÷¿ª¹ØÆµÂÊ£¬£¬£¬£¬£¬Ê¹ÓÃÍⲿµç×èÆ÷£¬£¬£¬£¬£¬¿ÉÎÞаÓÅ»¯Ð§ÂÊ»òÍⲿ×é¼þ³ß´ç¡£¡£¡£¡£¡£¡£¸Ãת»»Æ÷Ö§³Ö100kHzÖÁ800KHzƵÂʵÄÍⲿʱÖÓͬ²½¡£¡£¡£¡£¡£¡£SCT2651QÔÊÐí´Ó¸ßÊäÈëµçѹµ½µÍÊä³öµçѹµÄ¹¦ÂÊת»»£¬£¬£¬£¬£¬¸ß²àMOSFETµÄ×îСµ¼Í¨Ê±¼äΪ130ns¡£¡£¡£¡£¡£¡£
¸Ã×°ÖÃÌṩ¿Éµ÷ÀíµÄÈíÆô¶¯Ê±¼ä£¬£¬£¬£¬£¬ÒÔ±ÜÃâÆô¶¯Ê±´úµÄÀËÓ¿µçÁ÷¡£¡£¡£¡£¡£¡£SCT2651Q¾ßÓÐÍⲿ»·Â·Åâ³¥¹¦Ð§£¬£¬£¬£¬£¬¿ÉÎÞаÓÅ»¯»·Â·ÎȹÌÐÔ»ò»·Â·ÏìÓ¦¡£¡£¡£¡£¡£¡£
SCT2651QÌṩÖðÖÜÆÚµçÁ÷ÏÞÖÆ¡¢¹ýα£»£»£»£»£»£»¤¡¢Êä³ö¹ýѹ±£»£»£»£»£»£»¤ºÍÊäÈëǷѹ±£»£»£»£»£»£»¤¡£¡£¡£¡£¡£¡£¸ÃÆ÷¼þ½ÓÄÉ4mm*4mm 10½ÅDFN·â×°¡£¡£¡£¡£¡£¡£
 
 
Ó¦Óãº
 
  • 12V¡¢24V¡¢48V¹¤ÒµºÍµçÐŵçԴϵͳ
  • ¹¤Òµ×Ô¶¯»¯ºÍµç»ú¿ØÖÆ
  • ³µÁ¾Åä¼þ

·â×°ÐÅÏ¢

SCT2651QDRBR
+ -

ÊÖÒÕ×ÊÁÏ

ÎÊÌâ ʱ¼ä ÏÂÔØ
SCT2651Q Datasheet Rev 1.1 2024-12-16 ÏÂÔØ

²ÎÊý±ÈÕÕ

¼ÓÈë±ÈÕÕ
60V DC-DC½µÑ¹×ª»»Æ÷ DC-DC ½µÑ¹×ª»»Æ÷
±ÈÕÕ²ÎÊý
{{ goods }}
60V DC-DC½µÑ¹×ª»»Æ÷ DC-DC ½µÑ¹×ª»»Æ÷
{{ item.attr_name }} {{ vo }}
¡¾ÍøÕ¾µØÍ¼¡¿¡¾sitemap¡¿