²úÆ·ÖÐÐÄ
| ÎÊÌâ | ʱ¼ä | ÏÂÔØ |
|---|---|---|
| SCT2653 Datasheet Rev 1.1 | 2024-12-16 |
|
| ±ÈÕÕ²ÎÊý |
{{ goods }}
|
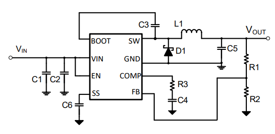
60V DC-DC½µÑ¹×ª»»Æ÷ DC-DC ½µÑ¹×ª»»Æ÷
|
|---|---|---|
| {{ item.attr_name }} | {{ vo }} |