½ðʨ¹ó±ö»á

ÏßÐÔµçÔ´ ÏßÐÔµçÔ´
SCT71005A01QTWDR ²¹»õÖÐ
2.2V-6V Vin,500mA,µÍѹ²îÏßÐÔÎÈѹÆ÷
¼ÓÈ빺Îï³µ
SCT71005A01QTWDR
  • ²úÆ·ÏÈÈÝ
  • ÊÖÒÕ×ÊÁÏ
  • ²ÎÊý±ÈÕÕ

²úÆ·ÌØÕ÷

ÌØÕ÷£º
 
  • ¾ß±¸Æû³µÓ¦ÓÃ×ʸñ
  • ͨ¹ýAEC-Q100ÈÏÖ¤£¬£¬Ð§¹ûÈçÏ£º
  • ×°±¸Î¶È1¼¶£º-40°C to 125°C
  • ÇéÐÎÊÂÇéζȹæÄ£
  • ×°±¸HBM ESD ·ÖÀàÆ·¼¶H3A
  • ×°±¸CDM ESD ·ÖÀàÆ·¼¶C3
  • ¿íÊäÈëµçѹ£º2.2V-6V
  • ×î´óÊä³öµçÁ÷£º500mA
  • Êä³öµçѹ£º0.7V~5V
  • ·´Ïìµçѹ¾«¶È£º
  • TJ= 25¡æ : ±1%£»£»£»£»TJ= -40¡æ~ 125¡æ :±2%
  • µÍ¾²Ì¬µçÁ÷£º8uA
  • ³¬µÍ¹Ø¶ÏµçÁ÷£º0.02uA
  • µÍ©ʧµçѹ£º
  • ´øÔØ200mAʱ54mV
  • ´øÔØ500mAʱ143mV
  • Ö§³ÖÊä³öµçÈݹæÄ££º
  • 2.2uF~220uF
  • µÍESR£º0.001Ω~5Ω
  • 2.05msÄÚ²¿ÈíÆð¶¯Ê±¼ä
  • ¼¯³É¹ýα£»£»£»£»¤¹¦Ð§¡¢´øµçÁ÷ÕÛ·µµÄ¹ýÁ÷±£»£»£»£»¤¹¦Ð§ÒÔ¼°Êä³ö·Åµç¹¦Ð§
  • ´øÓÐEN¹Ü½Å
  • SOT23-5·â×°
 
 
ÐÎò£º
 
SCT71005A01QϵÁвúÆ·ÊÇÒ»¿îµÍѹ²îÏßÐÔÎÈѹÆ÷£¬£¬Éè¼Æ´øÓÐEN¹¦Ð§£¬£¬ÓµÓÐ2.2VÖÁ6VµÄ¿íÊäÈëµçѹ¹æÄ££¬£¬¿ÉÖ§³Ö×î´ó500mAµÄÊä³öµçÁ÷Ó¦Óᣡ£¡£¡£Êä³öµçÈÝÔÚ2.2uF~220uF¹æÄ£ÄÚ²úÆ·ÊÂÇéÎȹÌ£¬£¬ÍƼöֵΪ10uFµÄÌմɵçÈÝ¡£¡£¡£¡£
SCT71005A01QϵÁвúÆ·ÔÚÇá¸ºÔØÏÂÖ»ÓÐ8uAµÄµä·¶¾²Ì¬µçÁ÷£¬£¬ÊÇ´øµç³ØµÄ±ãЯʽװ±¸µÄÀíÏëÑ¡Ôñ£¬£¬Ò²ÊÇΪ³£¿£¿£¿£¿£¿ªÏµÍ³ÖеÄMCUÓëCAN/LINÊÕ·¢Æ÷¹©µçµÄ×î¼Ñ½â¾ö¼Æ»®¡£¡£¡£¡£
SCT71005A01QϵÁвúÆ·¼¯³ÉÁ˶Ì·±£»£»£»£»¤¹¦Ð§ºÍ´øµçÁ÷ÕÛ·µµÄ¹ýÁ÷±£»£»£»£»¤¹¦Ð§£¬£¬Ê¹×°±¸ÔÚ˲¼ä¸ß¸ºÔعÊÕÏ»ò±¬·¢¶Ì·µÄÇéÐÎÏÂÔ½·¢¿É¿¿¡£¡£¡£¡£
SCT71005A01QϵÁвúÆ·¿ÉÌṩ·´ÏìµçѹΪ0.7VµÄ¿Éµ÷Êä³öµçѹ°æ±¾¡£¡£¡£¡£
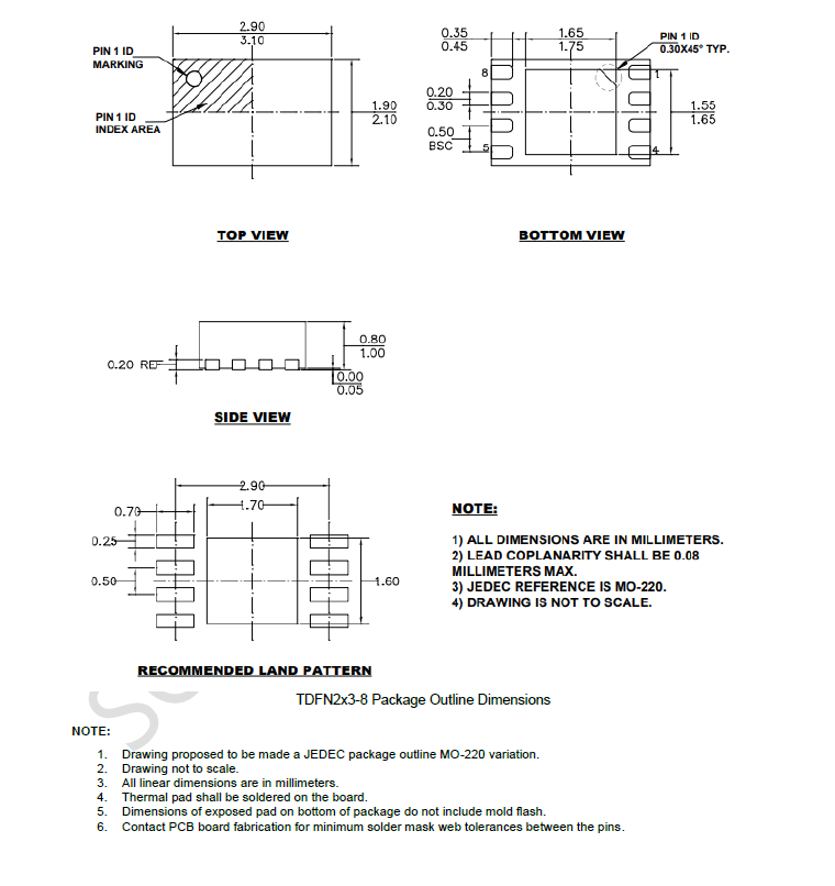
SCT71005A01QϵÁвúƷΪSOT23-5·â×°¡£¡£¡£¡£
 
 
Ó¦Óãº
 
  • µç³Ø¹©µçϵͳ
  • Æû³µÐÅÏ¢ÓéÀÖϵͳ
  • µ¼º½ÏµÍ³
  • ±ãЯʽװ±¸

·â×°ÐÅÏ¢

SCT71005A01QTWDR
SCT71005A01QTWDR
SCT71005A01QTWDR
SCT71005A01QTWDR
+ -

ÊÖÒÕ×ÊÁÏ

ÎÊÌâ ʱ¼ä ÏÂÔØ
SCT71005Q Datasheet Rev 1.1 2025-01-13 ÏÂÔØ

²ÎÊý±ÈÕÕ

¼ÓÈë±ÈÕÕ
µÍѹ LDO ÏßÐÔµçÔ´
±ÈÕÕ²ÎÊý
{{ goods }}
µÍѹ LDO ÏßÐÔµçÔ´
{{ item.attr_name }} {{ vo }}
¡¾ÍøÕ¾µØÍ¼¡¿¡¾sitemap¡¿