½ðʨ¹ó±ö»á

ÏßÐÔµçÔ´ ÏßÐÔµçÔ´
SCT71010A00QDTBR ÕýÔÚ¹©»õ
2.2V-5.5V Vin,1A,µÍѹ²îÏßÐÔÎÈѹÆ÷
¼ÓÈ빺Îï³µ
SCT71010A00QDTBR
  • ²úÆ·ÏÈÈÝ
  • ÊÖÒÕ×ÊÁÏ
  • ²ÎÊý±ÈÕÕ

²úÆ·ÌØÕ÷

ÌØÕ÷£º
 
  • ¾ß±¸Æû³µÓ¦ÓÃ×ʸñ
  • ͨ¹ýAEC-Q100ÈÏÖ¤£¬£¬£¬Ð§¹ûÈçÏ£º
  • ×°±¸Î¶È1¼¶£º-40°C to 125°C
  • ÇéÐÎÊÂÇéζȹæÄ£
  • ×°±¸HBM ESD ·ÖÀàÆ·¼¶H3A
  • ×°±¸CDM ESD ·ÖÀàÆ·¼¶C3
  • ¿íÊäÈëµçѹ£º2.2V-5.5V
  • ×î´óÊä³öµçÁ÷£º1A
  • Êä³öµçѹ£º0.8V~5.5V
  • ·´Ïìµçѹ¾«¶È£º
  • TJ= 25¡æ : ±1%£»£»TJ= -40¡æ~ 125¡æ :±2%
  • µÍ¾²Ì¬µçÁ÷£º8uA
  • ³¬µÍ¹Ø¶ÏµçÁ÷£º0.02uA
  • µÍ©ʧµçѹ£º
  • ´øÔØ200mAʱ54mV
  • ´øÔØ500mAʱ143mV
  • Ö§³ÖÊä³öµçÈݹæÄ££º
  • 2.2uF~220uF
  • µÍESR£º0.001Ω~5Ω
  • 2.2msÄÚ²¿ÈíÆð¶¯Ê±¼ä
  • ¼¯³É¹ýα£»£»¤¹¦Ð§¡¢´øµçÁ÷ÕÛ·µµÄ¹ýÁ÷±£»£»¤¹¦Ð§ÒÔ¼°Êä³ö·Åµç¹¦Ð§
  • ´øÓÐENÓëPG¹Ü½Å
  • TDFN3x3-8·â×°
 
ÐÎò£º
 
SCT71010A00QϵÁвúÆ·ÊÇÒ»¿îµÍѹ²îÏßÐÔÎÈѹÆ÷£¬£¬£¬Éè¼Æ´øÓÐEN¹¦Ð§£¬£¬£¬ÓµÓÐ2.2VÖÁ5.5VµÄ¿íÊäÈëµçѹ¹æÄ££¬£¬£¬¿ÉÖ§³Ö×î´ó1AµÄÊä³öµçÁ÷Ó¦Óᣡ£¡£¡£Êä³öµçÈÝÔÚ2.2uF~220uF¹æÄ£ÄÚ²úÆ·ÊÂÇéÎȹ̣¬£¬£¬ÍƼöֵΪ10uFµÄÌմɵçÈÝ¡£¡£¡£¡£
SCT71010A00QϵÁвúÆ·ÔÚÇá¸ºÔØÏÂÖ»ÓÐ8uAµÄµä·¶¾²Ì¬µçÁ÷£¬£¬£¬ÊÇ´øµç³ØµÄ±ãЯʽװ±¸µÄÀíÏëÑ¡Ôñ£¬£¬£¬Ò²ÊÇΪ³£¿£¿£¿£¿£¿ªÏµÍ³ÖеÄMCUÓëCAN/LINÊÕ·¢Æ÷¹©µçµÄ×î¼Ñ½â¾ö¼Æ»®¡£¡£¡£¡£
SCT71010A00QϵÁвúÆ·¼¯³ÉÁ˶Ì·±£»£»¤¹¦Ð§ºÍ´øµçÁ÷ÕÛ·µµÄ¹ýÁ÷±£»£»¤¹¦Ð§£¬£¬£¬Ê¹×°±¸ÔÚ˲¼ä¸ß¸ºÔعÊÕÏ»ò±¬·¢¶Ì·µÄÇéÐÎÏÂÔ½·¢¿É¿¿¡£¡£¡£¡£
SCT71010A00QϵÁвúÆ·´øÓÐPG¹¦Ð§£¬£¬£¬¿ÉָʾÊä³öµçѹ״̬¡£¡£¡£¡£¸ÃÒý½ÅµÄÊä³ö¿ÉÒÔÓÃÓÚÉϵçʱÐò»ò×÷Ϊ΢¿ØÖÆÆ÷µÄ¸´Î»ÐźÅ¡£¡£¡£¡£
SCT71010A00QϵÁвúÆ·¿ÉÌṩ·´ÏìµçѹΪ0.8VµÄ¿Éµ÷Êä³öµçѹ°æ±¾£¬£¬£¬´øÓÐÊä³ö·Åµç¹¦Ð§¡£¡£¡£¡£
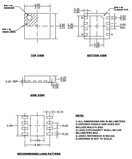
SCT71010A00QϵÁвúƷΪTDFN3x3-8·â×°¡£¡£¡£¡£
 
 
Ó¦Óãº
 
  • µç³Ø¹©µçϵͳ
  • Æû³µÐÅÏ¢ÓéÀÖϵͳ
  • µ¼º½ÏµÍ³
  • ±ãЯʽװ±¸

·â×°ÐÅÏ¢

SCT71010A00QDTBR
+ -

ÊÖÒÕ×ÊÁÏ

ÎÊÌâ ʱ¼ä ÏÂÔØ
SCT71010A00Q Datasheet Rev 1.0 2024-12-18 ÏÂÔØ

²ÎÊý±ÈÕÕ

¼ÓÈë±ÈÕÕ
µÍѹ LDO ÏßÐÔµçÔ´
±ÈÕÕ²ÎÊý
{{ goods }}
µÍѹ LDO ÏßÐÔµçÔ´
{{ item.attr_name }} {{ vo }}
¡¾ÍøÕ¾µØÍ¼¡¿¡¾sitemap¡¿