½ðʨ¹ó±ö»á

ÏßÐÔµçÔ´ ÏßÐÔµçÔ´
SCT71401F33TWDR ÕýÔÚ¹©»õ
3V-40V Vin,150mA,2.5uA Iq,µÍѹ²îÏßÐÔÎÈѹÆ÷
ÏÂÔØdatasheet
¼ÓÈ빺Îï³µ
SCT71401F33TWDR
  • ²úÆ·ÏÈÈÝ
  • ÊÖÒÕ×ÊÁÏ
  • ²ÎÊý±ÈÕÕ

²úÆ·ÌØÕ÷

ÌØÕ÷£º
 
  • ¿íÊäÈëµçѹ£º3V-40V
  • Ö§³Ö¸ß´ï45VµÄ˲̬ÊäÈëµçѹ
  • ×î´óÊä³öµçÁ÷£º150mA
  • Êä³öµçѹ£º3.3V,5V
  • Êä³öµçѹ¾«¶È£º
  • TJ= 25¡æ : ±1%£»£»£»TJ= -40¡æ~ 125¡æ :±2%
  • µÍ¾²Ì¬µçÁ÷£º2.5uA
  • µÍ©ʧµçѹ£º
  • ´øÔØ50mAʱ204mV
  • ´øÔØ150mAʱ643mV
  • Ö§³ÖÊä³öµçÈݹæÄ££º
  • 2.2uF~220uF
  • µÍESR£º0.001Ω~5Ω
  • 660usÄÚ²¿ÈíÆð¶¯Ê±¼ä
  • ¼¯³É¹ýα£»£»£»¤¹¦Ð§ÒÔ¼°´øµçÁ÷ÕÛ·µµÄ¹ýÁ÷±£»£»£»¤¹¦Ð§
  • SOT23-5/SOT23-3/SOT89-3·â×°
 
 
ÐÎò£º
 
SCT71401FxxϵÁвúÆ·ÊÇÒ»¿îµÍѹ²îÏßÐÔÎÈѹÆ÷£¬£¬£¬£¬£¬£¬ÓµÓÐ3VÖÁ40VµÄ¿íÊäÈëµçѹ¹æÄ££¬£¬£¬£¬£¬£¬Ö§³Ö¸ß´ï45VµÄ˲̬ÊäÈëµçѹ£¬£¬£¬£¬£¬£¬¿ÉÖ§³Ö×î´ó150mAµÄÊä³öµçÁ÷Ó¦Óᣡ£¡£¡£¡£¡£Êä³öµçÈÝÔÚ3.3uF~220uF¹æÄ£ÄÚ²úÆ·ÊÂÇéÎȹ̣¬£¬£¬£¬£¬£¬ÍƼöֵΪ10uFµÄÌմɵçÈÝ¡£¡£¡£¡£¡£¡£
SCT71401FxxϵÁвúÆ·ÔÚÇá¸ºÔØÏÂÖ»ÓÐ2.5uAµÄµä·¶¾²Ì¬µçÁ÷£¬£¬£¬£¬£¬£¬ÊÇ´øµç³ØµÄ±ãЯʽװ±¸µÄÀíÏëÑ¡Ôñ£¬£¬£¬£¬£¬£¬Ò²ÊÇΪ³£¿£¿£¿£¿ªÏµÍ³ÖеÄMCUÓëCAN/LINÊÕ·¢Æ÷¹©µçµÄ×î¼Ñ½â¾ö¼Æ»®¡£¡£¡£¡£¡£¡£
SCT71401FxxϵÁвúÆ·¼¯³ÉÁ˶Ì·±£»£»£»¤¹¦Ð§ºÍ´øµçÁ÷ÕÛ·µµÄ¹ýÁ÷±£»£»£»¤¹¦Ð§£¬£¬£¬£¬£¬£¬Ê¹×°±¸ÔÚ˲¼ä¸ß¸ºÔعÊÕÏ»ò±¬·¢¶Ì·µÄÇéÐÎÏÂÔ½·¢¿É¿¿¡£¡£¡£¡£¡£¡£
SCT71401FxxϵÁвúÆ·¿ÉÌṩÀο¿µÄ3.3V¡¢5VÊä³öµçѹ°æ±¾¡£¡£¡£¡£¡£¡£
SCT71401FxxϵÁвúÆ·ÓÐSOT23-5¡¢SOT23-3ºÍSOT89-3·â×°¡£¡£¡£¡£¡£¡£
 
 
Ó¦Óãº
 
  • ´øµç³ØµÄÊÖ³Ö×°±¸
  • POSºÍµç¶¯¹¤¾ß
  • ÒDZíºÍÑÌÎí̽²âÆ÷
  • ¹¤Òµ¿ØÖÆ

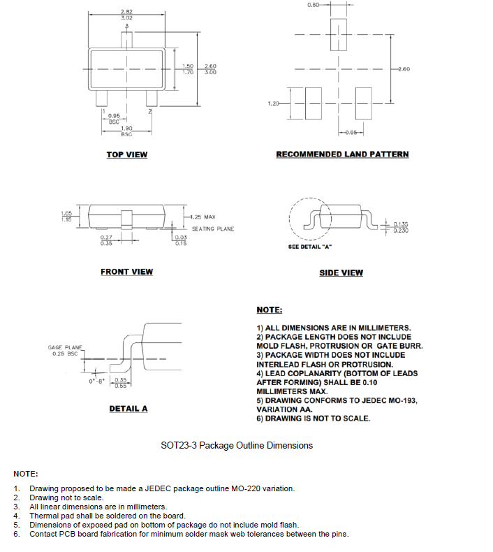
·â×°ÐÅÏ¢

SCT71401F33TWDR
SCT71401F33TWDR
SCT71401F33TWDR
+ -

ÊÖÒÕ×ÊÁÏ

ÎÊÌâ ʱ¼ä ÏÂÔØ
SCT71401Fxx Datasheet Rev 1.3 2024-10-24 ÏÂÔØ
SCT71401FxxTWDR-¿É¿¿ÐÔ±¨¸æ041026 R1.0.pdf 2024-11-07 µÇ¼ÏÂÔØ

²ÎÊý±ÈÕÕ

¼ÓÈë±ÈÕÕ
¸ßѹ LDO ÏßÐÔµçÔ´
±ÈÕÕ²ÎÊý
{{ goods }}
¸ßѹ LDO ÏßÐÔµçÔ´
{{ item.attr_name }} {{ vo }}
¡¾ÍøÕ¾µØÍ¼¡¿¡¾sitemap¡¿