½ðʨ¹ó±ö»á

¿ª¹ØµçÔ´ ¿ª¹ØµçÔ´

DC-DC ½µÑ¹×ª»»Æ÷

Step-down DCDC converter
SCT2120QFTAR ÕýÔÚ¹©»õ
2.8V-5.5V Vin 2Aͬ²½½µÑ¹×ª»»Æ÷
¼ÓÈ빺Îï³µ
SCT2120QFTAR
  • ²úÆ·ÏÈÈÝ
  • ÊÖÒÕ×ÊÁÏ
  • ²ÎÊý±ÈÕÕ

²úÆ·ÌØÕ÷

ÌØÕ÷£º
 
  • ¾ß±¸Æû³µÓ¦ÓÃ×ʸñ
  • AEC-Q100¼°¸ñ£¬£¬£¬£¬Ð§¹ûÈçÏ£º
  • -Æ÷¼þÎÂ¶ÈÆ·¼¶1£º-40¡æÖÁ125¡æÇéÐÎÊÂÇéζȹæÄ£
  • ÊäÈëµçѹ¹æÄ££º2.8V-5.5V
  • Êä³öµçÁ÷2A 
  • µÍ¹Ø¶ÏµçÁ÷£º0.05uA
  • µÍ¾²Ì¬µçÁ÷£º38uA
  • 0.6V±1%·´Ïì²Î¿¼µçѹ
  • 1.5MHz¿ª¹ØÆµÂÊ
  • ¼¯³É80mΩ¸ß²à¹¦ÂÊMOSFETºÍ50mΩµÍ²à¹¦ÂÊMOSFET
  • 100%Õ¼¿Õ±Èģʽ
  • ¿ÉÉèÖÃÊä³öµçѹ£º0.6V-5V
  • Êä³öµçѹ·Åµç¹¦Ð§
  • 1.2msÄÚ²¿ÈíÆô¶¯Ê±¼ä
  • PGOOD¹¦Ð§
  • ¼¯³É±£»£»£»£»£»£»¤¹¦Ð§£º
    • -ÖðÖÜÆÚµçÁ÷ÏÞÖÆ
    • -Ç·Ñ¹Ëø¶¨
    • -¹ýÔØ´òàñ£»£»£»£»£»£»¤
    • -¹ýα£»£»£»£»£»£»¤£º160¡æ
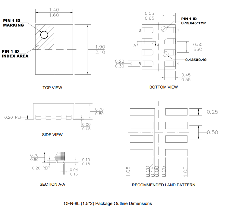
  • ½ÓÄÉQFN-8L 1.5mm*2mm ·â×°
  • ½ÓÄÉ¿ÉʪÈó²àÒí·â×°
 
 
ÐÎò£º
 
SCT2120QÊÇÒ»¿î½µÑ¹×ª»»Æ÷£¬£¬£¬£¬ÄÚ²¿¼¯ÀÖ³ÉÂÊMOSFET¡£¡£¡£¸ÃÆ÷¼þÔÚ2.8VÖÁ5.5VµÄÊäÈëµçѹ¹æÄ£ÄÚʵÏÖ2AµÄÒ»Á¬Êä³öµçÁ÷£¬£¬£¬£¬¾ßÓо«²ÊµÄ¸ºÔغÍÊäÈëÏßÐÔµ÷ÀíÄÜÁ¦¡£¡£¡£Êä³öµçѹ×îµÍ¿Éµ÷ÖÁ0.6V¡£¡£¡£
ºã¶¨µ¼Í¨Ê±¼ä£¨COT£©¿ØÖÆÌṩÁË¿ìËٵĶ¯Ì¬ÏìÓ¦£¬£¬£¬£¬²¢¼ò»¯ÁË·´Ïì»ØÂ·¡£¡£¡£¹ÊÕϱ£»£»£»£»£»£»¤°üÀ¨ÖðÖÜÏÞÆÚÁ÷ºÍ¹ýα£»£»£»£»£»£»¤µÈ¡£¡£¡£
SCT2120QÔڵ͹¦ºÄģʽÏÂÔËÐУ¬£¬£¬£¬ÔÚÇáÔØÔËÐÐʱ´ú¼á³Ö¸ßЧÂÊ¡£¡£¡£Ëü°üÀ¨ÖÜÈ«µÄ±£»£»£»£»£»£»¤¹¦Ð§£¬£¬£¬£¬Èç¹ýµçÁ÷±£»£»£»£»£»£»¤¡¢Êä³öǷѹ±£»£»£»£»£»£»¤¡¢ÊäÈëÇ·Ñ¹Ëø¶¨ºÍ¹ýα£»£»£»£»£»£»¤¡£¡£¡£
SCT2120Q½öÐèÒªºÜÉÙÊýÄ¿µÄÍâΧÆ÷¼þ£¬£¬£¬£¬²¢½ÓÄɽÚÔ¼¿Õ¼äµÄQFN-8L1.5mm*2mm·â×°¡£¡£¡£
 
 
Ó¦Óãº
 
  • ÓéÀÖϵͳ
  • µç³Ø¹©µç×°±¸
  • ¹Ì̬Çý¶¯Æ÷

·â×°ÐÅÏ¢

SCT2120QFTAR
+ -

ÊÖÒÕ×ÊÁÏ

ÎÊÌâ ʱ¼ä ÏÂÔØ
SCT2120Q_datasheet_Rev 0.83 2024-12-12 ÏÂÔØ

²ÎÊý±ÈÕÕ

¼ÓÈë±ÈÕÕ
5V DC-DC½µÑ¹×ª»»Æ÷ DC-DC ½µÑ¹×ª»»Æ÷
±ÈÕÕ²ÎÊý
{{ goods }}
5V DC-DC½µÑ¹×ª»»Æ÷ DC-DC ½µÑ¹×ª»»Æ÷
{{ item.attr_name }} {{ vo }}
¡¾ÍøÕ¾µØÍ¼¡¿¡¾sitemap¡¿