½ðʨ¹ó±ö»á

ÏßÐÔµçÔ´ ÏßÐÔµçÔ´
SCT71005A03QTWDR ÕýÔÚ¹©»õ
2.2V-6V Vin,500mA,µÍѹ²îÏßÐÔÎÈѹÆ÷
¼ÓÈ빺Îï³µ
SCT71005A03QTWDR
  • ²úÆ·ÏÈÈÝ
  • ÊÖÒÕ×ÊÁÏ
  • ²ÎÊý±ÈÕÕ

²úÆ·ÌØÕ÷

ÌØÕ÷£º

• ÇÐºÏÆû³µÓ¦Óñê×¼
• Í¨¹ýAEC-Q100ÈÏÖ¤£¬£¬£¬£¬£¬ £¬Ïêϸָ±êÈçÏ£º
  •  Æ÷¼þÎÂ¶ÈÆ·¼¶1£º-40°CÖÁ125°C
• ¿íÊäÈëµçѹ¹æÄ££º1.7V-6V
(SCT71005A01QÐͺÅΪ2.2V-6V)
• ×î´óÊä³öµçÁ÷£º500mA
• Êä³öµçѹ£º
? 1.2V¡¢1.8V¼°3.3V£¨Àο¿Êä³öÊé¼®£©
? 0.7V~5V£¨¿Éµ÷Êä³öÊé¼®-SCT71005A01Q£©
? 0.5V~5V£¨¿Éµ÷Êä³öÊé¼®-SCT71005A02Q£©
• Êä³öµçѹ¾«¶È£º
? ½áÎÂ25¡æÊ±£º±1%
? ½áÎÂ-40¡æ~125¡æÊ±£º±2%
• µÍ¾²Ì¬µçÁ÷£º8μA
• ³¬µÍ¹Ø¶ÏµçÁ÷£º0.02μA
• µÍѹ²îµçѹ£¨¿Éµ÷Êä³öÊé¼®£©£º
? ¸ºÔصçÁ÷200mAʱ£º54mV
? ¸ºÔصçÁ÷500mAʱ£º143mV
• Ö§³ÖÊä³öµçÈݹæÄ££º
? 2.2μF~220μF
? µÍµÈЧ´®Áªµç×裺0.001Ω~5Ω
• 1.4msÄÚ²¿ÈíÆô¶¯Ê±¼ä£¨²Î¿¼µçѹ=500mV£©
• 2.05msÄÚ²¿ÈíÆô¶¯Ê±¼ä£¨²Î¿¼µçѹ=700mV£©
• ¼¯³É¶Ì·±£»£»¤¹¦Ð§£¨´ø¹ýÁ÷ÕÛ·µÌØÕ÷£©
• ¹ýα£»£»¤
• ¾ß±¸µçÔ´Í£µ±Ö¸Ê¾¹¦Ð§
• ×Ô¶¯Êä³ö·Åµç
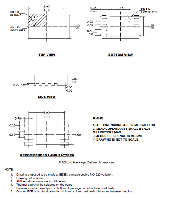
• ¿ÉÑ¡·â×°£ºSOT23-5/ DFN2x2-6/ DFN2x3-8



ÐÎò£º

SCT71005QϵÁвúÆ·ÊÇÒ»¿îµÍѹ²îÏßÐÔÎÈѹÆ÷£¬£¬£¬£¬£¬ £¬Éè¼ÆÓÃÓÚ1.7VÖÁ6VµÄ¿íÊäÈëµçѹ¹æÄ££¬£¬£¬£¬£¬ £¬Ìṩ500mAÊä³öµçÁ÷£¬£¬£¬£¬£¬ £¬²¢¾ß±¸Ê¹ÄÜ¿ØÖƺ͵çÔ´Í£µ±¹¦Ð§¡£¡£¡£¡£¡£¡£

¸ÃϵÁвúÆ·ÔÚ2.2μFÖÁ220μFµÄÊä³öµçÈÝÏ¿ÉÎȹÌÊÂÇ飬£¬£¬£¬£¬ £¬½¨ÒéʹÓÃ10μFÌմɵçÈÝ¡£¡£¡£¡£¡£¡£

ÆäÔÚÇáÔØÊ±µä·¶¾²Ì¬µçÁ÷½öΪ8μA£¬£¬£¬£¬£¬ £¬Ê¹Æä³ÉΪµç³Ø¹©µç±ãЯװ±¸µÄÀíÏëÑ¡Ôñ£¬£¬£¬£¬£¬ £¬²¢ÇÒÊÇΪ³£¿£¿£¿£¿ £¿£¿ªÏµÍ³ÖеÄ΢¿ØÖÆÆ÷¼°CAN/LINÊÕ·¢Æ÷¹©µçµÄÓÅÑ¡¼Æ»®¡£¡£¡£¡£¡£¡£

SCT71005QϵÁвúÆ·¼¯³ÉÁ˵çÔ´Í£µ±µç·£¬£¬£¬£¬£¬ £¬ÓÃÓÚָʾÊä³öµçѹ´¦ÓÚÎȹ̵÷Àí״̬¡£¡£¡£¡£¡£¡£¸ÃÐźſÉÓÃÓÚµçԴʱÐò¿ØÖÆ»ò×÷Ϊ΢¿ØÖÆÆ÷¸´Î»ÐźÅ¡£¡£¡£¡£¡£¡£

¸ÃϵÁвúÆ·¼¯³ÉÁË´ø¹ýÁ÷ÕÛ·µÌØÕ÷µÄ¶Ì·ºÍ¹ýÁ÷±£»£»¤¹¦Ð§£¬£¬£¬£¬£¬ £¬Ê¹ÆäÔÚ˲̬¸ß¸ºÔصçÁ÷¹ÊÕÏ»ò¶Ì·ÊÂÎñʱ´úÔ½·¢¿É¿¿¡£¡£¡£¡£¡£¡£

SCT71005QϵÁвúÆ·Ìṩ1.2V¡¢1.8VºÍ3.3VÀο¿Êä³öµçѹ°æ±¾£¬£¬£¬£¬£¬ £¬Ò²¿ÉÌṩ·´ÏìµçѹΪ0.7V¡¢0.5VµÄ¿Éµ÷Êä³öµçѹ°æ±¾¡£¡£¡£¡£¡£¡£

¸ÃϵÁвúÆ·ÌṩSOT23-5¡¢DFN2x2-6ºÍDFN2x3-8·â×°£¬£¬£¬£¬£¬ £¬ÈçÐèÆäËû·â×°Ñ¡Ï£¬£¬£¬£¬ £¬ÇëÁªÏµSCTÏúÊÛ²¿·Ö¡£¡£¡£¡£¡£¡£


Ó¦Óãº

• µç³Ø¹©µçϵͳ
• Æû³µÐÅÏ¢ÓéÀÖϵͳ
• µ¼º½ÏµÍ³
• ±ãЯʽװ±¸

·â×°ÐÅÏ¢

SCT71005A03QTWDR
+ -

ÊÖÒÕ×ÊÁÏ

ÎÊÌâ ʱ¼ä ÏÂÔØ
SCT71005Q Datasheet Rev 1.2 2024-10-24 ÏÂÔØ

²ÎÊý±ÈÕÕ

¼ÓÈë±ÈÕÕ
µÍѹ LDO ÏßÐÔµçÔ´
±ÈÕÕ²ÎÊý
{{ goods }}
µÍѹ LDO ÏßÐÔµçÔ´
{{ item.attr_name }} {{ vo }}
¡¾ÍøÕ¾µØÍ¼¡¿¡¾sitemap¡¿