½ðʨ¹ó±ö»á

¿ª¹ØµçÔ´ ¿ª¹ØµçÔ´

DC-DC ½µÑ¹×ª»»Æ÷

Step-down DCDC converter
SCT2130QFTAR ÕýÔÚ¹©»õ
2.8V-6V Vin 3Aͬ²½½µÑ¹×ª»»Æ÷
¼ÓÈ빺Îï³µ
SCT2130QFTAR
  • ²úÆ·ÏÈÈÝ
  • ÊÖÒÕ×ÊÁÏ
  • ²ÎÊý±ÈÕÕ

²úÆ·ÌØÕ÷

ÌØÕ÷£º
 
  • AEC-Q100¼°¸ñ
  • ÊäÈëµçѹ¹æÄ££º2.8V-6V
  • Êä³öµçÁ÷3A 
  • µÍ¹Ø¶ÏµçÁ÷£º0.7uA
  • 0.6V±1.1%·´Ïì²Î¿¼µçѹ
  • 2.1MHz¿ª¹ØÆµÂÊ
  • ¼¯³É25mΩ¸ß²à¹¦ÂÊMOSFETºÍ20mΩµÍ²à¹¦ÂÊMOSFET
  • ¿ÉÉèÖÃÊä³öµçѹ£º0.6V-5V
  • Êä³öµçѹ·Åµç¹¦Ð§
  • ¿Éµ÷ÀíÈíÆô¶¯Ê±¼ä
  • PGOOD¹¦Ð§
  • ¼¯³É±£»£» £»£»¤¹¦Ð§£º
    • -ÖðÖÜÆÚµçÁ÷ÏÞÖÆ
    • -Ç·Ñ¹Ëø¶¨
    • -¹ýÔØ´òàñ£»£» £»£»¤
    • -¹ýα£»£» £»£»¤£º160¡æ
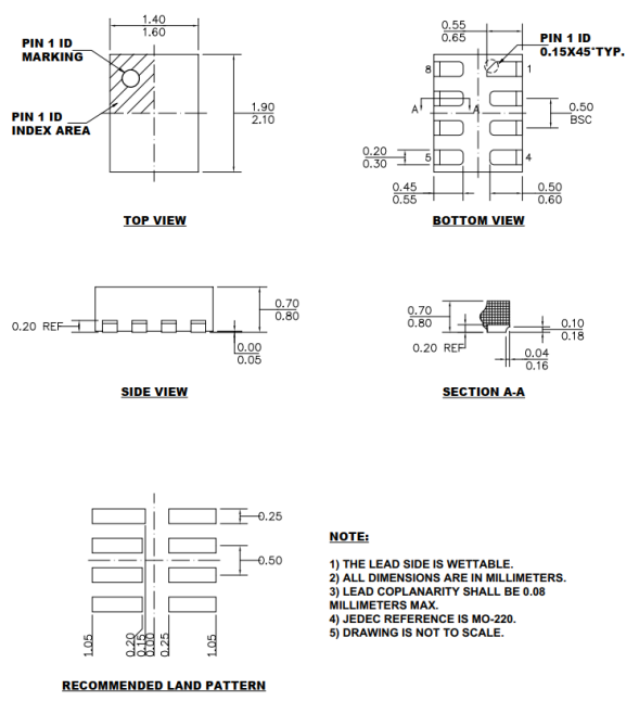
  • ½ÓÄÉQFN-8L 1.5mm*2mm ·â×°
  • ½ÓÄÉ¿ÉʪÈó²àÒí·â×°
 
 
ÐÎò£º
 
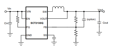
SCT2130QÊÇÒ»¿î½µÑ¹×ª»»Æ÷£¬£¬£¬ÄÚ²¿¼¯³É25m?¸ßѹ²àºÍ20mΩµÍѹ²à¹¦ÂÊMOSFET¡£¡£¡£¡£¡£¡£¸Ã×°±¸ÔÚ2.8VÖÁ6VµÄÊäÈëµçѹ¹æÄ£ÄÚʵÏÖÁË3AµÄÒ»Á¬Êä³öµçÁ÷£¬£¬£¬¾ßÓо«²ÊµÄ¸ºÔغÍÊäÈëÏßÐÔµ÷ÀíÄÜÁ¦¡£¡£¡£¡£¡£¡£Êä³öµçѹ×îµÍ¿Éµ÷ÖÁ0.6V¡£¡£¡£¡£¡£¡£
SCT2130Q½ÓÄɺ㶨µ¼Í¨Ê±¼ä£¨COT£©Ä£Ê½¿ØÖÆ£¬£¬£¬ÌṩÁË¿ìËٵĶ¯Ì¬ÏìÓ¦£¬£¬£¬²¢¼ò»¯ÁË·´Ïì»ØÂ·¡£¡£¡£¡£¡£¡£
SCT2130Q¾ßÓпɵ÷µÄÈíÆô¶¯Ê±¼ä£¬£¬£¬¿É×èÖ¹Æô¶¯Àú³ÌÖзºÆð½Ï´óµÄÀËÓ¿µçÁ÷ºÍÊä³öµçѹ¹ý³å¡£¡£¡£¡£¡£¡£SCT2130QÔÚÇ¿ÖÆÒ»Á¬µ¼Í¨Ä£Ê½£¨FCCM£©ÏÂÔËÐУ¬£¬£¬ÒÔʵÏÖÇáÔØÏµĵÍÊä³öÎÆ²¨¡£¡£¡£¡£¡£¡£¿£¿ £¿£¿ª¹ØÆµÂÊÀο¿Îª2.1MHz¡£¡£¡£¡£¡£¡£
Ëü°üÀ¨ÍêÕûµÄ±£»£» £»£»¤¹¦Ð§£¬£¬£¬ÈçÖðÖÜÆÚµçÁ÷ÏÞÖÆºÍ´òàùýµçÁ÷±£»£» £»£»¤¡¢Êä³öǷѹ±£»£» £»£»¤¡¢ÊäÈëÇ·Ñ¹Ëø¶¨ºÍ¹ýα£»£» £»£»¤¡£¡£¡£¡£¡£¡£
SCT2130Q½öÐèÒªºÜÉÙÊýÄ¿µÄÍâΧÆ÷¼þ£¬£¬£¬²¢½ÓÄɽÚÔ¼¿Õ¼äµÄQFN 8L 1.5mm*2mm·â×°£¬£¬£¬´øÓпÉʪÈó²àÒí¡£¡£¡£¡£¡£¡£
 
 
Ó¦Óãº
 
  • ÓéÀÖϵͳ
  • µç³Ø¹©µç×°±¸
  • ¹Ì̬Çý¶¯Æ÷

·â×°ÐÅÏ¢

SCT2130QFTAR
+ -

²ÎÊý±ÈÕÕ

¼ÓÈë±ÈÕÕ
5V DC-DC½µÑ¹×ª»»Æ÷ DC-DC ½µÑ¹×ª»»Æ÷
±ÈÕÕ²ÎÊý
{{ goods }}
5V DC-DC½µÑ¹×ª»»Æ÷ DC-DC ½µÑ¹×ª»»Æ÷
{{ item.attr_name }} {{ vo }}
¡¾ÍøÕ¾µØÍ¼¡¿¡¾sitemap¡¿