½ðʨ¹ó±ö»á

¹¦ÂÊ¿ØÖÆ ¹¦ÂÊ¿ØÖÆ
SCT52240STDR ÕýÔÚ¹©»õ
24V,4A ˫ͨµÀ¸ßËٵͲàÇý¶¯Æ÷
¼ÓÈ빺Îï³µ
SCT52240STDR
  • ²úÆ·ÏÈÈÝ
  • ÊÖÒÕ×ÊÁÏ
  • ²ÎÊý±ÈÕÕ

²úÆ·ÌØÕ÷

ÌØÕ÷£º
 
  • ¿í¹©µç¹æÄ££º4.5V-24V
  • ·åÖµÔ´µçÁ÷ºÍ¹àµçÁ÷£º4A
  • Ö§³Ö˫ͨµÀ²¢ÁªÊä³öÌṩ¸ü¸ßÇý¶¯µçÁ÷
  • Ö§³Ö¸ºÑ¹ÊäÈ룺µÍÖÁ-5V
  • ÊäÈë¼æÈÝTTLµçƽ
  • ÊäÈë´«ÊäÑÓ³Ù£º13ns
  • µä·¶ÉÏÉýºÍϽµÊ±¼ä£º8ns
  • µä·¶ÑÓ³ÙÆ¥Åäʱ¼ä£º1ns
  • µÍ¾²Ì¬µçÁ÷£º55uA
  • ÊäÈ븡¿ÕʱÊä³öΪµÍ
  • ˫ͨµÀ×ÔÁ¦µÄENÒý½Å
  • ¹ýα£»£»¤£º170°C
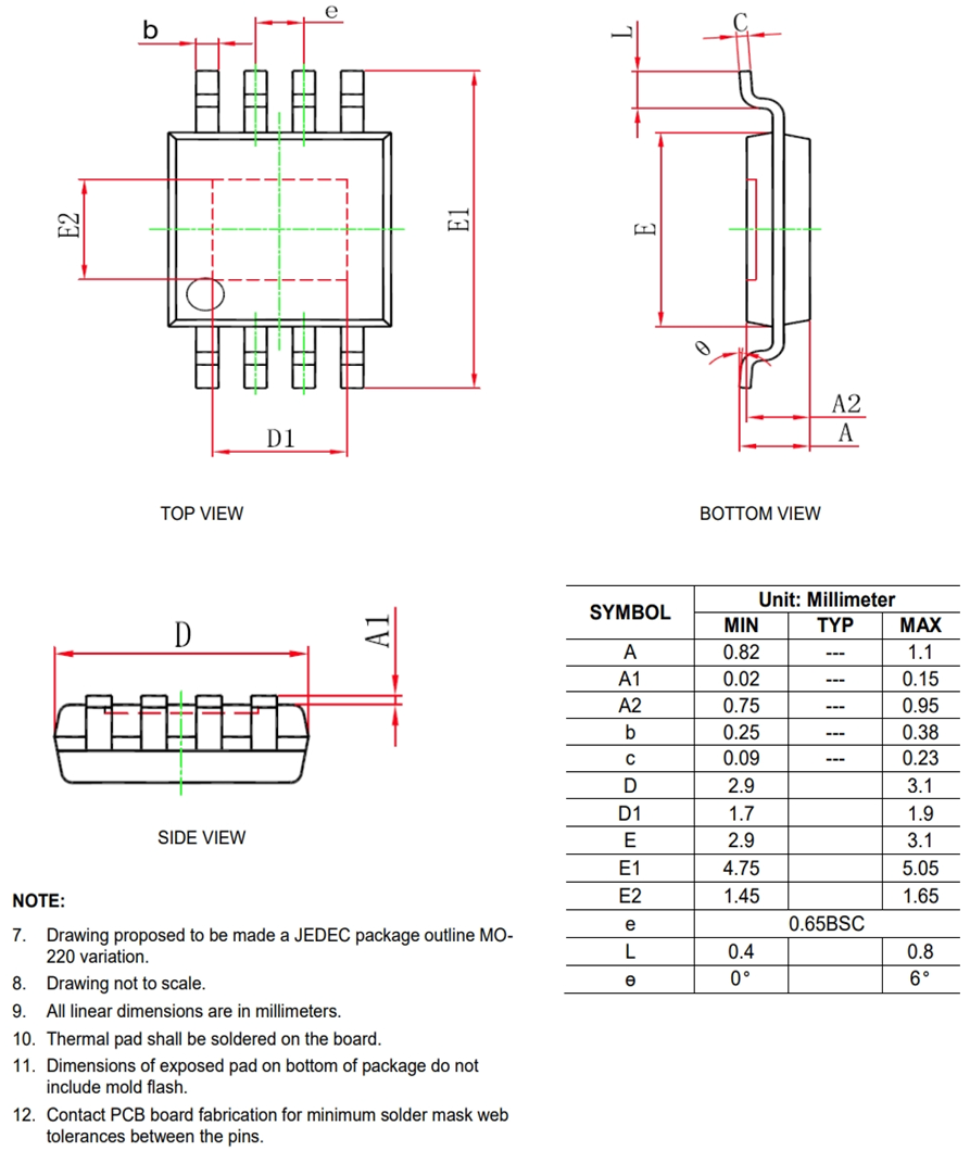
  • Ö§³ÖSOP-8ºÍeMSOP-8·â×°
 
ÐÎò£º
 
SCT52240ÊÇÒ»¿î¿í¹©µç¹æÄ££¬ £¬£¬Ë«Í¨µÀ£¬ £¬£¬¸ßËٵĵͲàÕ¤¼«Çý¶¯Æ÷£¬ £¬£¬ÊÊÓÃÓÚÇý¶¯¹¦ÂÊMOSFET»òIGBT¡£¡£¡£¡£Æäÿ¸öͨµÀ¶¼ÄÜÌṩ¸ß´ï4AµÄ·åÖµÔ´µçÁ÷ºÍ¹àµçÁ÷ÄÜÁ¦£¬ £¬£¬¿ÉʵÏֹ쵽¹ìµÄÊä³öÇý¶¯¡£¡£¡£¡£Æä24VµÄ¹©µçÄÍѹÔöÇ¿ÁËÓ¦¶Ô¹¦ÂÊÆ÷¼þ¿ª¹ØË²Ì¬ÕñÁåµÄÔâÊÜÄÜÁ¦¡£¡£¡£¡£
SCT52240ÓµÓеÍÖÁ13nsµÄÊäÈëµ½Êä³ö´«ÊäÑÓ³Ù£¬ £¬£¬Ê¹µÃÆäºÜÊÇÊÊºÏ¸ßÆµ¹¦Âʱ任Æ÷Ó¦Óᣡ£¡£¡£
SCT52240¾ßÓпíÊäÈë³ÙÖÍ£¬ £¬£¬¼æÈÝTTLµçƽ£»£»Í¬Ê±¿ÉÔâÊܵÍÖÁ-5VµÄ¸ºÑ¹ÊäÈ룬 £¬£¬ÔöÇ¿ÁËÊäÈ뿹ÔëÐÔ¡£¡£¡£¡£
SCT52240¼«µÍµÄ¾²Ì¬µçÁ÷¿É½µµÍ¹¦Âʱ任Æ÷µÄ´ý»ú¹¦ºÄ¡£¡£¡£¡£SCT52240µÄ¸÷ͨµÀÇý¶¯µç·½ÓÄÉÁËÎÞ½»µþÉè¼Æ£¬ £¬£¬×èÖ¹ÁËÊä³ö¼¶¹²Í¨µÄΣº¦¡£¡£¡£¡£Á½¸öͨµÀµÄÊäÈëÒý½ÅINAºÍINBÓµÓÐÑÏ¿áÆ¥ÅäµÄ´«ÊäÑÓ³Ù£¬ £¬£¬ÇÒÆäÊä³ö¶ËÉèÓÐÇ¿ÖÆµÄËÀÇøÊ±¼ä£¬ £¬£¬ÕâʹµÃÁ½¸öͨµÀÄܹ»²¢ÁªÊä³ö£¬ £¬£¬ÎªÏµÍ³Ìṩ¸üÇ¿µÄÇý¶¯ÄÜÁ¦¡£¡£¡£¡£
SCT52240¾ßÓÐ170°CµÄ¹ýα£»£»¤¡£¡£¡£¡£SCT52240Ö§³ÖSOP-8ºÍeMSOP-8·â×°¡£¡£¡£¡£
 
Ó¦Óãº
 
  • IGBT/MOSFETÕ¤¼«Çý¶¯
  • ±äƵÆ÷
  • ¿ª¹ØµçÔ´
  • µç»ú¿ØÖÆ
  • ¹â·üÄæ±äÆ÷

·â×°ÐÅÏ¢

SCT52240STDR
+ -

²ÎÊý±ÈÕÕ

¼ÓÈë±ÈÕÕ
µÍ±ßÇý¶¯ Õ¤¼«Çý¶¯Æ÷
±ÈÕÕ²ÎÊý
{{ goods }}
µÍ±ßÇý¶¯ Õ¤¼«Çý¶¯Æ÷
{{ item.attr_name }} {{ vo }}
¡¾ÍøÕ¾µØÍ¼¡¿¡¾sitemap¡¿