½ðʨ¹ó±ö»á

¿ª¹ØµçÔ´ ¿ª¹ØµçÔ´

DC-DC ½µÑ¹×ª»»Æ÷

Step-down DCDC converter
SCT2160FNBR Ô¤Ðû²¼ÐÂÆ·
7V ÊäÈë¡¢6A¡¢¸ßЧÂÊͬ²½½µÑ¹ DC-DC ת»»Æ÷
¼ÓÈ빺Îï³µ
SCT2160FNBR
  • ²úÆ·ÏÈÈÝ
  • ÊÖÒÕ×ÊÁÏ
  • ²ÎÊý±ÈÕÕ

²úÆ·ÌØÕ÷

ÌØÕ÷£º

  • ¿íÊäÈëµçѹ¹æÄ££º2.9V–7V
  • Êä³öµçѹ¹æÄ££º0.6V–Dmax × Vin
  • Ò»Á¬Êä³öµçÁ÷£º6A
  • ¼¯ÀÖ³ÉÂÊMOSFET£º¸ß²à15mΩ£¬ £¬£¬£¬£¬µÍ²à5mΩ
  • Àο¿ÈíÆô¶¯Ê±¼ä£º1ms
  • ¿ÉÑ¡¿ª¹ØÆµÂÊ£º400kHz¡¢800kHz¡¢1.2MHz
  • ¿ÉÑ¡ÊÂÇéģʽ£ºPFM¡¢USM¡¢FCCM
  • ¿ÉÑ¡ÏÞÁ÷ãÐÖµ£º7A¡¢9A¡¢13A
  • ÖðÖÜÆÚµçÁ÷ÏÞÖÆ
  • Êä³ö¹ýѹ± £»£»£»£»¤
  • ¹ýα £»£»£»£»¤
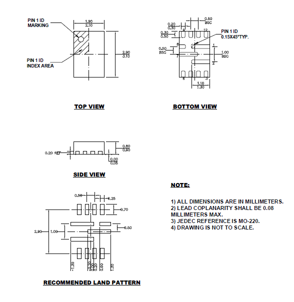
  • ·â×°£ºQFN-12£¨2mm×3mm£©

ÐÎò£º

SCT2160 ÊÇÒ»¿î¸ßЧÂÊͬ²½½µÑ¹ DC-DC ת»»Æ÷£¬ £¬£¬£¬£¬ÊäÈëµçѹ¹æÄ£Îª 2.9V-7V£¬ £¬£¬£¬£¬Êä³öµçѹ¿Éµ÷£¬ £¬£¬£¬£¬×îµÍ¿É´ï 0.6V¡£¡£¡£¡£¡£¸ÃÆ÷¼þ½ÓÄɽô´ÕµÄ 2mm×3mm QFN ·â×°£¬ £¬£¬£¬£¬¿ÉÌṩ 6A Ò»Á¬Êä³öµçÁ÷¡£¡£¡£¡£¡£ÄÚ²¿¼¯³ÉÁׯ߲àºÍµÍ²à¹¦ÂÊ MOSFET£¬ £¬£¬£¬£¬µ¼Í¨µç×è»®·ÖΪ 15mΩ ºÍ 5mΩ£¬ £¬£¬£¬£¬ÓÐÓýµµÍÁ˵¼Í¨ÏûºÄ¡£¡£¡£¡£¡£

SCT2160 ½ÓÄÉ ºã¶¨µ¼Í¨Ê±¼ä¿ØÖÆ ¼Ü¹¹£¬ £¬£¬£¬£¬¾ß±¸¿ìËÙµÄ˲̬ÏìÓ¦ºÍ¼ò»¯µÄ»·Â·ÎȹÌÐÔÉè¼Æ¡£¡£¡£¡£¡£Æä¿ª¹ØÊ±ÖÓÆµÂÊ¿ÉÔÚ 400KHz¡¢800KHz ºÍ 1.2MHz Ö®¼äÑ¡Ôñ£¬ £¬£¬£¬£¬ÒÔÓÅ»¯Â˲¨Æ÷³ß´çºÍÊä³öµçÑ¹ÎÆ²¨¡£¡£¡£¡£¡£Æ÷¼þÄÚÖà1ms Àο¿ÈíÆô¶¯Ê±¼ä£¬ £¬£¬£¬£¬¿É±ÜÃâÊä³öµçѹбÆÂÆô¶¯Ê±´ú·ºÆðÀËÓ¿µçÁ÷¡£¡£¡£¡£¡£Æä ¿ªÂ©Êä³öµçÔ´Í£µ±ÐźŠÓÃÓÚָʾÊä³öµçѹ´¦ÓÚµ÷Àí¹æÄ£ÄÚ¡£¡£¡£¡£¡£

SCT2160 Ìṩ MODE Òý½Å£¬ £¬£¬£¬£¬¿ÉÑ¡Ôñ Âö³åƵÂʵ÷ÖÆÄ£Ê½ ÒÔʵÏÖÇáÔØ½ÚÄÜ£¬ £¬£¬£¬£¬»òÑ¡Ôñ ³¬Éù²¨Ä£Ê½ ÒÔÔÚÇáÔØ»òÎÞ¸ºÔØÌõ¼þϼá³Ö¿ª¹ØÆµÂʸßÓÚ¿ÉÌýƵÂʹæÄ££¬ £¬£¬£¬£¬Òà»òÑ¡Ôñ Ç¿ÖÆÒ»Á¬µ¼Í¨Ä£Ê½ ÒÔ»ñµÃ¸üСµÄÊä³öÎÆ²¨¡£¡£¡£¡£¡£

Æ÷¼þ¾ß±¸ÍêÕûµÄ± £»£»£»£»¤¹¦Ð§£¬ £¬£¬£¬£¬°üÀ¨¹ýÁ÷± £»£»£»£»¤¡¢Ç·Ñ¹± £»£»£»£»¤ºÍÈȹضϱ £»£»£»£»¤¡£¡£¡£¡£¡£¸Ãת»»Æ÷½öÐèÉÙÉÙµÄÍⲿԪ¼þ£¬ £¬£¬£¬£¬²¢Ìṩ QFN-12£¨2mm×3mm£© ·â×°ÐÎʽ¡£¡£¡£¡£¡£


Ó¦Óãº

  • Æû³µÐÅÏ¢ÓéÀÖϵͳ
  • ¹Ì̬Çý¶¯Æ÷
  • ±ãЯʽÒÇÆ÷
  • ¹¤ÒµµçÔ´
  • µç³Ø¹©µç×°±¸

·â×°ÐÅÏ¢

SCT2160FNBR
+ -

ÊÖÒÕ×ÊÁÏ

ÎÊÌâ ʱ¼ä ÏÂÔØ
SCT2160 Datasheet Rev 1.0 2026-01-28 ÏÂÔØ

²ÎÊý±ÈÕÕ

¼ÓÈë±ÈÕÕ
5V DC-DC½µÑ¹×ª»»Æ÷ DC-DC ½µÑ¹×ª»»Æ÷
±ÈÕÕ²ÎÊý
{{ goods }}
5V DC-DC½µÑ¹×ª»»Æ÷ DC-DC ½µÑ¹×ª»»Æ÷
{{ item.attr_name }} {{ vo }}
¡¾ÍøÕ¾µØÍ¼¡¿¡¾sitemap¡¿