- ²úÆ·ÏÈÈÝ
- ÊÖÒÕ×ÊÁÏ
- ²ÎÊý±ÈÕÕ
²úÆ·ÌØÕ÷
- ¿íÊäÈëµçѹ¹æÄ££º3.6V-36V
- ×î´óÒ»Á¬Êä³öµçÁ÷£º3A
- ·´Ïì»ù×¼µçѹ£º0.8V
- ¼¯³ÉMOSFET£º¸ß²à 60mΩ£¬£¬£¬£¬£¬µÍ²à 36mΩ
- Âö³åÌøÔ¾Ä£Ê½£ºÐÝÃßģʽϾ²Ì¬µçÁ÷Ϊ 30μA
- ×îСµ¼Í¨Ê±¼ä£º60ns
- ÄÚ²¿ÈíÆô¶¯Ê±¼ä£º4ms
- ¿ª¹ØÆµÂʿɵ÷£º200kHz-2.2MHz
- ƵÂÊÀ©Õ¹ÆµÆ×µ÷ÖÆ£º¿É½µµÍµç´Å×ÌÈÅ
- ϸÃÜʹÄÜãÐÖµ£º¿Éµ÷ÀíÊäÈëÇ·Ñ¹Ëø¶¨±£»£»£»£»£»£»¤ãÐÖµ¼°³ÙÖÍ
- ²¢ÁªÊäÈë·¾¶£º¿ÉÒÖÖÆ¿ªÊàŦµãÕñÁå
- µÍѹ²îģʽÊÂÇé
- ¹ýѹÓë¹ýα£»£»£»£»£»£»¤
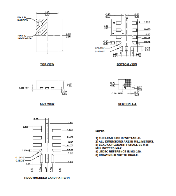
- ·â×°£º2mm×3mm QFN-12L
ÐÎò£º
SCT2434D ÊÇÒ»¿î¿íÊäÈëµçѹͬ²½½µÑ¹×ª»»Æ÷£¬£¬£¬£¬£¬ÊäÈë¹æÄ£ 3.6V ÖÁ 36V£¬£¬£¬£¬£¬¿ÉÌṩ¸ß´ï 3A µÄÒ»Á¬Êä³öµçÁ÷¡£¡£¡£¡£¡£Ëü¼¯³ÉÁ˵¼Í¨µç×è»®·ÖΪ 60mΩ µÄ¸ß²à MOSFET ºÍ 36mΩ µÄµÍ²à MOSFET¡£¡£¡£¡£¡£¸ÃÆ÷¼þ½ÓÄÉ ·åÖµµçÁ÷ģʽ¿ØÖÆ£¬£¬£¬£¬£¬²¢Ö§³Ö¾ßÓе䷶ 30μA µÍ¾²Ì¬µçÁ÷µÄÂö³åÌøÔ¾µ÷ÖÆ£¬£¬£¬£¬£¬ÓÐÖúÓÚÔÚÇáÔØ»ò´ý»úÌõ¼þÏÂʵÏÖ¸ßЧÂÊ¡£¡£¡£¡£¡£
SCT2434D ¾ß±¸ 4ms µÄÄÚ²¿ÈíÆô¶¯Ê±¼ä£¬£¬£¬£¬£¬¿ÉÓÐÓÃÒÖÖÆÆô¶¯Ê±µÄÀËÓ¿µçÁ÷ºÍÊä³öµçѹ¹ý³å¡£¡£¡£¡£¡£Æä¿ª¹ØÆµÂÊ¿Éͨ¹ýÍⲿµç×èÔÚ 200kHz ÖÁ 2.1MHz ¹æÄ£ÄÚÉ趨¡£¡£¡£¡£¡£ÒÀ¸½Æä¸ß²à MOSFET µÄ×îСµ¼Í¨Ê±¼ä½öΪ 60ns£¬£¬£¬£¬£¬SCT2434D Äܹ»ÊµÏÖ´Ó¸ßÊäÈëµçѹµ½µÍÊä³öµçѹµÄ¸ßЧ¹¦ÂÊת»»¡£¡£¡£¡£¡£
SCT2434D ÊÇÒ»¿î¶Ôµç´Å×ÌÈÅÓѺõĽµÑ¹×ª»»Æ÷£¬£¬£¬£¬£¬½ÓÄÉÓÅ»¯Éè¼ÆÒÔ½µµÍ EMI¡£¡£¡£¡£¡£ÆäƵÂÊÀ©ÆµÊÖÒÕÌṩ ±10% µÄ¿ª¹ØÆµÂʶ¶Æµ¿ç¶È£¬£¬£¬£¬£¬µ÷ÖÆÆµÂÊΪ¿ª¹ØÆµÂ浀 1/512£¬£¬£¬£¬£¬¿ÉÓÐÓýµµÍ´«µ¼µç´Å×ÌÈÅ¡£¡£¡£¡£¡£
¸ÃÆ÷¼þÌṩ ÖðÖÜÆÚµçÁ÷ÏÞÖÆ Óë ´òàÃʽ¹ýÁ÷±£»£»£»£»£»£»¤¡¢Èȹضϱ£»£»£»£»£»£»¤¡¢Êä³ö¹ýѹ±£»£»£»£»£»£»¤ ÒÔ¼° ÊäÈëǷѹ±£»£»£»£»£»£»¤¡£¡£¡£¡£¡£²úÆ·½ÓÄÉ 2mm×3mm QFN-12L ·â×°£¬£¬£¬£¬£¬²¢¾ßÓвàÃæ¿Éº¸ÐÔÉè¼Æ¡£¡£¡£¡£¡£
Ó¦Óãº
- Æû³µÐÅÏ¢ÓéÀÖϵͳÓë¸ß¼¶¼ÝÊ»¸¨Öúϵͳ
- USB Type-C ¹©µçÓë³äµç
- ¹¤ÒµÓëÒ½ÁÆÂþÑÜʽµçԴϵͳ
ÊÖÒÕ×ÊÁÏ
| ÎÊÌâ | ʱ¼ä | ÏÂÔØ |
|---|---|---|
| SCT2434D Datasheet Rev. 0.8 | 2026-01-28 |
|
²ÎÊý±ÈÕÕ
| ±ÈÕÕ²ÎÊý |
{{ goods }}
|
40V DC-DC½µÑ¹×ª»»Æ÷ DC-DC ½µÑ¹×ª»»Æ÷
|
|---|---|---|
| {{ item.attr_name }} | {{ vo }} |