½ðʨ¹ó±ö»á

ϵͳ¼¯³É ϵͳ¼¯³É
SCT61242S-0001FHAR Ô¤Ðû²¼ÐÂÆ·
19V ÊäÈëµçѹ¡¢ËÄͨµÀµçÔ´ÖÎÀíоƬ£¬£¬£¬£¬£¬ £¬ÊÊÓÃÓÚÇå¾²Òªº¦ÐÍÓ¦ÓÃ
¼ÓÈ빺Îï³µ
SCT61242S-0001FHAR
  • ²úÆ·ÏÈÈÝ
  • ÊÖÒÕ×ÊÁÏ
  • ²ÎÊý±ÈÕÕ

²úÆ·ÌØÕ÷

ÌØÕ÷£º

  • ͨ¹ýÆû³µÓ¦ÓÃÈÏÖ¤
  • ÇÐºÏ AEC-Q100 ±ê×¼£¬£¬£¬£¬£¬ £¬ÏêϸЧ¹ûÈçÏ£º
    • Æ÷¼þÎÂ¶ÈÆ·¼¶ 1£ºÇéÐÎÊÂÇéζȹæÄ£ -40°C ÖÁ 125°C
  • ¿íÊäÈëµçѹ¹æÄ££º3.5V - 19V
  • Èý¸ö¸ßЧ½µÑ¹×ª»»Æ÷£º
    • HV Buck1£ºVout1 = 2.7V - 5V£¬£¬£¬£¬£¬ £¬²½½ø 100mV£¬£¬£¬£¬£¬ £¬×î´óÒ»Á¬Êä³öµçÁ÷ 2A
    • LV Buck2/3£ºVout2/3 = 0.6V - 2.15V£¬£¬£¬£¬£¬ £¬²½½ø 50mV£¬£¬£¬£¬£¬ £¬×î´óÒ»Á¬Êä³öµçÁ÷ 2A
  • Ò»¸öµÍѹ²îÏßÐÔÎÈѹÆ÷£º
    • LDO4£ºVout4 = 1.6V - 3.5V£¬£¬£¬£¬£¬ £¬²½½ø 50mV£¬£¬£¬£¬£¬ £¬×î´óÒ»Á¬Êä³öµçÁ÷ 300mA
    • ¸ß PSRR£º60dB@10kHz£¬£¬£¬£¬£¬ £¬60dB@100kHz£¬£¬£¬£¬£¬ £¬40dB@1MHz
    • µÍÔëÉù£º100Hz ÖÁ 100kHz ¹æÄ£ÄÚ×Ü»ý·ÖÔëÉùΪ 30μV rms
  • ±1.5% Êä³öµçѹ¾«¶È
  • 2.2MHz Àο¿¿ª¹ØÆµÂÊ
  • ¼¯³ÉƵÂʲü¶¶¹¦Ð§£¬£¬£¬£¬£¬ £¬ÓÃÓÚ EMI ÒÖÖÆ
  • ¿ÉÑ¡µÄÇáÔØÊÂÇéģʽ£ºFCCM / PSM
  • ¿É±à³ÌµçԴʱÐò¿ØÖÆ
  • ¿ÉÑ¡ RESETB Êä³öÀàÐÍ£º¿ªÂ© / ÍÆÍì
  • Á½¸ö GPIO£¬£¬£¬£¬£¬ £¬ÓÃÓÚÎÞаµÄϵͳÖÎÀí
  • ¼¯³É±£»£»£»£»£»£»¤¹¦Ð§£º
    • Êä³ö¹ýѹ / Ƿѹ±£»£»£»£»£»£»¤
    • ¹ýÁ÷±£»£»£»£»£»£»¤
    • ÊäÈëÇ·Ñ¹Ëø¶¨
    • ÊäÈë¹ýѹ±£»£»£»£»£»£»¤
    • Èȹضϱ£»£»£»£»£»£»¤£º175°C
  • ¹¦Ð§Çå¾²ÌØÕ÷£º
  • ÇÐºÏ ISO26262 ¿ª·¢Á÷³Ì
  • Ó²¼þÍêÕûÐÔÖ§³Ö ASIL-C ¼¶ÏµÍ³
  • ASIL-C Æ÷¼þÈÏÖ¤
  • QA Óë¼òÆÓ¿´ÃŹ·
  • ÄÚÖÃ×Ô¼ì
  • ¸ß´ï 1MHz µÄ I²C ½Ó¿Ú£¬£¬£¬£¬£¬ £¬¿ÉÑ¡ÅäÊý¾Ý°ü¹ýʧ¼ì²é¹¦Ð§
  • ·â×°ÐÎʽ£ºQFN-20L£¨2.5mm × 3.5mm£©£¬£¬£¬£¬£¬ £¬Ö§³Ö¿ÉÈóʪ²àÒí


ÐÎò£º

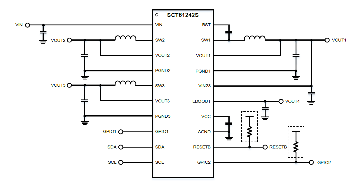
SCT61242S ÊÇÒ»¿îרΪ³µÔØÉãÏñͷϵͳÓÅ»¯Éè¼ÆµÄ¸ß¼¯³É¶ÈµçÔ´ÖÎÀíоƬ¡£¡£¡£Ëü¼¯³ÉÁËÈý¸ö¸ßЧͬ²½½µÑ¹×ª»»Æ÷£¨HV Buck1¡¢LV Buck2 ºÍ LV Buck3£©ÒÔ¼°Ò»¸ö¸ß PSRR¡¢µÍÔëÉù LDO£¨LDO4£©£¬£¬£¬£¬£¬ £¬ËùÓÐÊä³ö¾ùÖ§³Ö¹ýѹ/Ƿѹ¼à¿ØÓëÎÞаµÄµçԴʱÐò¿ØÖÆ¡£¡£¡£

Buck1 ÊäÈëµçѹ¹æÄ£Îª 3.5V ÖÁ 19V£¬£¬£¬£¬£¬ £¬ÊÊÓÃÓÚͬÖáµçÀ¹©µçÓ¦Óᣡ£¡£Buck2 Óë Buck3 ¹æ¸ñÏàͬ£¬£¬£¬£¬£¬ £¬ÓÉ Buck1 µÄÊä³ö¹©µç¡£¡£¡£Èý¸ö½µÑ¹×ª»»Æ÷¾ù¿ÉÔÚÇáÔØÌõ¼þÏÂÑ¡Ôñ FCCM »ò PSM ÊÂÇéģʽ£¬£¬£¬£¬£¬ £¬¿ª¹ØÆµÂÊΪ 2.2MHz£¬£¬£¬£¬£¬ £¬²¢¿ÉÑ¡Å䯵ÂÊÀ©Æµ¹¦Ð§ÒÔÒÖÖÆ EMI¡£¡£¡£LDO4 ÊÇÒ»¿î¸ß PSRR¡¢µÍÔëÉù LDO£¬£¬£¬£¬£¬ £¬×¨ÎªÄ£ÄâµçÔ´¹ìÉè¼Æ£¬£¬£¬£¬£¬ £¬×î´óÒ»Á¬Êä³öµçÁ÷´ï 300mA¡£¡£¡£ËùÓÐÊä³öµçѹ¾ùΪԤ±à³ÌÉ趨£¬£¬£¬£¬£¬ £¬ÎÞÐèÍⲿ·´Ïì·Öѹµç×裬£¬£¬£¬£¬ £¬ÓÐÓþ«¼òϵͳ¼Æ»®¡£¡£¡£

SCT61242S Å䱸Á½¸ö¿ÉÉèÖà GPIO Òý½Å£¬£¬£¬£¬£¬ £¬Ö§³ÖÎÞаµÄϵͳÖÎÀí¡£¡£¡£ÀýÈ磬£¬£¬£¬£¬ £¬GPIO1 ¿ÉÉèÖÃΪÍⲿµçѹ¼à¿ØÊäÈ룬£¬£¬£¬£¬ £¬GPIO2 ¿ÉÉèÖÃΪÍⲿÎÈѹÆ÷ʹÄÜÊä³ö£¬£¬£¬£¬£¬ £¬ÓÃÓÚ¼à²âºÍ¿ØÖÆÍⲿµçÔ´¹ì¡£¡£¡£

SCT61242S ¼¯³É¶àÖÖ±£»£»£»£»£»£»¤¹¦Ð§£¬£¬£¬£¬£¬ £¬°üÀ¨ÊäÈëǷѹ±£»£»£»£»£»£»¤¡¢ÊäÈë¹ýѹ±£»£»£»£»£»£»¤¡¢Êä³ö¹ýѹ/Ƿѹ±£»£»£»£»£»£»¤¡¢¹ýÁ÷±£»£»£»£»£»£»¤ÒÔ¼° 175°C Èȹضϱ£»£»£»£»£»£»¤¡£¡£¡£

¸ÃÆ÷¼þÄÚÖÃ×Լ칦Ч£¬£¬£¬£¬£¬ £¬¿É¶ÔÄÚ²¿Ä£ÄâÓëÊý×ֵ緾ÙÐÐÉϵç×ÔÕï¶Ï£¬£¬£¬£¬£¬ £¬ËùÓÐÒªº¦½ÏÁ¿Æ÷¼°Êý¾Ý¾ù»áÔÚÆô¶¯½×¶Î½ÓÊܼì²é¡£¡£¡£Í¬Ê±Ö§³Ö¿´ÃŹ·¹¦Ð§£¬£¬£¬£¬£¬ £¬Í¨¹ýÖÜÆÚÐÔ´¥·¢Âö³å»òÌØ¶¨µÄ I²C дÈë²Ù×÷¾ÙÐÐι¹·£¬£¬£¬£¬£¬ £¬ÇÒ׼ʱ´°¿Ú¿É±à³Ì£¬£¬£¬£¬£¬ £¬½øÒ»²½ÌáÉýϵͳÇå¾²ÐÔ¡£¡£¡£

SCT61242S ½ÓÄÉ 2.5mm × 3.5mm QFN-20L ·â×°£¬£¬£¬£¬£¬ £¬Ö§³Ö¿ÉÈóʪ²àÒí¹¤ÒÕ¡£¡£¡£


Ó¦Óãº

•ADAS
•Compact Camera Module
•Cabin Monitor

·â×°ÐÅÏ¢

SCT61242S-0001FHAR
+ -

ÊÖÒÕ×ÊÁÏ

ÎÊÌâ ʱ¼ä ÏÂÔØ
SCT61242S Datasheet Rev 1.0 2026-02-12 ÏÂÔØ

²ÎÊý±ÈÕÕ

¼ÓÈë±ÈÕÕ
¶àͨµÀµçÔ´ÖÎÀíPMIC ϵͳ¼¯³É
±ÈÕÕ²ÎÊý
{{ goods }}
¶àͨµÀµçÔ´ÖÎÀíPMIC ϵͳ¼¯³É
{{ item.attr_name }} {{ vo }}
¡¾ÍøÕ¾µØÍ¼¡¿¡¾sitemap¡¿