- ²úÆ·ÏÈÈÝ
- ÊÖÒÕ×ÊÁÏ
- ²ÎÊý±ÈÕÕ
²úÆ·ÌØÕ÷
- ͨ¹ýÆû³µÓ¦ÓÃÈÏÖ¤
- ÇÐºÏ AEC-Q100 ±ê×¼£¬£¬£¬£¬£¬ÏêϸЧ¹ûÈçÏ£º
- Æ÷¼þÎÂ¶ÈÆ·¼¶ 1£ºÇéÐÎÊÂÇéζȹæÄ£ -40°C ÖÁ 125°C
- ¿íÊäÈëµçѹ¹æÄ££º3.5V - 19V
- Èý¸ö¸ßЧ½µÑ¹×ª»»Æ÷£º
- HV Buck1£ºVout1 = 2.7V - 5V£¬£¬£¬£¬£¬²½½ø 100mV£¬£¬£¬£¬£¬×î´óÒ»Á¬Êä³öµçÁ÷ 2A
- LV Buck2/3£ºVout2/3 = 0.6V - 2.15V£¬£¬£¬£¬£¬²½½ø 50mV£¬£¬£¬£¬£¬×î´óÒ»Á¬Êä³öµçÁ÷ 2A
- Ò»¸öµÍѹ²îÏßÐÔÎÈѹÆ÷£º
- LDO4£ºVout4 = 1.6V - 3.5V£¬£¬£¬£¬£¬²½½ø 50mV£¬£¬£¬£¬£¬×î´óÒ»Á¬Êä³öµçÁ÷ 300mA
- ¸ß PSRR£º60dB@10kHz£¬£¬£¬£¬£¬60dB@100kHz£¬£¬£¬£¬£¬40dB@1MHz
- µÍÔëÉù£º100Hz ÖÁ 100kHz ¹æÄ£ÄÚ×Ü»ý·ÖÔëÉùΪ 30μV rms
- ±2% Êä³öµçѹ¾«¶È
- 2.2MHz Àο¿¿ª¹ØÆµÂÊ
- ¼¯³ÉƵÂʲü¶¶¹¦Ð§£¬£¬£¬£¬£¬ÓÃÓÚ EMI ÒÖÖÆ
- ¿ÉÑ¡µÄÇáÔØÊÂÇéģʽ£ºFCCM / PSM
- ¿É±à³ÌµçԴʱÐò¿ØÖÆ
- ¿ÉÑ¡ RESETB Êä³öÀàÐÍ£º¿ªÂ© / ÍÆÍì
- Á½¸ö GPIO£¬£¬£¬£¬£¬ÓÃÓÚÎÞаµÄϵͳÖÎÀí
- ¼¯³É±£»£»£»¤¹¦Ð§£º
- Êä³ö¹ýѹ / Ƿѹ±£»£»£»¤
- ¹ýÁ÷±£»£»£»¤
- ÊäÈëÇ·Ñ¹Ëø¶¨
- ÊäÈë¹ýѹ±£»£»£»¤
- Èȹضϱ£»£»£»¤£º175°C
- QA Óë¼òÆÓ¿´ÃŹ·
- ¸ß´ï 1MHz µÄ I²C ½Ó¿Ú£¬£¬£¬£¬£¬¿ÉÑ¡ÅäÊý¾Ý°ü¹ýʧ¼ì²é¹¦Ð§
- ·â×°ÐÎʽ£ºQFN-20L£¨2.5mm × 3.5mm£©£¬£¬£¬£¬£¬Ö§³Ö¿ÉÈóʪ²àÒí
ÐÎò£º
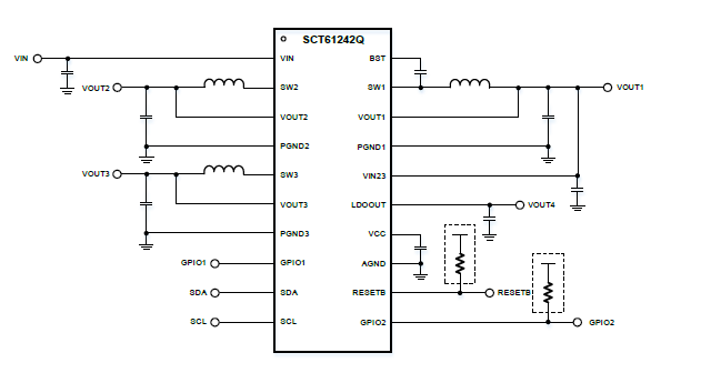
SCT61242Q ÊÇÒ»¿îרΪ³µÔØÉãÏñͷϵͳÓÅ»¯Éè¼ÆµÄ¸ß¼¯³É¶ÈµçÔ´ÖÎÀíоƬ¡£¡£¡£¡£¡£Ëü¼¯³ÉÁËÈý¸ö¸ßЧͬ²½½µÑ¹×ª»»Æ÷£¨HV Buck1¡¢LV Buck2 ºÍ LV Buck3£©ÒÔ¼°Ò»¸ö¸ß PSRR¡¢µÍÔëÉù LDO£¨LDO4£©£¬£¬£¬£¬£¬ËùÓÐÊä³ö¾ùÖ§³Ö¹ýѹ/Ƿѹ¼à¿ØÓëÎÞаµÄµçԴʱÐò¿ØÖÆ¡£¡£¡£¡£¡£
Buck1 ÊäÈëµçѹ¹æÄ£Îª 3.5V ÖÁ 19V£¬£¬£¬£¬£¬ÊÊÓÃÓÚͬÖáµçÀ¹©µçÓ¦Óᣡ£¡£¡£¡£Buck2 Óë Buck3 ¹æ¸ñÏàͬ£¬£¬£¬£¬£¬ÓÉ Buck1 µÄÊä³ö¹©µç¡£¡£¡£¡£¡£Èý¸ö½µÑ¹×ª»»Æ÷¾ù¿ÉÔÚÇáÔØÌõ¼þÏÂÑ¡Ôñ FCCM »ò PSM ÊÂÇéģʽ£¬£¬£¬£¬£¬¿ª¹ØÆµÂÊΪ 2.2MHz£¬£¬£¬£¬£¬²¢¿ÉÑ¡Å䯵ÂÊÀ©Æµ¹¦Ð§ÒÔÒÖÖÆ EMI¡£¡£¡£¡£¡£LDO4 ÊÇÒ»¿î¸ß PSRR¡¢µÍÔëÉù LDO£¬£¬£¬£¬£¬×¨ÎªÄ£ÄâµçÔ´¹ìÉè¼Æ£¬£¬£¬£¬£¬×î´óÒ»Á¬Êä³öµçÁ÷´ï 300mA¡£¡£¡£¡£¡£ËùÓÐÊä³öµçѹ¾ùΪԤ±à³ÌÉ趨£¬£¬£¬£¬£¬ÎÞÐèÍⲿ·´Ïì·Öѹµç×裬£¬£¬£¬£¬ÓÐÓþ«¼òϵͳ¼Æ»®¡£¡£¡£¡£¡£
SCT61242Q Å䱸Á½¸ö¿ÉÉèÖà GPIO Òý½Å£¬£¬£¬£¬£¬Ö§³ÖÎÞаµÄϵͳÖÎÀí¡£¡£¡£¡£¡£ÀýÈ磬£¬£¬£¬£¬GPIO1 ¿ÉÉèÖÃΪÍⲿµçѹ¼à¿ØÊäÈ룬£¬£¬£¬£¬GPIO2 ¿ÉÉèÖÃΪÍⲿÎÈѹÆ÷ʹÄÜÊä³ö£¬£¬£¬£¬£¬ÓÃÓÚ¼à²âºÍ¿ØÖÆÍⲿµçÔ´¹ì¡£¡£¡£¡£¡£
SCT61242Q ¼¯³É¶àÖÖ±£»£»£»¤¹¦Ð§£¬£¬£¬£¬£¬°üÀ¨ÊäÈëǷѹ±£»£»£»¤¡¢ÊäÈë¹ýѹ±£»£»£»¤¡¢Êä³ö¹ýѹ/Ƿѹ±£»£»£»¤¡¢¹ýÁ÷±£»£»£»¤ÒÔ¼° 175°C Èȹضϱ£»£»£»¤¡£¡£¡£¡£¡£
¸ÃÆ÷¼þ½ÓÄÉ 2.5mm × 3.5mm QFN-20L ·â×°£¬£¬£¬£¬£¬Ö§³Ö¿ÉÈóʪ²àÒí¹¤ÒÕ¡£¡£¡£¡£¡£
Ó¦Óãº
- ½ô´ÕÐÍÉãÏñÍ·Ä£¿£¿£¿£¿é
- ×ù²Õ¼à¿ØÏµÍ³
ÊÖÒÕ×ÊÁÏ
| ÎÊÌâ | ʱ¼ä | ÏÂÔØ |
|---|---|---|
| SCT61242Q Datasheet Rev 0.8 | 2026-02-12 |
|
²ÎÊý±ÈÕÕ
| ±ÈÕÕ²ÎÊý |
{{ goods }}
|
¶àͨµÀµçÔ´ÖÎÀíPMIC ϵͳ¼¯³É
|
|---|---|---|
| {{ item.attr_name }} | {{ vo }} |