½ðʨ¹ó±ö»á

ϵͳ¼¯³É ϵͳ¼¯³É
SCT61441S-0013FDAR Ô¤Ðû²¼ÐÂÆ·
36V ÊäÈëµçѹ¡¢ËÄͨµÀµçÔ´ÖÎÀíоƬ£¬£¬£¬£¬ÊÊÓÃÓÚÇå¾²Òªº¦ÐÍÓ¦ÓÃ
¼ÓÈ빺Îï³µ
SCT61441S-0013FDAR
  • ²úÆ·ÏÈÈÝ
  • ÊÖÒÕ×ÊÁÏ
  • ²ÎÊý±ÈÕÕ

²úÆ·ÌØÕ÷

ÌØÕ÷£º

  • ͨ¹ýÆû³µÓ¦ÓÃÈÏÖ¤
  • ÇÐºÏ AEC-Q100 ±ê×¼£¬£¬£¬£¬ÏêϸЧ¹ûÈçÏ£º
    • Æ÷¼þÎÂ¶ÈÆ·¼¶ 1
  • ¿íÊäÈëµçѹ¹æÄ££º3.5V - 36V
  • µ¥Â·Í¬²½¸ßѹ Buck ת»»Æ÷ VOUT1£º
    • ×î´óÒ»Á¬Êä³öµçÁ÷ 3A
    • ¿ÉÑ¡Êä³öµçѹ£º3.3V / 3.7V / 4.6V / 5V
  • ˫·ͬ²½µÍѹ Buck ת»»Æ÷ VOUT2¡¢VOUT3£º
    • ×î´óÒ»Á¬Êä³öµçÁ÷ 2A
    • Êä³öµçѹ¹æÄ£ 0.8V ÖÁ 2.35V£¬£¬£¬£¬²½½ø 50mV
  • µ¥Â·µÍѹ²îÏßÐÔÎÈѹÆ÷ VOUT4£º
    • ×î´óÒ»Á¬Êä³öµçÁ÷ 400mA
    • ¿ÉÑ¡Êä³öµçѹ£º1.8V / 2.7V / 2.8V / 2.9V / 3.3V
  • ±1.5% ·´Ïì²Î¿¼µçѹ¾«¶È
  • Àο¿ 2.2MHz ¿ª¹ØÆµÂÊ£¬£¬£¬£¬¼¯³ÉƵÂʲü¶¶ÒÔÒÖÖÆ EMI
  • ¿ÉÑ¡µÄ FCCM/PFM ÇáÔØÊÂÇéģʽ
  • VOUT2¡¢VOUT3 ºÍ VOUT4 ¿É±à³ÌµçԴʱÐò¿ØÖÆ
  • RESETB Êä³ö£¬£¬£¬£¬ÓÃÓÚϵͳÖÎÀí
  • ÍⲿʱÖÓͬ²½
  • ¼òÆÓ/QA ¿´ÃŹ·
  • ¼¯³É±£»£»£»¤¹¦Ð§£º
    • ´òàÃʽ¹ýÁ÷±£»£»£»¤
    • Êä³ö¹ýѹ/Ƿѹ±£»£»£»¤
    • ¿Éµ÷ÊäÈëÇ·Ñ¹Ëø¶¨
    • Èȹضϱ£»£»£»¤
  • ¹¦Ð§Çå¾²ÌØÕ÷£º
    • ÇÐºÏ ISO26262 ¿ª·¢Á÷³Ì
    • Ó²¼þÍêÕûÐÔÖ§³Ö ASIL-B ¼¶ÏµÍ³
    • ͨ¹ý TÜV ÈÏÖ¤µÄ ASIL-B Æ÷¼þ
    • ÄÚÖÃ×Ô¼ì
  • ¸ß´ï 1MHz µÄ I²C ½Ó¿Ú£¬£¬£¬£¬¿ÉÑ¡ÅäÊý¾Ý°ü¹ýʧ¼ì²é¹¦Ð§
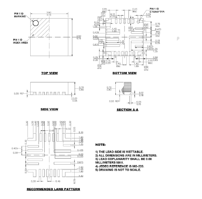
  • ·â×°ÐÎʽ£ºQFN-24£¨4mm × 4mm£©


ÐÎò£º


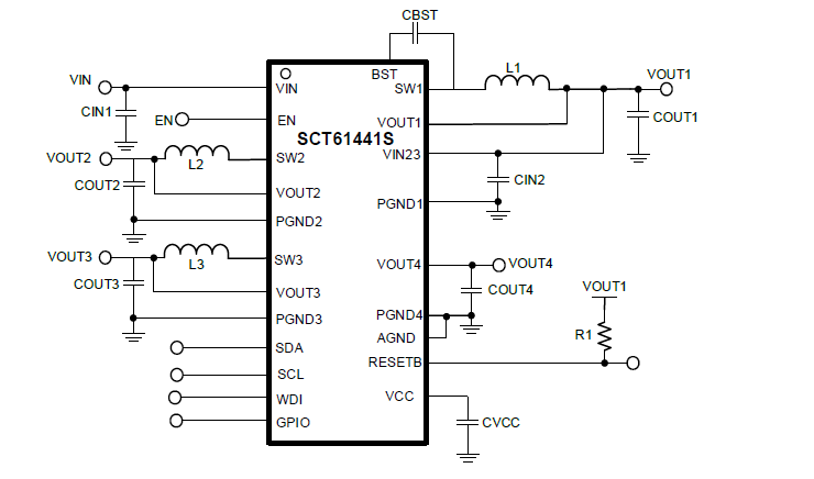
SCT61441S ÊÇÒ»¿î¿íÊäÈëµçѹ¹æÄ£¡¢ËÄͨµÀÊä³öµÄµçÔ´ÖÎÀíоƬ£¬£¬£¬£¬×¨Îª³µÔØÉãÏñÍ·Ä£¿£¿£¿£¿£¿ £¿éÉè¼Æ¡£¡£ ¡£¡£¡£¡£

¸ÃÆ÷¼þ¼¯³ÉÁËÒ»¸ö 3A ¸ßѹ Buck ת»»Æ÷¡¢Á½¸ö 2A µÍѹ Buck ת»»Æ÷ÒÔ¼°Ò»¸ö 400mA LDO¡£¡£ ¡£¡£¡£¡£Ã¿¸öͨµÀÊä³ö¾ùÊܵ½Ò»Á¬¼à¿Ø£¬£¬£¬£¬Ò»µ©¼ì²âµ½¹ýѹ»òǷѹ¹ÊÕÏ£¬£¬£¬£¬Æ÷¼þ½«½øÈ븴λ״̬¡£¡£ ¡£¡£¡£¡£ËùÓÐÊä³öµçѹ¾ùΪԤ±à³ÌÉ趨£¬£¬£¬£¬ÎÞÐèÍⲿ·´Ïì·Öѹµç×裬£¬£¬£¬´ó·ù¾«¼òϵͳ¼Æ»®¡£¡£ ¡£¡£¡£¡£¸ßѹ Buck µÄ¿ª¹ØÆµÂÊ¿ÉÑ¡ 2.2MHz »ò 400kHz£»£»£»µÍѹ Buck ת»»Æ÷ÔòÀο¿Îª 2.2MHz ¿ª¹ØÆµÂÊ¡£¡£ ¡£¡£¡£¡£Æ÷¼þÖ§³ÖƵÂÊÀ©Æµ¹¦Ð§£¬£¬£¬£¬Æä¿ª¹ØÆµÂʲü¶¶·ù¶ÈÓëµ÷ÖÆÆµÂʾù¿É±à³Ì£¬£¬£¬£¬ÓÐÓýµµÍ´«µ¼ EMI¡£¡£ ¡£¡£¡£¡£

SCT61441S ¼¯³ÉÁ˼òÆÓ¿´ÃŹ·Ä£Ê½Óë QA ¿´ÃŹ·Ä£Ê½£¬£¬£¬£¬×¨ÓÃµÄ WDI Òý½Å¿ÉÎüÊÕ MCU ±¬·¢µÄ´¥·¢Âö³å¡£¡£ ¡£¡£¡£¡£¿£¿£¿£¿£¿ £¿É±à³ÌµÄ¿´ÃŹ·´°¿ÚÄܹ»ÊÊÅä¶àÖÖÓ¦Óó¡¾°¡£¡£ ¡£¡£¡£¡£RESETB Êä³ö¿É×÷Ϊ MCU µÄʱÐò¿ØÖÆÆ÷£¬£¬£¬£¬ÔÚÆ÷¼þ±¬·¢¹ÊÕÏʱ¶Ô MCU ʵÑé±£»£»£»¤¡£¡£ ¡£¡£¡£¡£

SCT61441S ¾ß±¸¶àÖÖ±£»£»£»¤¹¦Ð§£¬£¬£¬£¬°üÀ¨Èȹضϡ¢¶Ì·±£»£»£»¤ºÍ¹ýѹ±£»£»£»¤¡£¡£ ¡£¡£¡£¡£Í¨¹ý I²C ½Ó¿Ú½ûÓÃËùÓÐÊä³öͨµÀ¿É½«¾²Ì¬µçÁ÷½µÖÁ 0.85mA¡£¡£ ¡£¡£¡£¡£

¸ÃÆ÷¼þÄÚÖÃ×Լ칦Ч£¬£¬£¬£¬¿É¶ÔÄÚ²¿Ä£ÄâÓëÊý×ֵ緾ÙÐÐÉϵçÕï¶Ï£¬£¬£¬£¬ËùÓÐÒªº¦½ÏÁ¿Æ÷¼°Êý¾Ý¾ù»áÔÚÆô¶¯½×¶Î½ÓÊܼì²é¡£¡£ ¡£¡£¡£¡£

SCT61441S ½ÓÄÉ QFN-24£¨4mm × 4mm£©·â×°¡£¡£ ¡£¡£¡£¡£

Ó¦Óãº

  • ¸ß¼¶¼ÝÊ»¸¨Öúϵͳ
  • ** occupant¼à²âϵͳ / ¼ÝʻԱ¼à²âϵͳ**
  • Çå¾² MCU

·â×°ÐÅÏ¢

SCT61441S-0013FDAR
+ -

ÊÖÒÕ×ÊÁÏ

ÎÊÌâ ʱ¼ä ÏÂÔØ
SCT61441S Datasheet Rev 1.1 2026-02-12 ÏÂÔØ

²ÎÊý±ÈÕÕ

¼ÓÈë±ÈÕÕ
¶àͨµÀµçÔ´ÖÎÀíPMIC ϵͳ¼¯³É
±ÈÕÕ²ÎÊý
{{ goods }}
¶àͨµÀµçÔ´ÖÎÀíPMIC ϵͳ¼¯³É
{{ item.attr_name }} {{ vo }}
¡¾ÍøÕ¾µØÍ¼¡¿¡¾sitemap¡¿