½ðʨ¹ó±ö»á

¿ª¹ØµçÔ´ ¿ª¹ØµçÔ´

DC-DC ½µÑ¹×ª»»Æ÷

Step-down DCDC converter
SCT2320TVBR ÕýÔÚ¹©»õ
3.8-32V Vin,2AµÄEMIÓѺÃͬ²½½µÑ¹DCDCת»»Æ÷
¼ÓÈ빺Îï³µ
SCT2320TVBR
  • ²úÆ·ÏÈÈÝ
  • ÊÖÒÕ×ÊÁÏ
  • ²ÎÊý±ÈÕÕ

²úÆ·ÌØÕ÷

ÌØÕ÷£º
 
  • ïÔÌ­EMI £¬£¬£¬£¬ £¬¿ªÊàŦµãÎÞÕñÁå
  • 500kHz¿ª¹ØÆµÂÊ £¬£¬£¬£¬ £¬±6%չƵ£¨FSS£©
  • 20uA¾²Ì¬µçÁ÷ £¬£¬£¬£¬ £¬ÇáÔØÌõ¼þϽÓÄÉÂö³åÌø¹ýģʽ£¨PSM£©
  • 3.8V-32V¿íÊäÈëµçѹ¹æÄ£
  • ¸ß´ï2AµÄÒ»Á¬Êä³ö¸ºÔصçÁ÷
  • 0.8V±1%·´Ïì²Î¿¼µçѹ
  • ¼¯³É130m?Rdson¸ß±ßMOSFETºÍ70mΩ RdsonµÍ±ßMOSFET
  • 1uA¹Ø»úµçÁ÷
  • ×îСµ¼Í¨Ê±¼ä80ns
  • ¿É±à³ÌÊäÈëµçÑ¹Ç·Ñ¹Ëø¶¨±£» £»£»£»£»£»¤(UVLO)ãÐÖµºÍÖͺóµÄ׼ȷÆôÓÃãÐÖµ
  • ÄÚÖÃ4msÈíÆô¶¯Ê±¼ä
  • Êä³ö¹ýѹ±£» £»£»£»£»£»¤
  • 160°CʱµÄ¹ýα£» £»£»£»£»£»¤
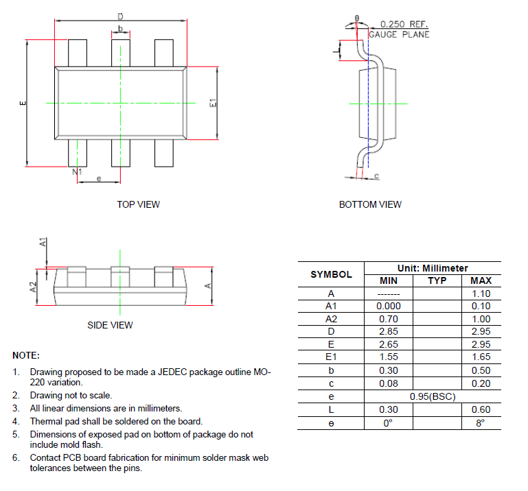
  • ÌṩTSOT23-6L·â×°
 
 
ÐÎò£º
 
SCT2320ÊÇ2Aͬ²½½µÑ¹×ª»»Æ÷ £¬£¬£¬£¬ £¬¾ßÓиߴï32VµÄ¿íÊäÈëµçѹ¹æÄ£ £¬£¬£¬£¬ £¬ÍêÈ«¼¯³ÉÁË130m?¸ß±ßMOSFETºÍ80mΩµÍ±ßMOSFET £¬£¬£¬£¬ £¬¿ÉʵÏÖ¸ßЧÂʵĽµÑ¹×ª»»¡£¡£¡£¡£¡£¡£SCT2320½ÓÄɾßÓм¯³ÉÅâ³¥ÍøÂçµÄ·åÖµµçÁ÷ģʽ¿ØÖÆ £¬£¬£¬£¬ £¬×î´óÏ޶ȵØïÔ̭ƬÍâÔª¼þÊýÄ¿ £¬£¬£¬£¬ £¬Ê¹SCT2320Ò×ÓÚʹÓᣡ£¡£¡£¡£¡£SCT2320Ö§³Öµä·¶µÄ20uA³¬µÍ¾²Ì¬µçÁ÷µÄÂö³åÌø¹ýģʽ£¨PSM£© £¬£¬£¬£¬ £¬ÔÚ1mAºÍ5mA¸ºÔØÌõ¼þÏÂЧÂÊ»®·ÖÊÇ80%ºÍ88%¡£¡£¡£¡£¡£¡£
SCT2320ÊÇÒ»¿îµç´Å×ÌÈÅ£¨EMI£©ÓѺÃÐͽµÑ¹×ª»»Æ÷ £¬£¬£¬£¬ £¬½ÓÄÉÓÅ»¯Éè¼ÆÒÔ½µµÍEMI¡£¡£¡£¡£¡£¡£SCT2320µÄÌØµãÊÇչƵFSS £¬£¬£¬£¬ £¬500kHz¿ª¹ØÆµÂʵIJü¶¶¹æÄ£Îª±6% £¬£¬£¬£¬ £¬¿ª¹ØÆµÂʵĵ÷ÖÆÖÜÆÚΪ512¸ö¿ª¹ØÖÜÆÚ £¬£¬£¬£¬ £¬ÒÔïÔÌ­´«µ¼EMI¡£¡£¡£¡£¡£¡£¸Ãת»»ÓþßÓÐÌØÊâÉè¼ÆµÄÕ¤¼«Çý¶¯Æ÷¼Æ»® £¬£¬£¬£¬ £¬¿ÉÔÚ²»ÎþÉüMOSFETµ¼Í¨ºÍ¹Ø¶Ïʱ¼äµÄÇéÐÎϼõС¿ªÊàŦµãÕñÁå £¬£¬£¬£¬ £¬´Ó¶ø½øÒ»²½Ïû³ýMOSFETÓ²¿ª¹ØÒýÆðµÄ¸ßƵ·øÉäEMIÔëÉù¡£¡£¡£¡£¡£¡£
SCT2320ÌṩÊä³ö¹ýѹ±£» £»£»£»£»£»¤¡¢ÖðÖÜÆÚ·åÖµµçÁ÷ÏÞÖÆºÍ¹ýα£» £»£»£»£»£»¤¡£¡£¡£¡£¡£¡£¸Ã×°±¸½ÓÄɱ¡ÐÍTSOT23-6L·â×°¡£¡£¡£¡£¡£¡£
 
 
Ó¦Óãº
 
  • °×É«¼Òµç
  • ¼à¿Ø
  • ÒôƵ¡¢WiFiÑïÉùÆ÷
  • ´òÓ¡»ú¡¢³äµçÕ¾
  • Êý×ÖµçÊÓ¡¢»ú¶¥ºÐ¡¢¼àÊÓÆ÷/LCDÏÔʾÆ÷

·â×°ÐÅÏ¢

SCT2320TVBR
+ -

ÊÖÒÕ×ÊÁÏ

ÎÊÌâ ʱ¼ä ÏÂÔØ
EV2320-B-01-R1.0 2024-10-24 ÏÂÔØ
SCT2320TVBR-¿É¿¿ÐÔ±¨¸æ 2024-11-04 µÇ¼ÏÂÔØ
SCT2320 Datasheet Rev_1.3 2024-12-12 ÏÂÔØ

²ÎÊý±ÈÕÕ

¼ÓÈë±ÈÕÕ
30V DC-DC½µÑ¹×ª»»Æ÷ DC-DC ½µÑ¹×ª»»Æ÷
±ÈÕÕ²ÎÊý
{{ goods }}
30V DC-DC½µÑ¹×ª»»Æ÷ DC-DC ½µÑ¹×ª»»Æ÷
{{ item.attr_name }} {{ vo }}
¡¾ÍøÕ¾µØÍ¼¡¿¡¾sitemap¡¿