½ðʨ¹ó±ö»á

¿ª¹ØµçÔ´ ¿ª¹ØµçÔ´

DC-DC ½µÑ¹×ª»»Æ÷

Step-down DCDC converter
SCT2322TVBR ÕýÔÚ¹©»õ
3.8-32V Vin,2AµÄEMIÓѺÃͬ²½½µÑ¹DCDCת»»Æ÷
¼ÓÈ빺Îï³µ
SCT2322TVBR
  • ²úÆ·ÏÈÈÝ
  • ÊÖÒÕ×ÊÁÏ
  • ²ÎÊý±ÈÕÕ

²úÆ·ÌØÕ÷

ÌØÕ÷£º
 
  • ïÔÌ­EMI £¬£¬£¬£¬£¬£¬¿ªÊàŦµãÎÞÕñÁå
  • 500kHz¿ª¹ØÆµÂÊ £¬£¬£¬£¬£¬£¬±6%չƵ£¨FSS£©
  • ÇáÔØÌõ¼þÏÂÂö³åÌø¹ýģʽ£¨PSM£©
  • 3.8V-32V¿íÊäÈëµçѹ¹æÄ£
  • ¸ß´ï2AµÄÒ»Á¬Êä³ö¸ºÔصçÁ÷
  • 0.8V±1%·´Ïì²Î¿¼µçѹ
  • ¼¯³É130m? Rdson¸ß±ßMOSFETºÍ70mΩ RdsonµÍ±ßMOSFET
  • 1uA¹Ø»úµçÁ÷
  • ×îСµ¼Í¨Ê±¼ä80ns
  • ¿É±à³ÌÊäÈëµçÑ¹Ç·Ñ¹Ëø¶¨±£»£»£»£»¤(UVLO)ãÐÖµºÍÖͺóµÄ׼ȷÆôÓÃãÐÖµ
  • 4msÄÚÖÃÈíÆô¶¯Ê±¼ä
  • Êä³ö¹ýѹ±£»£»£»£»¤
  • 160°CʱµÄ¹ýα£»£»£»£»¤
  • ÌṩTSOT23-6L·â×°
 
ÐÎò£º
 
SCT2322ÊÇ2Aͬ²½½µÑ¹×ª»»Æ÷ £¬£¬£¬£¬£¬£¬¾ßÓиߴï32VµÄ¿íÊäÈëµçѹ¹æÄ£ £¬£¬£¬£¬£¬£¬ÍêÈ«¼¯³ÉÁË130m?¸ß±ßMOSFETºÍ80mΩµÍ±ßMOSFET £¬£¬£¬£¬£¬£¬¿ÉʵÏÖ¸ßЧÂʵĽµÑ¹×ª»»¡£¡£¡£¡£¡£¡£SCT2322½ÓÄɾßÓм¯³ÉÅâ³¥ÍøÂçµÄ·åÖµµçÁ÷ģʽ¿ØÖÆ £¬£¬£¬£¬£¬£¬×î´óÏ޶ȵØïÔ̭ƬÍâÔª¼þÊýÄ¿ £¬£¬£¬£¬£¬£¬Ê¹SCT2322Ò×ÓÚʹÓᣡ£¡£¡£¡£¡£SCT2322Ö§³ÖÂö³åÌø¹ýµ÷ÖÆÄ£Ê½£¨PSM£©¡£¡£¡£¡£¡£¡£
SCT2322ÊÇÒ»¿îµç´Å×ÌÈÅ£¨EMI£©ÓѺÃÐͽµÑ¹×ª»»Æ÷ £¬£¬£¬£¬£¬£¬½ÓÄÉÓÅ»¯Éè¼ÆÒÔ½µµÍEMI¡£¡£¡£¡£¡£¡£¸Ãת»»ÓþßÓÐÌØÊâÉè¼ÆµÄÕ¤¼«Çý¶¯Æ÷¼Æ»® £¬£¬£¬£¬£¬£¬¿ÉÔÚ²»ÎþÉüMOSFETµ¼Í¨ºÍ¹Ø¶Ïʱ¼äµÄÇéÐÎϼõС¿ªÊàŦµãÕñÁå £¬£¬£¬£¬£¬£¬´Ó¶ø½øÒ»²½Ïû³ýMOSFETÓ²¿ª¹ØÒýÆðµÄ¸ßƵ·øÉäEMIÔëÉù¡£¡£¡£¡£¡£¡£
SCT2322ÌṩÊä³ö¹ýѹ±£»£»£»£»¤¡¢ÖðÖÜÆÚ·åÖµµçÁ÷ÏÞÖÆºÍ¹ýα£»£»£»£»¤¡£¡£¡£¡£¡£¡£¸Ã×°±¸½ÓÄɱ¡ÐÍTSOT23-6L·â×°¡£¡£¡£¡£¡£¡£
 
 
Ó¦Óãº
 
  • °×É«¼Òµç
  • ¼à¿Ø
  • ÒôƵ¡¢WiFiÑïÉùÆ÷
  • ´òÓ¡»ú¡¢³äµçÕ¾
  • Êý×ÖµçÊÓ¡¢»ú¶¥ºÐ¡¢¼àÊÓÆ÷/LCDÏÔʾÆ÷

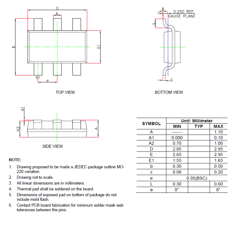
·â×°ÐÅÏ¢

SCT2322TVBR
+ -

ÊÖÒÕ×ÊÁÏ

ÎÊÌâ ʱ¼ä ÏÂÔØ
SCT2322 Datasheet Rev_1.2 2024-12-12 ÏÂÔØ

²ÎÊý±ÈÕÕ

¼ÓÈë±ÈÕÕ
30V DC-DC½µÑ¹×ª»»Æ÷ DC-DC ½µÑ¹×ª»»Æ÷
±ÈÕÕ²ÎÊý
{{ goods }}
30V DC-DC½µÑ¹×ª»»Æ÷ DC-DC ½µÑ¹×ª»»Æ÷
{{ item.attr_name }} {{ vo }}
¡¾ÍøÕ¾µØÍ¼¡¿¡¾sitemap¡¿