½ðʨ¹ó±ö»á

¿ª¹ØµçÔ´ ¿ª¹ØµçÔ´

DC-DC ½µÑ¹×ª»»Æ÷

Step-down DCDC converter
SCT2325TVBR ÕýÔÚ¹©»õ
3.8-32V Vin,2AµÄEMIÓѺÃͬ²½½µÑ¹DCDCת»»Æ÷
¼ÓÈ빺Îï³µ
SCT2325TVBR
  • ²úÆ·ÏÈÈÝ
  • ÊÖÒÕ×ÊÁÏ
  • ²ÎÊý±ÈÕÕ

²úÆ·ÌØÕ÷

ÌØÕ÷£º
 
  • ïÔÌ­EMI£¬ £¬£¬ £¬£¬£¬¿ªÊàŦµãÎÞÕñÁå
  • 3.8V-32V¿íÊäÈëµçѹ¹æÄ£
  • ¸ß´ï2AµÄÒ»Á¬Êä³ö¸ºÔصçÁ÷
  • 5V±1%Êä³öµçѹ
  • ÍêÈ«¼¯³É130m?Rdson¸ß±ßMOSFETºÍ70mΩ RdsonµÍ±ßMOSFET
  • 1uA¹Ø»úµçÁ÷
  • 20uA¾²Ì¬µçÁ÷
  • 1.1MHz¿ª¹ØÆµÂÊ£¬ £¬£¬ £¬£¬£¬±6%չƵ£¨FSS£©
  • ×îСµ¼Í¨Ê±¼ä80ns
  • ¿É±à³ÌÊäÈëµçÑ¹Ç·Ñ¹Ëø¶¨±£»£»£»£»£»£»¤(UVLO)ãÐÖµºÍÖͺóµÄ׼ȷÆôÓÃãÐÖµ
  • µÍѹ²îģʽ
  • ÇáÔØÌõ¼þÏÂÂö³åÌø¹ýģʽ£¨PSM£©
  • 4msÄÚÖÃÈíÆô¶¯Ê±¼ä
  • 160°CʱµÄ¹ýα£»£»£»£»£»£»¤
  • ÌṩTSOT23-6L·â×°
 
ÐÎò£º
 
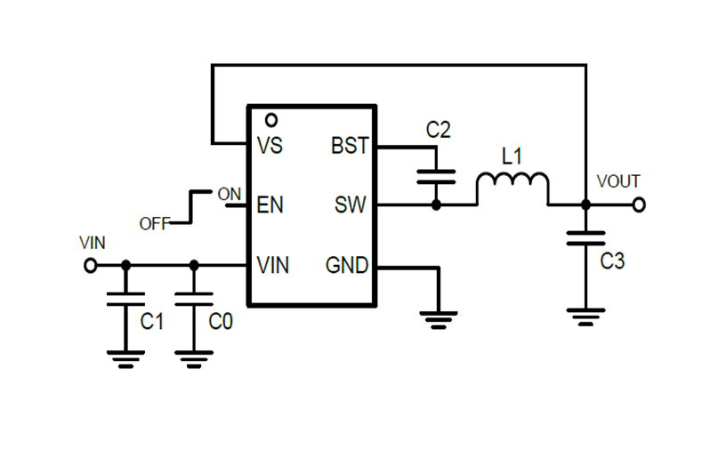
SCT2325ÊÇ2Aͬ²½½µÑ¹×ª»»Æ÷£¬ £¬£¬ £¬£¬£¬¾ßÓиߴï32VµÄ¿íÊäÈëµçѹ¹æÄ££¬ £¬£¬ £¬£¬£¬ÍêÈ«¼¯³ÉÁË130m?¸ß±ßMOSFETºÍ80mΩµÍ±ßMOSFET£¬ £¬£¬ £¬£¬£¬¿ÉʵÏÖ¸ßЧÂʵĽµÑ¹×ª»»¡£¡£¡£¡£SCT2325½ÓÄɾßÓм¯³ÉÅâ³¥ÍøÂçµÄ·åÖµµçÁ÷ģʽ¿ØÖÆ£¬ £¬£¬ £¬£¬£¬×î´óÏ޶ȵØïÔ̭ƬÍâÔª¼þÊýÄ¿£¬ £¬£¬ £¬£¬£¬Ê¹SCT2325Ò×ÓÚʹÓᣡ£¡£¡£SCT2325Ö§³Öµä·¶µÄ20uA³¬µÍ¾²Ì¬µçÁ÷µÄÂö³åÌø¹ýģʽ£¨PSM£©£¬ £¬£¬ £¬£¬£¬ÔÚ1mAºÍ5mA¸ºÔØÌõ¼þÏÂЧÂÊ»®·ÖÊÇ80%ºÍ88%¡£¡£¡£¡£
SCT2325ÊÇÒ»¿îµç´Å×ÌÈÅ£¨EMI£©ÓѺÃÐͽµÑ¹×ª»»Æ÷£¬ £¬£¬ £¬£¬£¬½ÓÄÉÓÅ»¯Éè¼ÆÒÔ½µµÍEMI¡£¡£¡£¡£SCT2325µÄÌØµãÊÇչƵFSS£¬ £¬£¬ £¬£¬£¬500kHz¿ª¹ØÆµÂʵIJü¶¶¹æÄ£Îª±6%£¬ £¬£¬ £¬£¬£¬¿ª¹ØÆµÂʵĵ÷ÖÆÖÜÆÚΪ512¸ö¿ª¹ØÖÜÆÚ£¬ £¬£¬ £¬£¬£¬ÒÔïÔÌ­´«µ¼EMI¡£¡£¡£¡£¸Ãת»»ÓþßÓÐÌØÊâÉè¼ÆµÄÕ¤¼«Çý¶¯Æ÷¼Æ»®£¬ £¬£¬ £¬£¬£¬¿ÉÔÚ²»ÎþÉüMOSFETµ¼Í¨ºÍ¹Ø¶Ïʱ¼äµÄÇéÐÎϼõС¿ªÊàŦµãÕñÁ壬 £¬£¬ £¬£¬£¬´Ó¶ø½øÒ»²½Ïû³ýMOSFETÓ²¿ª¹ØÒýÆðµÄ¸ßƵ·øÉäEMIÔëÉù¡£¡£¡£¡£
SCT2325ÌṩÊä³ö¹ýѹ±£»£»£»£»£»£»¤¡¢ÖðÖÜÆÚ·åÖµµçÁ÷ÏÞÖÆºÍ¹ýα£»£»£»£»£»£»¤¡£¡£¡£¡£¸Ã×°±¸½ÓÄɱ¡ÐÍTSOT23-6L·â×°¡£¡£¡£¡£
 
 
Ó¦Óãº
 
  • °×É«¼Òµç¡¢¿Õµ÷¡¢±ùÏäµÈ¡£¡£¡£¡£
  • ¼ÒÓõçÆ÷
  • ¼à¿Ø
  • ÒôƵ¡¢WiFiÑïÉùÆ÷
  • ´òÓ¡»ú
  • Êý×ÖµçÊÓ¡¢»ú¶¥ºÐ¡¢¼àÊÓÆ÷/LCDÏÔʾÆ÷
  • µç×Ó±í

·â×°ÐÅÏ¢

SCT2325TVBR
+ -

ÊÖÒÕ×ÊÁÏ

ÎÊÌâ ʱ¼ä ÏÂÔØ
SCT2323 SCT2325 Datasheet Rev 1.3 2024-12-12 ÏÂÔØ

²ÎÊý±ÈÕÕ

¼ÓÈë±ÈÕÕ
30V DC-DC½µÑ¹×ª»»Æ÷ DC-DC ½µÑ¹×ª»»Æ÷
±ÈÕÕ²ÎÊý
{{ goods }}
30V DC-DC½µÑ¹×ª»»Æ÷ DC-DC ½µÑ¹×ª»»Æ÷
{{ item.attr_name }} {{ vo }}
¡¾ÍøÕ¾µØÍ¼¡¿¡¾sitemap¡¿