½ðʨ¹ó±ö»á

¿ª¹ØµçÔ´ ¿ª¹ØµçÔ´

DC-DC ½µÑ¹×ª»»Æ÷

Step-down DCDC converter
SCT2433STER ÕýÔÚ¹©»õ
3.8V-40V Vin, 3.5A, ÄÚ²¿»·Â·Åâ³¥µÄ¸ßЧÂÊͬ²½½µÑ¹DCDCת»»Æ÷
¼ÓÈ빺Îï³µ
SCT2433STER
  • ²úÆ·ÏÈÈÝ
  • ÊÖÒÕ×ÊÁÏ
  • ²ÎÊý±ÈÕÕ

²úÆ·ÌØÕ÷

ÌØÕ÷£º
 
  • ¿íÊäÈëµçѹ¹æÄ££º3.8V-40V
  • Ò»Á¬Êä³öµçÁ÷3.5A 
  • 0.8V±1%·´Ïì²Î¿¼µçѹ
  • ¼¯³É80mΩ¸ß²à¹¦ÂÊMOSFETºÍ50mΩµÍ²à¹¦ÂÊMOSFET
  • ÇáÔØPSMÊÂÇéģʽ
  • ÔÚ˯ÃßģʽϾ²Ì¬µçÁ÷25uA
  • ¿ª¹ØÆµÂÊ570kHz
  • 100ns×îСµ¼Í¨Ê±¼ä
  • 2msÄÚ²¿ÈíÆô¶¯Ê±¼ä
  • ÍⲿʱÖÓÐźÅͬ²½
  • ¶¶Æµ£¨FSS£©¹¦Ð§ÓÃÓÚEMIÓÅ»¯
  • ¿Éµ÷ÀíµÄÊäÈëÇ·Ñ¹Ëø¶¨ãÐÖµ¼°ÑÓ³Ù
  • µÍѹ²îģʽ
  • ¿ÉÖ§³Ö¸ºÑ¹Êä³ö
  • ¹ýѹºÍ¹ýα£»£»£»£»£»£»¤
  • ½ÓÄÉESOP-8·â×°
 
ÐÎò£º
 
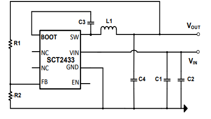
SCT2433ÊÇÒ»¿î3.5Aͬ²½½µÑ¹×ª»»Æ÷£¬ £¬£¬£¬£¬£¬¾ßÓдÓ3.8Vµ½40VµÄ¿íÊäÈëµçѹ¹æÄ££¬ £¬£¬£¬£¬£¬¼¯³ÉÁË80m?¸ß²àMOSFETºÍ50m?µÍ²àMOSFET¡£¡£¡£ ¡£¡£SCT2433½ÓÄÉ·åÖµµçÁ÷ģʽ¿ØÖÆ£¬ £¬£¬£¬£¬£¬ÇáÔØPSMÊÂÇéģʽ£¬ £¬£¬£¬£¬£¬¾ßÓе䷶µÄ25uAµÍ¾²Ì¬µçÁ÷£¬ £¬£¬£¬£¬£¬ÓÐÖúÓÚת»»Æ÷ÔÚÇáÔØ»ò´ý»úÌõ¼þÏÂʵÏÖ¸ßЧÂÊ¡£¡£¡£ ¡£¡£
SCT2433¾ßÓÐ570kHz¿ª¹ØÆµÂʺÍÄÚ²¿ÈíÆô¶¯¹¦Ð§¡£¡£¡£ ¡£¡£¸Ãת»»Æ÷ÔÊÐí´Ó¸ßÊäÈëµçѹµ½µÍÊä³öµçѹµÄ¹¦ÂÊת»»£¬ £¬£¬£¬£¬£¬¸ß²àMOSFETµÄ×îСµ¼Í¨Ê±¼äΪ100ns¡£¡£¡£ ¡£¡£Ëü»¹Ö§³Ö´ÓÊäÈëµ½Êä³öµÍµçѹ²îϵĵÍѹ²îLDOÊÂÇé¡£¡£¡£ ¡£¡£
SCT2433ÊÇÒ»¿îµç´Å×ÌÈÅ£¨EMI£©ÓѺÃÐͽµÑ¹×ª»»Æ÷£¬ £¬£¬£¬£¬£¬½ÓÄÉÓÅ»¯Éè¼ÆÒÔ½µµÍEMI¡£¡£¡£ ¡£¡£SCT2433µÄÌØµãÊǶ¶ÆµFSS¹¦Ð§£¬ £¬£¬£¬£¬£¬¿ª¹ØÆµÂʵIJü¶¶¹æÄ£Îª±6%£¬ £¬£¬£¬£¬£¬²ü¶¶ÖÜÆÚΪ¿ª¹ØÆµÂʵÄ1/512£¬ £¬£¬£¬£¬£¬ÒÔ´ËÀ´EMI¡£¡£¡£ ¡£¡£
SCT2433ÌṩÖðÖÜÆÚµçÁ÷ÏÞÖÆºÍ´òàùýµçÁ÷±£»£»£»£»£»£»¤¡¢¹ýα£»£»£»£»£»£»¤¡¢Êä³ö¹ýѹ±£»£»£»£»£»£»¤ºÍÊäÈëǷѹ±£»£»£»£»£»£»¤¡£¡£¡£ ¡£¡£¸Ã×°±¸½ÓÄÉESOP-8·â×°¡£¡£¡£ ¡£¡£
 
 
Ó¦Óãº
 
  • µç³Ø×鹩µçϵͳ-ÎÞÏߵ綯¹¤¾ß¡¢ÎÞÏ߼ҵ硢ÎÞÈË»ú¡¢º½¿Õ½¨Ä£¡¢GPS×·×ÙÆ÷µÈ¡£¡£¡£ ¡£¡£´ò»ð»úÊÊÅäÆ÷¡¢³äµçÆ÷
  • Òº¾§ÏÔʾÆ÷
  • USB Type-C¹©µç£¬ £¬£¬£¬£¬£¬USB³äµç
  • ¹¤ÒµºÍÒ½ÁÆÂþÑÜʽµçÔ´
  • ¹âͨѶºÍÍøÂçϵͳ
  • Æû³µÏµÍ³

·â×°ÐÅÏ¢

SCT2433STER
+ -

ÊÖÒÕ×ÊÁÏ

ÎÊÌâ ʱ¼ä ÏÂÔØ
SCT2433 ÆÀ¹À°æÖ¸ÄÏ 2024-10-24 ÏÂÔØ
SCT2433STER-¿É¿¿ÐÔ±¨¸æ011129 R7.0 2024-11-05 µÇ¼ÏÂÔØ
SCT2433 Datasheet Rev 1.5 2024-12-12 ÏÂÔØ

²ÎÊý±ÈÕÕ

¼ÓÈë±ÈÕÕ
40V DC-DC½µÑ¹×ª»»Æ÷ DC-DC ½µÑ¹×ª»»Æ÷
±ÈÕÕ²ÎÊý
{{ goods }}
40V DC-DC½µÑ¹×ª»»Æ÷ DC-DC ½µÑ¹×ª»»Æ÷
{{ item.attr_name }} {{ vo }}
¡¾ÍøÕ¾µØÍ¼¡¿¡¾sitemap¡¿