½ðʨ¹ó±ö»á

¿ª¹ØµçÔ´ ¿ª¹ØµçÔ´

DC-DC ½µÑ¹×ª»»Æ÷

Step-down DCDC converter
SCT2433DSTER ÕýÔÚ¹©»õ
3.8V-40V Vin, 3.5A, ÄÚ²¿»·Â·Åâ³¥µÄ¸ßЧÂÊͬ²½½µÑ¹DCDCת»»Æ÷
¼ÓÈ빺Îï³µ
SCT2433DSTER
  • ²úÆ·ÏÈÈÝ
  • ÊÖÒÕ×ÊÁÏ
  • ²ÎÊý±ÈÕÕ

²úÆ·ÌØÕ÷

ÌØÕ÷£º
 
  • ¿íÊäÈëµçѹ¹æÄ££º3.8V-40V
  • Ò»Á¬Êä³öµçÁ÷3.5A 
  • 0.8V±1%·´Ïì²Î¿¼µçѹ
  • ¼¯³É80mΩ¸ß²à¹¦ÂÊMOSFETºÍ50mΩµÍ²à¹¦ÂÊMOSFET
  • Ç¿ÖÆÂö³å¿í¶Èµ÷ÖÆ(FPWM)
  • ¿ª¹ØÆµÂÊ570kHz
  • 100ns×îСµ¼Í¨Ê±¼ä
  • 2msÄÚ²¿ÈíÆô¶¯Ê±¼ä
  • ÍⲿʱÖÓÐźÅͬ²½
  • ¶¶Æµ£¨FSS£©¹¦Ð§ÓÃÓÚEMIÓÅ»¯
  • ¿Éµ÷ÀíµÄÊäÈëÇ·Ñ¹Ëø¶¨ãÐÖµ¼°ÑÓ³Ù
  • µÍѹ²îģʽ
  • ¿ÉÖ§³Ö¸ºÑ¹Êä³ö
  • ¹ýѹºÍ¹ýα£»£»¤
  • ½ÓÄÉESOP-8·â×°
 
ÐÎò£º
 
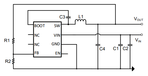
SCT2433DÊÇÒ»¿î3.5Aͬ²½½µÑ¹×ª»»Æ÷£¬£¬£¬¾ßÓдÓ3.8Vµ½40VµÄ¿íÊäÈëµçѹ¹æÄ££¬£¬£¬¼¯³ÉÁË80m?¸ß²àMOSFETºÍ50m?µÍ²àMOSFET¡£¡£SCT2433D½ÓÄÉ·åÖµµçÁ÷ģʽ¿ØÖÆ£¬£¬£¬Ç¿ÖÆÂö¿íµ÷ÖÆ£¨FPWM£©ÒÔʵÏÖÇáÔØÌõ¼þϵÄСÊä³öÎÆ²¨¡£¡£
SCT2433D¾ßÓÐ570kHz¿ª¹ØÆµÂʺÍÄÚ²¿ÈíÆô¶¯¹¦Ð§¡£¡£¸Ãת»»Æ÷ÔÊÐí´Ó¸ßÊäÈëµçѹµ½µÍÊä³öµçѹµÄ¹¦ÂÊת»»£¬£¬£¬¸ß²àMOSFETµÄ×îСµ¼Í¨Ê±¼äΪ100ns¡£¡£Ëü»¹Ö§³Ö´ÓÊäÈëµ½Êä³öµÍµçѹ²îϵĵÍѹ²îLDOÊÂÇé¡£¡£
SCT2433DÊÇÒ»¿îµç´Å×ÌÈÅ£¨EMI£©ÓѺÃÐͽµÑ¹×ª»»Æ÷£¬£¬£¬½ÓÄÉÓÅ»¯Éè¼ÆÒÔ½µµÍEMI¡£¡£SCT2433D¾ßÓж¶ÆµFSS¹¦Ð§£¬£¬£¬¿ª¹ØÆµÂʲü¶¶¹æÄ£Îª±6%£¬£¬£¬²ü¶¶ÖÜÆÚΪ¿ª¹ØÆµÂʵÄ1/512£¬£¬£¬ÒÔ´ËÀ´ïÔÌ­EMI¡£¡£
SCT2433DÌṩÖðÖÜÆÚµçÁ÷ÏÞÖÆºÍ´òàùýµçÁ÷±£»£»¤¡¢¹ýα£»£»¤¡¢Êä³ö¹ýѹ±£»£»¤ºÍÊäÈëǷѹ±£»£»¤¡£¡£¸Ã×°±¸½ÓÄÉESOP-8·â×°¡£¡£
 
 
Ó¦Óãº
 
  • µç³Ø×鹩µçϵͳ-ÎÞÏߵ綯¹¤¾ß¡¢ÎÞÏ߼ҵ硢ÎÞÈË»ú¡¢º½¿Õ½¨Ä£¡¢GPS×·×ÙÆ÷µÈ¡£¡£´ò»ð»úÊÊÅäÆ÷¡¢³äµçÆ÷
  • Òº¾§ÏÔʾÆ÷
  • USB Type-C¹©µç£¬£¬£¬USB³äµç
  • ¹¤ÒµºÍÒ½ÁÆÂþÑÜʽµçÔ´
  • ¹âͨѶºÍÍøÂçϵͳ
  • Æû³µÏµÍ³

·â×°ÐÅÏ¢

SCT2433DSTER
+ -

²ÎÊý±ÈÕÕ

¼ÓÈë±ÈÕÕ
40V DC-DC½µÑ¹×ª»»Æ÷ DC-DC ½µÑ¹×ª»»Æ÷
±ÈÕÕ²ÎÊý
{{ goods }}
40V DC-DC½µÑ¹×ª»»Æ÷ DC-DC ½µÑ¹×ª»»Æ÷
{{ item.attr_name }} {{ vo }}
¡¾ÍøÕ¾µØÍ¼¡¿¡¾sitemap¡¿