½ðʨ¹ó±ö»á

¿ª¹ØµçÔ´ ¿ª¹ØµçÔ´

DC-DC ½µÑ¹×ª»»Æ÷

Step-down DCDC converter
SCT2610ASTER ÕýÔÚ¹©»õ
4.5V-65V Vin, 0.6A, ¿Éµ÷ƵÂʵĸßЧÂÊͬ²½½µÑ¹DCDCת»»Æ÷
¼ÓÈ빺Îï³µ
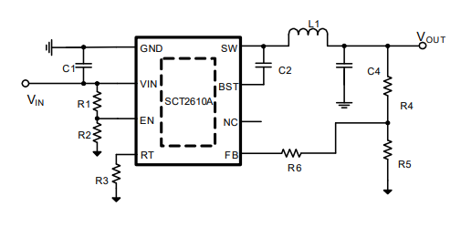
SCT2610ASTER
  • ²úÆ·ÏÈÈÝ
  • ÊÖÒÕ×ÊÁÏ
  • ²ÎÊý±ÈÕÕ

²úÆ·ÌØÕ÷

ÌØÕ÷£º
 
  • ¿íÊäÈëµçѹ¹æÄ££º4.5V-65V
  • 0.6AÒ»Á¬Êä³öµçÁ÷
  • 0.8V±1%·´Ïì²Î¿¼µçѹ
  • ¼¯³É750mΩ¸ß²à¹¦ÂÊMOSFETºÍ500mΩµÍ²à¹¦ÂÊMOSFET
  • ÇáÔØPFMÊÂÇéģʽ
  • ÔÚ˯ÃßģʽÏÂ100uA¾²Ì¬µçÁ÷
  • 4msÄÚ²¿ÈíÆô¶¯Ê±¼ä
  • ¿Éµ÷¿ª¹ØÆµÂÊ300kHz-800kHz
  • ¿Éµ÷ÀíµÄÊäÈëÇ·Ñ¹Ëø¶¨ãÐÖµ¼°ÑÓ³Ù
  • ÖðÖÜÆÚµçÁ÷ÏÞÖÆ
  • ¹ýѹ±£»£»¤
  • ¹ýα£»£»¤
  • ½ÓÄÉESOP-8 ·â×°
 
ÐÎò£º
 
SCT2610AÊÇ0.6Aͬ²½½µÑ¹×ª»»Æ÷£¬£¬ £¬£¬£¬£¬¾ßÓÐ4.5VÖÁ65VµÄ¿íÊäÈëµçѹ¹æÄ££¬£¬ £¬£¬£¬£¬¼¯³ÉÁË750m?¸ßѹ²àMOSFETºÍ500m?µÍѹ²àMOSFET¡£¡£SCT2610A½ÓÄɺ㶨µ¼Í¨Ê±¼ä£¨COT£©Ä£Ê½¿ØÖÆ£¬£¬ £¬£¬£¬£¬Ö§³Ö¾ßÓе䷶100uAµÍ¾²Ì¬µçÁ÷µÄPFMÊÂÇéģʽ£¬£¬ £¬£¬£¬£¬ÕâÓÐÖúÓÚת»»Æ÷ÔÚÇáÔØ»ò´ý»úÌõ¼þÏÂʵÏÖ¸ßЧÂÊ¡£¡£
SCT2610A¾ßÓÐ300kHzÖÁ800kHzµÄ¿Éµ÷¿ª¹ØÆµÂÊ£¬£¬ £¬£¬£¬£¬¿ÉÎÞаÓÅ»¯Ð§ÂÊ»òÍⲿ×é¼þ³ß´ç¡£¡£
SCT2610AÌṩÖðÖÜÆÚµçÁ÷ÏÞÖÆºÍ´òàùýµçÁ÷±£»£»¤¡¢¹ýα£»£»¤¡¢Êä³ö¹ýѹ±£»£»¤ºÍÊäÈëǷѹ±£»£»¤¡£¡£¸Ã×°±¸½ÓÄÉESOP-8·â×°¡£¡£
 
 
Ó¦Óãº
 
  • µç×Ó¹¤¾ß
  • µç¶¯×ÔÐгµ¡¢Ì¤°å³µ
  • GPS×·×ÙÆ÷

·â×°ÐÅÏ¢

SCT2610ASTER
+ -

ÊÖÒÕ×ÊÁÏ

ÎÊÌâ ʱ¼ä ÏÂÔØ
SCT2610A Datasheet Rev 1.4 2024-12-16 ÏÂÔØ

²ÎÊý±ÈÕÕ

¼ÓÈë±ÈÕÕ
60V DC-DC½µÑ¹×ª»»Æ÷ DC-DC ½µÑ¹×ª»»Æ÷
±ÈÕÕ²ÎÊý
{{ goods }}
60V DC-DC½µÑ¹×ª»»Æ÷ DC-DC ½µÑ¹×ª»»Æ÷
{{ item.attr_name }} {{ vo }}
¡¾ÍøÕ¾µØÍ¼¡¿¡¾sitemap¡¿