½ðʨ¹ó±ö»á

¿ª¹ØµçÔ´ ¿ª¹ØµçÔ´

DC-DC ½µÑ¹×ª»»Æ÷

Step-down DCDC converter
SCT2617STER ÕýÔÚ¹©»õ
4.5V-60V Vin, 1A, ¸ßЧÂʽµÑ¹DCDCת»»Æ÷
¼ÓÈ빺Îï³µ
SCT2617STER
  • ²úÆ·ÏÈÈÝ
  • ÊÖÒÕ×ÊÁÏ
  • ²ÎÊý±ÈÕÕ

²úÆ·ÌØÕ÷

ÌØÕ÷£º
 
  • ¿íÊäÈëµçѹ¹æÄ££º4.5V-60V
  • 1.5AÒ»Á¬Êä³öµçÁ÷
  • 0.765V±2.5%·´Ïì²Î¿¼µçѹ
  • ¼¯³É500mΩ¸ß²à¹¦ÂÊMOSFET
  • µÍ¾²Ì¬µçÁ÷£º80uA
  • ÇáÔØPSMÊÂÇéģʽ
  • 80ns×îСµ¼Í¨Ê±¼ä
  • 6msÄÚ²¿ÈíÆô¶¯Ê±¼ä
  • ÄÚ²¿»·Â·Åâ³¥
  • ¿ª¹ØÆµÂÊ48k0Hz
  • ¿Éµ÷ÀíµÄÊäÈëÇ·Ñ¹Ëø¶¨ãÐÖµ¼°ÑÓ³Ù
  • µÍѹ²îģʽ
  • ¹ýѹ±£»£»£»£» £»£»¤ºÍ¹ýα£»£»£»£» £»£»¤
  • ½ÓÄÉESOP-8 ·â×°
 
ÐÎò£º
 
SCT2617ÊÇÒ»¿î1A½µÑ¹×ª»»Æ÷£¬£¬£¬£¬¾ßÓÐ4.5VÖÁ60VµÄ¿íÊäÈëµçѹ¹æÄ££¬£¬£¬£¬¼¯³ÉÁË500m?¸ß²àMOSFET¡£¡£¡£¡£SCT2617½ÓÄÉ·åÖµµçÁ÷ģʽ¿ØÖÆ£¬£¬£¬£¬Ö§³Ö80uAµÍ¾²Ì¬µçÁ÷µÄPSMÊÂÇéģʽ£¬£¬£¬£¬ÓÐÖúÓÚת»»Æ÷ÔÚÇáÔØ»ò´ý»úÌõ¼þÏÂʵÏÖ¸ßЧÂÊ¡£¡£¡£¡£
SCT2617¾ßÓÐÀο¿µÄ480KHz¿ª¹ØÆµÂÊ£¬£¬£¬£¬¿É×î´óÏ޶ȵؼõСÍⲿԪÆ÷¼þµÄ³ß´ç²¢½µµÍÊä³öÎÆ²¨¡£¡£¡£¡£SCT2617ÔÊÐí´Ó¸ßÊäÈëµçѹµ½µÍÊä³öµçѹµÄ¹¦ÂÊת»»£¬£¬£¬£¬¸ß²àMOSFETµÄ×îСµ¼Í¨Ê±¼äΪ80ns£¬£¬£¬£¬²¢Ö§³Ö´ÓÊäÈëµ½Êä³öµÍµçѹ²îµÄµÍѹ²îÊÂÇé¡£¡£¡£¡£
¸Ã×°±¸ÌṩÀο¿µÄ6msÈíÆô¶¯Ê±¼ä£¬£¬£¬£¬ÒÔ±ÜÃâÆô¶¯Ê±´úµÄÀËÓ¿µçÁ÷£¬£¬£¬£¬²¢ÔÚÄÚ²¿¼¯³ÉÅâ³¥µç·£¬£¬£¬£¬Ê¹¸Ã×°±¸Äܹ»Óë×îÉÙµÄÍⲿÆ÷¼þÒ»ÆðʹÓᣡ£¡£¡£
SCT2617ÌṩÖðÖÜÆÚµçÁ÷ÏÞÖÆ¡¢¹ýα£»£»£»£» £»£»¤¡¢Êä³ö¹ýѹ±£»£»£»£» £»£»¤ºÍÊäÈëǷѹ±£»£»£»£» £»£»¤¡£¡£¡£¡£¸Ã×°±¸½ÓÄÉESOP-8L·â×°¡£¡£¡£¡£
 
 
Ó¦Óãº
 
  • 12V¡¢24V¡¢48V¹¤ÒµºÍµçÐŵçԴϵͳ
  • ¹¤Òµ×Ô¶¯»¯ºÍµç»ú¿ØÖÆ
  • ³µÁ¾Åä¼þ
  • ±ãЯʽÊÖ³ÖÒÇÆ÷
  • ±ãЯʽýÌå²¥·ÅÆ÷

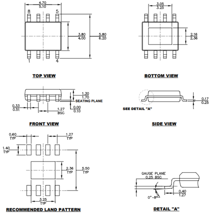
·â×°ÐÅÏ¢

SCT2617STER
+ -

ÊÖÒÕ×ÊÁÏ

ÎÊÌâ ʱ¼ä ÏÂÔØ
SCT2617 Datasheet Rev 1.1 2025-01-21 ÏÂÔØ

²ÎÊý±ÈÕÕ

¼ÓÈë±ÈÕÕ
60V DC-DC½µÑ¹×ª»»Æ÷ DC-DC ½µÑ¹×ª»»Æ÷
±ÈÕÕ²ÎÊý
{{ goods }}
60V DC-DC½µÑ¹×ª»»Æ÷ DC-DC ½µÑ¹×ª»»Æ÷
{{ item.attr_name }} {{ vo }}
¡¾ÍøÕ¾µØÍ¼¡¿¡¾sitemap¡¿