½ðʨ¹ó±ö»á

¿ª¹ØµçÔ´ ¿ª¹ØµçÔ´

DC-DC ½µÑ¹×ª»»Æ÷

Step-down DCDC converter
SCT2630BSTER ÕýÔÚ¹©»õ
4.3V-60V Vin, 3.5A, ¿Éµ÷ƵÂʵĸßЧÂʽµÑ¹DCDCת»»Æ÷
¼ÓÈ빺Îï³µ
SCT2630BSTER
  • ²úÆ·ÏÈÈÝ
  • ÊÖÒÕ×ÊÁÏ
  • ²ÎÊý±ÈÕÕ

²úÆ·ÌØÕ÷

ÌØÕ÷£º
 
  • ¿íÊäÈëµçѹ¹æÄ££º4.3V-60V
  • 3.5AÒ»Á¬Êä³öµçÁ÷
  • 0.8V·´Ïì²Î¿¼µçѹ
  • ¼¯³É130mΩ¸ß²à¹¦ÂÊMOSFET
  • ³¬µÍ¾²Ì¬µçÁ÷£º30uA
  • ¹Ø¶ÏµçÁ÷£º1uA
  • ·åÖµµçÁ÷¿ØÖÆÄ£Ê½
  • ÇáÔØPSMÊÂÇéģʽ
  • 100ns×îСµ¼Í¨Ê±¼ä
  • 4msÄÚ²¿ÈíÆô¶¯Ê±¼ä
  • ¶¶Æµ¹¦Ð§£¨FSS£©½µµÍEMI
  • ¿Éµ÷¿ª¹ØÆµÂʺÍÍⲿʱÖÓÐźÅͬ²½£º100kHz-2.2MHz
  • Æô¶¯Ê±´úƵÂÊÏßÐÔÉý¸ß
  • ¿Éµ÷ÀíµÄÊäÈëÇ·Ñ¹Ëø¶¨ãÐÖµ¼°ÑÓ³Ù
  • Êä³öԤƫÖÿÝÔïÆô¶¯
  • ½ÓÄÉ´òàÃģʽµÄ¹ýÁ÷±£»£» £»¤
  • ¹ýѹ±£»£» £»¤ºÍ¹ýα£»£» £»¤
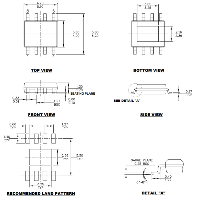
  • ½ÓÄÉESOP-8 ·â×°
 
ÐÎò£º
 
SCT2630BÊÇÒ»¿î3.5A½µÑ¹×ª»»Æ÷£¬£¬£¬£¬£¬¾ßÓÐ4.3VÖÁ60VµÄ¿íÊäÈëµçѹ¹æÄ££¬£¬£¬£¬£¬¼¯³ÉÁË130m?¸ß²àMOSFET¡£¡£SCT2630B½ÓÄÉ·åÖµµçÁ÷ģʽ¿ØÖÆ£¬£¬£¬£¬£¬Ö§³ÖPSMÊÂÇéģʽ£¬£¬£¬£¬£¬¿É×ÊÖúת»»Æ÷ÔÚÇáÔØ»ò´ý»úÌõ¼þÏÂʵÏÖ¸ßЧÂÊ¡£¡£
¿ª¹ØÆµÂÊ¿ÉÉèÖôÓ100kHzµ½2.2MHz£¬£¬£¬£¬£¬ÒÔÓÅ»¯µçԴЧÂÊ»òÍⲿ×é¼þµÄ³ß´ç¡£¡£ÆµÂÊÓÐÁ½ÖÖÉèÖÃģʽ£¬£¬£¬£¬£¬µç×èÉèÖÃÆµÂÊģʽºÍÍⲿʱÖÓͬ²½Ä£Ê½£¬£¬£¬£¬£¬¡£¡£SCT2630BÔÊÐí´Ó¸ßÊäÈëµçѹµ½µÍÊä³öµçѹµÄ¹¦ÂÊת»»£¬£¬£¬£¬£¬¸ß²àMOSFETµÄ×îСµ¼Í¨Ê±¼äΪ100ns¡£¡£SCT2630BÊÇÒ»¿îµç´Å×ÌÈÅ£¨EMI£©ÓѺÃÐͽµÑ¹×ª»»Æ÷£¬£¬£¬£¬£¬½ÓÄÉÓÅ»¯Éè¼ÆÒÔ½µµÍEMI¡£¡£SCT2630BµÄÌØµãÊǾßÓпª¹ØÆµÂʱ6%²ü¶¶·ù¶ÈºÍ1/512²ü¶¶ÖÜÆÚµÄ¶¶ÆµFSS¹¦Ð§£¬£¬£¬£¬£¬ÒÔ´ËÀ´ïÔÌ­EMI¡£¡£
¸Ã×°±¸ÌṩÀο¿µÄ4msÈíÆô¶¯Ê±¼ä£¬£¬£¬£¬£¬ÒÔ±ÜÃâÆô¶¯Ê±´úµÄÀËÓ¿µçÁ÷¡£¡£SCT2630BÖ§³ÖÊä³öԤƫÖõĿÝÔïÆô¶¯¡£¡£SCT2630B¾ßÓÐÍⲿ»·Â·Åâ³¥¹¦Ð§£¬£¬£¬£¬£¬¿ÉÎÞаÓÅ»¯»·Â·ÎȹÌÐÔ»ò»·Â·ÏìÓ¦¡£¡£
SCT2630BÌṩÖðÖÜÆÚµçÁ÷ÏÞÖÆ¡¢´òàÃģʽµÄ¹ýÁ÷±£»£» £»¤¡¢¹ýα£»£» £»¤¡¢Êä³ö¹ýѹ±£»£» £»¤ºÍÊäÈëǷѹ±£»£» £»¤¡£¡£¸ÃÆ÷¼þ½ÓÄÉESOP-8·â×°¡£¡£
 
 
Ó¦Óãº
 
  • 12V¡¢24V¡¢48V¹¤ÒµºÍµçÐŵçԴϵͳ
  • ¹¤Òµ×Ô¶¯»¯ºÍµç»ú¿ØÖÆ
  • ³µÁ¾Åä¼þ

·â×°ÐÅÏ¢

SCT2630BSTER
+ -

²ÎÊý±ÈÕÕ

¼ÓÈë±ÈÕÕ
60V DC-DC½µÑ¹×ª»»Æ÷ DC-DC ½µÑ¹×ª»»Æ÷
±ÈÕÕ²ÎÊý
{{ goods }}
60V DC-DC½µÑ¹×ª»»Æ÷ DC-DC ½µÑ¹×ª»»Æ÷
{{ item.attr_name }} {{ vo }}
¡¾ÍøÕ¾µØÍ¼¡¿¡¾sitemap¡¿