½ðʨ¹ó±ö»á

¹¦ÂÊ¿ØÖÆ ¹¦ÂÊ¿ØÖÆ
SCT82A31DHKR ÕýÔÚ¹©»õ
5.5V-100V ¿íÊäÈë¹æÄ£Í¬²½½µÑ¹×ª»»Æ÷
¼ÓÈ빺Îï³µ
SCT82A31DHKR
  • ²úÆ·ÏÈÈÝ
  • ÊÖÒÕ×ÊÁÏ
  • ²ÎÊý±ÈÕÕ

²úÆ·ÌØÕ÷

ÌØÕ÷£º
 
  • ͬ²½DCDC½µÑ¹¿ØÖÆÆ÷
  • 5.5V-100V¿íÊäÈë¹æÄ£
  • 0.8V-60V¿Éµ÷Êä³öµçѹ
  • 0.8V±1%²Î¿¼µçѹ
  • ×îСռ¿Õ±Èʱ×îСtONΪ40ns
  • ×î´óÕ¼¿Õ±È×îСtOFFΪ150ns
  • 100 KHzÖÁ1.2 MHzµÄ¿ª¹ØÆµÂÊ
  • ʱÖÓͬ²½ÊäÈë/Êä³ö¹¦Ð§
  • ¿ÉÑ¡·Â¶þ¼«¹Üģʽ»òÇ¿ÖÆÂö¿íµ÷ÖÆÄ£Ê½£¨FPWM£©
  • չƵµ÷ÖÆ
  • 7.5-VÕ¤¼«Çý¶¯Æ÷
  • 2.3-A¹àµçÁ÷ºÍ3.5-AÀ­µçÁ÷
  • µÍ±ßÈíÆô¶¯¿ÉʵÏÖԤƫÖÃÆô¶¯
  • ¿ìËÙÊäÈëת±äÏìÓ¦ºÍ¸ºÔØË²Ì¬ÏìÓ¦
  • µçѹģʽ¿ØÖÆ
  • ¸ßÔöÒæ´ø¿íÎó²î·Å´óÆ÷
  • ¿É¿¿µÄ±£»£»£»¤¹¦Ð§
  • ¿Éµ÷ÈíÆô¶¯Ê±¼ä
  • ÖðÖÜÆÚµÄ¹ýµçÁ÷±£»£»£»¤
  • ¿É±à³ÌÊäÈëµçÑ¹Ç·Ñ¹Ëø¶¨±£»£»£»¤ãÐÖµ£¨UVLO£©ºÍÖͺóµÄ׼ȷÆôÓÃãÐÖµ
  • VCCºÍÕ¤¼«Çý¶¯UVLO±£»£»£»¤
  • Power Goodָʾ
  • ¹ýα£»£»£»¤
  • ¿É½ûÓÃÄÚ²¿LDOʹÓÃÍⲿVCCÊäÈë
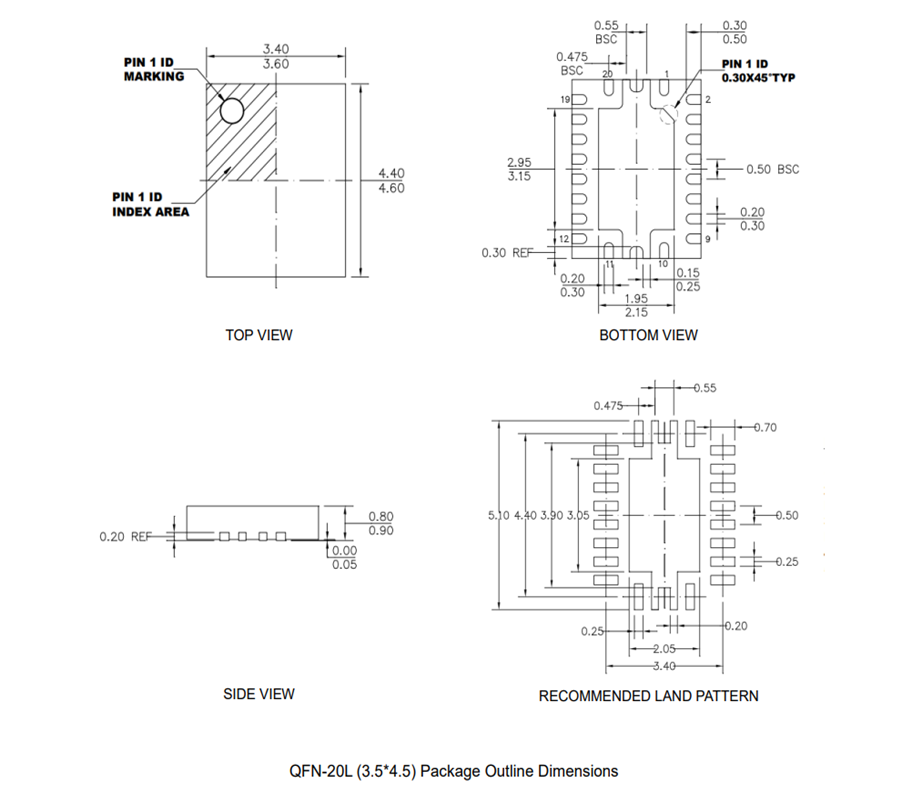
  • QFN-20L 3.5mmx4.5mm·â×°
 
ÐÎò£º
 
SCT82A31ÊÇÒ»¿î100VʹÓõçѹģʽ¿ØÖƵÄͬ²½½µÑ¹¿ØÖÆÆ÷¡£¡£Êܿظ߲߱àMOSFETµÄ×îСµ¼Í¨Ê±¼äΪ40ns£¬£¬Ö§³Ö¸ßѹת»»µÍµçѹ£¬£¬¿ÉʵÏÖÁËÖ±½Ó´Ó48Vµ½µÍѹÊä³öµÄ½µÑ¹×ª»»£¬£¬½µµÍÁËÏµÍ³ÖØ´óÐÔÏ¢Õù¾ö¼Æ»®±¾Ç®¡£¡£ÈçÐèÒªÔÚÊäÈëµçѹ½µÖÁ5.5Vʱ£¬£¬¸Ã×°±¸¿ÉÔÚ¿¿½ü100%µÄÕ¼¿Õ±ÈÏÂÔËÐС£¡£
SCT82A31Ö§³ÖÇ¿ÖÆÂö¿íµ÷ÖÆÄ£Ê½£¨FPWM£©ºÍ·Â¶þ¼«¹Üģʽ¡£¡£FPWMģʽÎÞ¿ª¹ØÆµÂÊת±ä£¬£¬ÒÔ×î´óÏ޶ȵØïÔÌ­EMI£¬£¬¶øÑ¡Ôñ·Â¶þ¼«¹Üģʽ¿ÉÒÔ½µµÍÇáÔØÌõ¼þϵĵçÁ÷ÏûºÄ¡£¡£¸Ã×°±¸Ìṩ¸ß´ï1.2MHzµÄ¿Éµ÷¿ª¹ØÆµÂÊ£¬£¬Í¬Ê±Ö§³ÖÓëÍⲿʱÖÓԴͬ²½ÆµÂÊ£¬£¬ÒÔÏû³ýÔëÉùÃô¸ÐÓ¦ÓÃÖеÄÅÄÆµÐ§Ó¦¡£¡£
¿ÉʹÓÃÍⲿµçѹ»ò½µÑ¹×ª»»Æ÷×Ô¼ºµÄÊä³öµçѹΪVCC»òEXTVCC¹©µç£¬£¬×ÝÈ»ÔÚ5VÊä³öµçѹÏ£¬£¬Ò²ÓÐÖúÓÚÌá¸ßÕûÌåÇáÔØÐ§ÂÊ£¬£¬ïÔÌ­ÄÚ²¿VCC LDOËùºÄÉ¢µÄ¹¦ÂÊ£¬£¬¼õÇá´Ó¶øÒýÆðµÄÄÚ²¿×Ô¾õÉÕ¡£¡£
SCT82A31¾ßÓжàÖÖ¸½¼Ó¹¦Ð§Àû±ãÎÞаÉè¼Æ£¬£¬°üÀ¨¿ÉÉèÖõÄÈíÆô¶¯¡¢ÓÃÓÚ¹ÊÕϱ¨¸æºÍÊä³ö¼à²âµÄPower GoodÊä³ö¡¢Ô¤Æ«ÖøºÔØÊ±¿É¿ÝÔïÆô¶¯¡¢¼¯³ÉÍⲿƫÖÃVCC¹¦Ð§ºÍ×Ծٵ緶þ¼«¹Ü¡¢ÍⲿµçÔ´¸ú×Ù¡¢¿Éµ÷ÊäÈëÇ·Ñ¹Ëø¶¨£¨UVLO£©¡¢¾ßÓÐÖͻصÄENÊäÈë¡¢ÖðÖÜÆÚ¹ýÁ÷±£»£»£»¤ºÍ¾ßÓÐ×Ô»Ö¸´µÄ¹ýα£»£»£»¤¡£¡£
¸ÃÆ÷¼þ½ÓÄɱ¡ÐÍ·â×°QFN-20L 3.5mmx4.5mm£¬£¬´øÓÐÔöÇ¿ÐÍÉ¢ÈȺ¸ÅÌ¡£¡£
 
Ó¦Óãº
 
  • ´óµçÁ÷ÂþÑÜʽµçÁ¦ÏµÍ³
  • µçÐÅ¡¢Êý¾ÝͨѶ
  • ·Ç¸ôÀëPoEºÍIPÉãÏñÍ·
  • ¹¤Òµµç»ú¿ØÖÆ
  • ´ó¹¦ÂÊÆû³µDCDC

·â×°ÐÅÏ¢

SCT82A31DHKR
+ -

ÊÖÒÕ×ÊÁÏ

ÎÊÌâ ʱ¼ä ÏÂÔØ
SCT82A31 Datasheet Rev 1.1 2024-12-12 ÏÂÔØ

²ÎÊý±ÈÕÕ

¼ÓÈë±ÈÕÕ
½µÑ¹ÐÍ¿ØÖÆÆ÷ PWM ¿ØÖÆÆ÷
±ÈÕÕ²ÎÊý
{{ goods }}
½µÑ¹ÐÍ¿ØÖÆÆ÷ PWM ¿ØÖÆÆ÷
{{ item.attr_name }} {{ vo }}
¡¾ÍøÕ¾µØÍ¼¡¿¡¾sitemap¡¿