²úÆ·ÖÐÐÄ
SCT81624ÊÇÒ»¸ö¿íÊäÈë¡¢·Çͬ²½Éýѹ¿ØÖÆÆ÷£¬£¬£¬¿ÉÓÃÓÚÉýѹ¡¢SEPICºÍ·´¼¤×ª»»Æ÷¡£¡£¡£
SCT81624µÄ¿ª¹ØÆµÂÊ¿ÉÒÔͨ¹ýʹÓÃÍⲿµç×è»ò½«Æäͬ²½µ½ÍⲿʱÖÓÀ´µ÷½âµ½100kHzºÍ2.2MHzÖ®¼äµÄÈκÎÖµ¡£¡£¡£ ³ýÁËÖðÖÜÆÚµÄµçÁ÷ÏÞÖÆÍ⣬£¬£¬µçÁ÷ģʽ¿ØÖÆ»¹Ìṩ׿ԽµÄ´ø¿íºÍ˲̬ÏìÓ¦¡£¡£¡£ µçÁ÷ÏÞÖµ¿Éͨ¹ýÍⲿµç×èµ÷Àí¡£¡£¡£
SCT81624ÄÚÖø»ºñ±£»£»¤¹¦Ð§£¬£¬£¬Èç¹ýα£»£»¤¡¢¶Ì·±£»£»¤ºÍ¹ýѹ±£»£»¤¡£¡£¡£ Ê¡µçģʽ½«¹Ø¶ÏµçÁ÷½µµÍµ½3.9µA¡£¡£¡£ ¼¯³ÉµçÁ÷бÂÊÅâ³¥¼ò»¯ÁËÉè¼Æ£¬£¬£¬ÈôÊÇÌØ¶¨Ó¦ÓÃÐèÒª£¬£¬£¬¿ÉÒÔʹÓõç×èÀ´ÔöÌíбÂÊÅâ³¥¡£¡£¡£
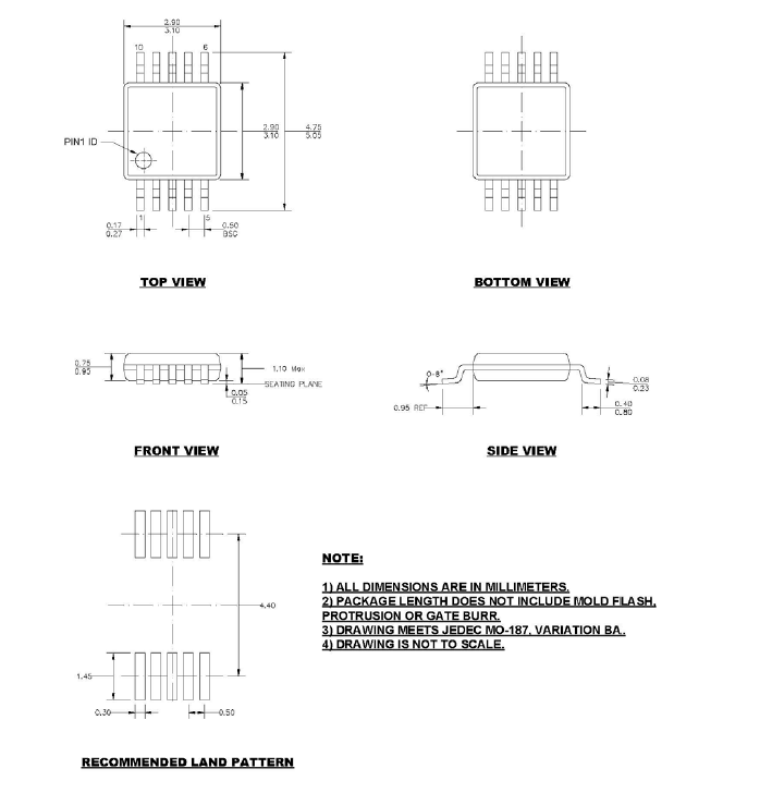
·â×°MSOP-10L£¨3mm*3mm£©
Ó¦Óãº
| ÎÊÌâ | ʱ¼ä | ÏÂÔØ |
|---|---|---|
| SCT81624 Datasheet Rev 1.1 | 2024-12-16 |
|
| ±ÈÕÕ²ÎÊý |
{{ goods }}
|
ÉýѹÐÍ¿ØÖÆÆ÷ PWM ¿ØÖÆÆ÷
|
|---|---|---|
| {{ item.attr_name }} | {{ vo }} |