½ðʨ¹ó±ö»á

½ðʨ¹ó±ö»áÐÂÎÅ ½ðʨ¹ó±ö»áÐÂÎÅ

ÐÂÆ·Ðû²¼ | SCT55610ϵÁÐÈýÏàÎÞË¢µç»úÔ¤Çý¶¯Æ÷£¬£¬£¬£¬ÖúÁ¦¸ßЧÖÇÄÜ¿ØÖÆ

ʱ¼ä:2025-07-14 ȪԴ: SCT½ðʨ¹ó±ö»á¿Æ¼¼

ÔÚÈýÏàÎÞË¢µç»ú¿ØÖÆÁìÓò£¬£¬£¬£¬¿íѹ¼æÈÝÐÔ¡¢Çý¶¯Ð§ÂÊÓëÇå¾²±£»£»£»¤Ê¼ÖÕÊÇϵͳÉè¼ÆµÄ½¹µãÌôÕ½ —— ´ÓÏûºÄµç×ӵĵ͹¦ºÄ´ý»úÐèÇ󣬣¬£¬£¬µ½¹¤Òµ×°±¸µÄ¸ßƵÏìÓ¦³¡¾°£¬£¬£¬£¬ÔÙµ½Æû³µÓ¦Óõĸ߿ɿ¿ÐÔÐèÇó, ¹Å°åÇý¶¯¼Æ»®³£ÃæÁÙ “ÐÔÄÜÆ¿¾±” Óë “Éý¼¶±¾Ç®” µÄË«ÖØèäèô¡£¡£

SCT55610/SCT55611 ÈýÏàÎÞË¢µç»úÔ¤Çý¶¯Æ÷ÒԸ߼¯³É¶ÈÉè¼ÆÍ»ÆÆÍ¨Àý£¬£¬£¬£¬ÒÀ¸½ÓëÖ÷Á÷¼Æ»®¼æÈݵĹܽÅÅÅÁУ¬£¬£¬£¬¿Í»§¿É¿ìËÙʵÏÖÏÖÓмƻ®µÄÉý¼¶Ìæ»»£¬£¬£¬£¬ÎÞÐèÐÞ¸ÄPCBÉè¼Æ£¬£¬£¬£¬´ó·ùËõ¶Ì¿ª·¢ÖÜÆÚ£¬£¬£¬£¬Õâ¿Å “¹ú²úÇý¶¯Ð¾” ÕýΪÖÇÄÜ¿ØÖÆ×¢ÈëпÉÄÜ¡£¡£

Ò»¡¢²úÆ·¸ÅÊö

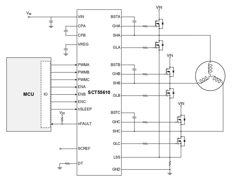
SCT55610/SCT55611ÊÇÒ»¿î¸ß¼¯³É¶ÈÈýÏàÎÞË¢Ö±Á÷µç»úÕ¤¼«Çý¶¯Æ÷£¬£¬£¬£¬¿ÉͬʱÇý¶¯3¸ö¸ß²à¼°3¸öµÍ²àN¹µµÀMOSFET£¬£¬£¬£¬Ö§³Ö5-60V¿íÊäÈëµçѹ£¬£¬£¬£¬Ö§³Ö100%Õ¼¿Õ±ÈÔËÐС£¡£¿£¿ £¿£¿£¿£¿ÉÎÞаÊÊÅäÏûºÄµç×Ó¡¢¹¤Òµ×°±¸¼°ÖÇÄܼҵçµÈ¶àÖÖÓ¦Óó¡¾°¡£¡£

ϱíÊÇSCT55610ϵÁвî±ðÐͺŵÄÖ÷񻂿±ð£º

±í¸ñAI ÌìÉúµÄÄÚÈÝ¿ÉÄܲ»×¼È·¡£¡£

1¡¢½¹µãÁÁµã

È«¹¦Ð§¼¯³É£ºÄÚÖõçºÉ±Ã±¬·¢Çý¶¯µçѹ¡¢ÄÚÖø߲àÕ¤¼«ä¸Á÷³äµçµç·£¬£¬£¬£¬Ö§³Ö100%Õ¼¿Õ±ÈÔËÐС¢¿Éµ÷ËÀÇøÊ±¼ä¼°6´ó±£»£»£»¤»úÖÆ£»£»£»

È«³¡¾°ÊÊÅ䣺¼æÈÝ2.5V/3.3V/5VÂß¼­µçƽ¡¢¼æÈÝEN/PWMºÍH/LÁ½ÖÖÊäÈëģʽ£¬£¬£¬£¬ÎÞаƥÅä²î±ðµÄµç»ú¿ØÖÆÆ÷£»£»£»

¹ú²ú»¯Ìæ»»£ºPCBºÍBOM¼æÈÝÉè¼Æ£¬£¬£¬£¬ÎÞ·ìÌæ»»ÏÖÓмƻ®£»£»£»

2¡¢¾­µäÓ¦ÓÃ

£¨1£©²úÆ·ÄÜÁ¦Ïê½â

ÎÞаÇý¶¯£¬£¬£¬£¬ÐÔÄÜÉý¼¶

¿íѹÁýÕÖ£º5V-60VÊäÈë¹æÄ££¬£¬£¬£¬Ö§³ÖµÍѹÆô¶¯Óë¸ßѹ¹¤Òµ³¡¾°

¸üµÍ¹¦ºÄ£ºÖ§³Ö1μAµÍ¹¦ºÄ˯Ãßģʽ£¬£¬£¬£¬ÏÔÖø½µµÍ´ý»úµçÁ÷

ÖÇÄܵ÷Àí£º¿É±à³ÌËÀÇøÊ±¼ä£¨30ns~5μs£©£¬£¬£¬£¬ÊÊÅä²î±ðMOSFET

ͼƬ°üÀ¨ ͼ±í

AI ÌìÉúµÄÄÚÈÝ¿ÉÄܲ»×¼È·¡£¡£Í¼Æ¬°üÀ¨ ͼÐÎÓû§½çÃæ

AI ÌìÉúµÄÄÚÈÝ¿ÉÄܲ»×¼È·¡£¡£

ͼ1a. 30nsËÀÇøÊ±¼ä£¨DTÒý½Å½ÓµØ£©
ͼ1b. 0.74μsËÀÇøÊ±¼ä£¨RDT=200kΩ£©

 ÖØ´ó¸ºÔØ£¬£¬£¬£¬ÎȹÌÓ¦¶Ô

¸ßƵÏìÓ¦£ºÖ§³Ö¸ß´ï200kHzµÄPWMƵÂÊ£¬£¬£¬£¬Öª×ãÎÞÈË»úµçµ÷¿ìËÙÏìÓ¦ÐèÇó

Ç¿¾¢Çý¶¯£º2A·åÖµ¹àµçÁ÷£¨ÏÂÀ­£©Óë1A·åÖµÀ­µçÁ÷£¨ÉÏÀ­£©£¬£¬£¬£¬ÇáËÉÇý¶¯¸ßQgµÄMOSFET

ͼÐÎÓû§½çÃæ, Ó¦ÓóÌÐò

AI ÌìÉúµÄÄÚÈÝ¿ÉÄܲ»×¼È·¡£¡£

ͼ2. ʵ²âÕ¤¼«Çý¶¯²¨ÐÎ

 Çå¾²¿É¿¿£¬£¬£¬£¬ÖÜÈ«±£»£»£»¤

6´ó±£»£»£»¤»úÖÆ£º¹ýÁ÷±£»£»£»¤¡¢¶Ì·±£»£»£»¤¡¢ÊäÈëǷѹ±£»£»£»¤¡¢Çý¶¯Ç·Ñ¹±£»£»£»¤¡¢×Ô¾ÙµçÈÝǷѹ±£»£»£»¤ÒÔ¼°¹ýα£»£»£»¤

¹ÊÕÏ·´À¡£¡£ºnFAULTÒý½Å¿ªÂ©Êä³ö£¬£¬£¬£¬ÊµÊ±Ö¸Ê¾¹ÊÕÏ״̬

¿ìËÙ±£»£»£»¤£ºÖ§³Ö¿Éµ÷µçÁ÷ÏÞÖÆÓë¹ÊÕÏ¿ìËٹضϣ¬£¬£¬£¬°ü¹ÜϵͳÇå¾²

ͼ±í, ÕÛÏßͼ

AI ÌìÉúµÄÄÚÈÝ¿ÉÄܲ»×¼È·¡£¡£

ͼ3. ¹ýÁ÷±£»£»£»¤´¥·¢²¨ÐΣ¨VLSS>0.5V´¥·¢£©

¶þ¡¢µä·¶Ó¦Óð¸Àý

ÎÞÈË»úµçµ÷ϵͳ

ÌôÕ½£º¸ßPWMƵÂÊÐèÇó¡¢ÇáÁ¿»¯Éè¼Æ¡¢µÍѹÆô¶¯¿É¿¿ÐÔ

¼Æ»®¼ÛÖµ£º

¼æÈÝÏÖÓеçµ÷PCB½á¹¹£¬£¬£¬£¬Ö±½ÓÌæ»»Éý¼¶

5VµÍѹÆô¶¯°ü¹Üµç³ØÐøº½

2A¹àµçÁ÷ºÍ1AÀ­µçÁ÷¼ÓËÙMOSFET¿ª¹Ø£¬£¬£¬£¬ÌáÉýϵͳЧÂÊ

ÖÇÄܼҵçÓ빤ҵװ±¸

ɨµØ»úеÈË£ºµÍ¹¦ºÄ˯Ãßģʽ£¨µä·¶Öµ1μA£©£¬£¬£¬£¬ÑÓÉìµç³ØÊÙÃü

Ë®±Ã/µçÉÈ£º¿Éµ÷ËÀÇøÊ±¼äÊÊÅä²î±ðMOSFETºÍµç»ú£¬£¬£¬£¬½µµÍÔËÐÐÔëÒô

µç¶¯¹¤¾ß/Ö´ÐÐÆ÷£º60VÄÍѹ֧³Ö¸ßŤ¾Øµç»ú£¬£¬£¬£¬ÊÊÅ乤ҵ×Ô¶¯»¯³¡¾°

ȼÓͼ°ÐÂÄÜÔ´Æû³µ

Óê¹ÎÆ÷£º¸ßЧ½ÚÄÜ£¬£¬£¬£¬Îȹ̿ɿ¿£¬£¬£¬£¬¸ü³¤ÊÙÃü

¿Õµ÷ѹËõ»ú£º¸ßÄÍѹ£¬£¬£¬£¬¿íÎÂÌØÕ÷ÇáËÉÓ¦¶ÔÑÏ¿ÁÇéÐÎ

ÖпØÐýתÆÁ£º¸ß¿É¿¿ÐÔ£¬£¬£¬£¬¸ß¼¯³É¶ÈʵÏÖ½ô´ÕÉè¼Æ

END

SCT55610/SCT55611 ×÷Ϊ¸ß¼¯³É¶ÈÈýÏàÎÞË¢µç»úÔ¤Çý¶¯Æ÷£¬£¬£¬£¬Ìṩ 5-60V ¿íÊäÈëµçѹ¹æÄ£¡¢1μA µÍ¹¦ºÄ˯Ãßģʽ¡¢¸ß´ï 200kHz PWM Ö§³Ö¼°ÖÜÈ«µÄ±£»£»£»¤¹¦Ð§¡£¡£¸ÃÆ÷¼þÊÊÓÃÓÚÎÞÈË»úµçµ÷¡¢ÖÇÄܼҵ缰¹¤Òµ×°±¸µÈ³¡¾°£¬£¬£¬£¬Îª¸ßЧ¡¢¿É¿¿µÄµç»ú¿ØÖÆÌṩ֧³Ö¡£¡£ÈçÐèÑùÆ·¡¢ÊÖÒÕ×ÊÁÏ»ò½øÒ»²½Ö§³Ö£¬£¬£¬£¬ÇëÁªÏµ½ðʨ¹ó±ö»á¡£¡£

¡¾ÍøÕ¾µØÍ¼¡¿¡¾sitemap¡¿